GM Service Manual Online
For 1990-2009 cars only

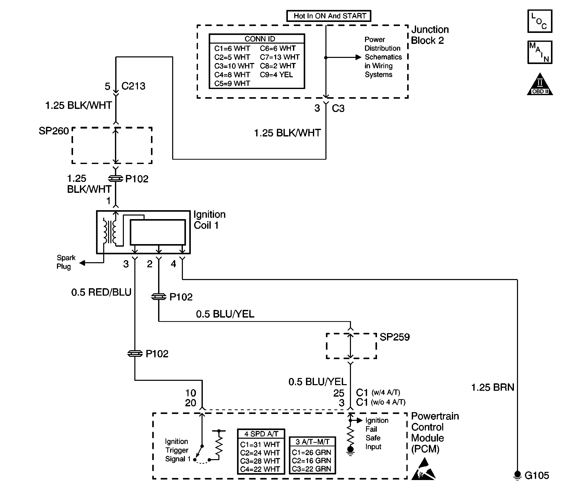
Object Number: 629793  Size: LF
Engine Controls Component Views
Ignition System
OBD II Symbol Description Notice
Handling ESD Sensitive Parts Notice
Powertrain Control Module Connector End Views
Powertrain Control Module Connector End Views
Power and Grounding Connector End Views
Power Distribution Schematics

Circuit Description

The ignition trigger signal and ignition failsafe signal provide crucial information in the control of the ignition system timing and failsafe activation. Based on an initial timing angle calculated from the crankshaft and the camshaft position signals, the PCM calculates the ignition trigger signal. The ignition trigger signal is then sent to the ignition control circuitry located in each ignition coil. The ignition control circuitry initiates the ignition dwell period by commanding the power transistor ON. When the PCM determines the proper time to provide spark, the PCM turns OFF the ignition trigger signal. In response to the PCM signal, the ignition coil control circuitry turns OFF the power transistor, producing a spark. After the spark has occurred, the control circuitry sends an ignition failsafe signal back to the PCM, confirming that an ignition event has taken place. If the ignition failsafe signal is not received by the PCM, the Fuel Cut-off mode is activated and fuel injector operation is ceased. The suspension of fuel injection is a failsafe function that protects the catalytic converter from damage by overheating.

Conditions for Running the DTC

The ignition is ON.

Conditions for Setting the DTC

No ignition coil 1 failsafe input signal to the PCM for 2 consecutive ignition trigger signal cycles, while the engine is cranking or running.

Action Taken When the DTC Sets

    • The PCM illuminates the malfunction indicator lamp (MIL).
    • The PCM stores the conditions that were present when the DTC set as Freeze Frame data.
    • The PCM enters the failsafe function and begins Fuel Cut-off mode operation.

Conditions for Clearing the MIL/DTC

    • The PCM turns OFF the MIL on the third consecutive trip cycle during which the diagnostic has been run and the fault condition is no longer present.
    • The DTC clears after 40 consecutive warm-up cycles have occurred without a fault.
    • A DTC can be cleared by using the scan tool Clear DTC Information function.

Diagnostic Aids

Check for the following conditions:

    • Check the ignition coil grounds at G105 for a clean and tight connection.
    • An interruption of the ground circuit or voltage supply to the ignition coil will prevent a proper ignition event from taking place. A DTC P1300 will set if there is a fault in any of the ignition coil circuits.
    • If DTCs P1305, P1310, and P1315 are present, the fault is located in the shared electrical circuits or shared components of the ignition coils.
    • Check the noise filter for an internal short or low resistance. The ignition coil may not receive adequate voltage during high load conditions if the noise filter is faulty. A good noise filter will indicate infinite resistance (OL) with a DMM after the capacitor within the filter is charged up.
    • Unless the ignition key is cycled or the DTCs are cleared, the PCM waits to receive ignition failsafe signals before providing fuel injector operation.

An intermittent malfunction may be caused by a fault in the ignition coil electrical circuit. Inspect the wiring harness and the components for an intermittent condition. Refer to Intermittent Conditions .

Repair any electrical circuit faults that were found. Refer to Wiring Repairs in Wiring Systems.

The information included in the Freeze Frame data can be useful in determining the vehicle operating conditions when the DTC first set.

Test Description

The numbers below refer to the step numbers in the diagnostic table.

  1. The OBD System Check prompts the technician to complete some basic checks and store the freeze frame data on the scan tool if applicable. This creates an electronic copy of the data taken when the fault occurred. The information is then stored in the scan tool for later reference.

  2. If DTCs P1300, P1305, P1310, and P1315 are present, the fault is located in the shared electrical circuits or shared components of the 2 ignition coils.

  3. This step checks for an open or a short in the ignition trigger signal circuit. The voltage on the ignition trigger signal circuit will fluctuate very quickly when cranking the engine. The DMM voltage reading on the ignition trigger signal circuit should indicate 0.2 to 1.0 volts. Using the min/max feature on the DMM may indicate a maximum voltage as high as 3.5 volts.

  4. This step checks for a fault in the ignition failsafe Input circuit. If the cause of the DTCs P1300, P1305, P1310, and P1315 is a fault in the ignition failsafe input circuit, the engine will start and run for less than 2 seconds. Without the failsafe signal the PCM will initiate fuel cutoff.

  5. This step checks for a short in the ignition positive voltage supply to the ignition coils or for a faulty noise filter. A shorted noise filter may pull down the ignition coil primary voltage.

Step

Action

Values

Yes

No

1

Did you perform the Powertrain On-Board Diagnostic (OBD) System Check?

--

Go to Step 2

Go to Powertrain On Board Diagnostic (OBD) System Check

2

Are DTCs P1305, P1310, and P1315 also set?

--

Go to Step 10

Go to Step 3

3

  1. Turn OFF the ignition.
  2. Disconnect the electrical connector from the cylinder 1 ignition coil .
  3. Turn ON the ignition, with the engine OFF.
  4. Probe terminal 1 of the ignition coil connector on the harness side with a test lamp connected to ground.

Does the test lamp illuminate?

--

Go to Step 4

Go to Step 6

4

  1. Probe terminal 3 of the ignition coil connector on the harness side with a digital multimeter (DMM).
  2. Measure the circuit voltage while cranking the engine.

Is the voltage within the specified range?

0.2-1.0 V

Go to Step 5

Go to Step 7

5

Probe terminal 4 of the ignition coil connector on the harness side with a test lamp connected to B+.

Does the test lamp illuminate?

--

Go to Step 8

Go to Step 9

6

Repair the open or the short in the ignition power circuit between ignition coil 1 and SP260. Refer to Wiring Repairs in Wiring Systems.

Is the action complete?

--

Go to Step 17

--

7

  1. Check for an open or a short in the ignition trigger signal circuit between the ignition coil 1 and the PCM.
  2. Repair as necessary. Refer to Wiring Repairs in Wiring Systems.

Was a repair necessary?

--

Go to Step 17

Go to Step 16

8

  1. Check for an open in the ignition failsafe input circuit between ignition coil 1 and SP259.
  2. Repair as necessary. Refer to Wiring Repairs in Wiring Systems.

Was a repair necessary?

--

Go to Step 17

Go to Step 15

9

Repair the open in the ignition ground circuit between ignition coil 1 and G105. Refer to Wiring Repairs in Wiring Systems.

Is the action complete?

--

Go to Step 17

--

10

  1. Clear the DTC Information with the scan tool.
  2. Turn OFF the ignition.
  3. Turn ON the ignition and attempt to start the engine.

Did the engine start and then quickly stall?

--

Go to Step 13

Go to Step 11

11

  1. Turn OFF the ignition.
  2. Disconnect the electrical connector from the cylinder 1 ignition coil .
  3. Turn ON the ignition, with the engine OFF.
  4. Probe terminal 1 of the ignition coil connector on the harness side with a test lamp connected to ground.

Does the test lamp illuminate?

--

Go to Step 14

Go to Step 12

12

  1. Check for any of the following faults in the ignition positive voltage circuit of the ignition coils.
  2. • An open in the circuit from SP260 to junction block 2
    • A short in the circuit between SP260, junction block 2, or the noise filter
    • A shorted noise filter
  3. Repair or replace as necessary. Refer to Wiring Repairs in Wiring Systems.

Is the action complete?

--

Go to Step 17

--

13

  1. Check for any of the following faults in the ignition failsafe input circuit:
  2. • An open circuit between the PCM and SP259
    • A short to ground between the PCM and the ignition coils
    • A short to voltage between the PCM and the ignition coils
  3. Repair as necessary. Refer to Wiring Repairs in Wiring Systems.

Was a repair necessary?

--

Go to Step 17

Go to Step 16

14

Repair the faulty ignition coil ground circuits at G105. Refer to Wiring Repairs in Wiring Systems.

Is the action complete?

--

Go to Step 17

--

15

Replace ignition coil 1. Refer to Ignition Coil Replacement .

Is the action complete?

--

Go to Step 17

--

16

Replace the PCM. Refer to Powertrain Control Module Replacement .

Is the action complete?

--

Go to Step 17

--

17

  1. Clear the DTC Information with the scan tool.
  2. Road test the vehicle within the Freeze Frame conditions that set the DTC.
  3. Review the scan tool data and check for DTCs.

Are any DTCs displayed on scan tool?

--

Go to Diagnostic Trouble Code (DTC) List

System OK