GM Service Manual Online
For 1990-2009 cars only

Removal Procedure

  1. Raise the vehicle. Support the vehicle. Refer to Lifting and Jacking the Vehicle in General Information.

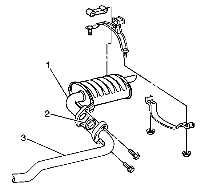
  2. Object Number: 235664  Size: SH
  3. Remove the following components from the front pipe/three-way catalytic converter (TWC) (3) assembly:
  4. • The 2 bolts
    • The gasket
  5. Remove 2 bolts and the hanger from the muffler.
  6. Remove the muffler/tail pipe assembly from the vehicle.
  7. Clean the seal mating surfaces.

Installation Procedure


    Object Number: 235664  Size: SH

    Important: Install the muffler/tail pipe assembly hangers in their proper position.

  1. Connect the muffler/tail pipe assembly (1), with a new gasket (2), to the front pipe/TWC assembly (3). Secure the assembly with 2 bolts. Finger tighten the bolts.
  2. Connect the hanger to the muffler. Secure the hanger with the bolts. Finger tighten the bolts.
  3. Notice: Use the correct fastener in the correct location. Replacement fasteners must be the correct part number for that application. Fasteners requiring replacement or fasteners requiring the use of thread locking compound or sealant are identified in the service procedure. Do not use paints, lubricants, or corrosion inhibitors on fasteners or fastener joint surfaces unless specified. These coatings affect fastener torque and joint clamping force and may damage the fastener. Use the correct tightening sequence and specifications when installing fasteners in order to avoid damage to parts and systems.

  4. Align all system components properly to prevent any noise or vibrations before tightening fasteners.
  5. Tighten

        • Tighten TWC-to-muffler/tail pipe assembly bolts to 50 N·m (37 lb ft).
        • Tighten both hanger bolts to 13 N·m (115 lb in).
  6. Lower the vehicle.