GM Service Manual Online
For 1990-2009 cars only
Makes
🢒
Chevrolet
🢒
2001
🢒
Prizm
🢒
Body and Accessories
🢒
Lighting Systems
🢒 Interior Lights Schematics
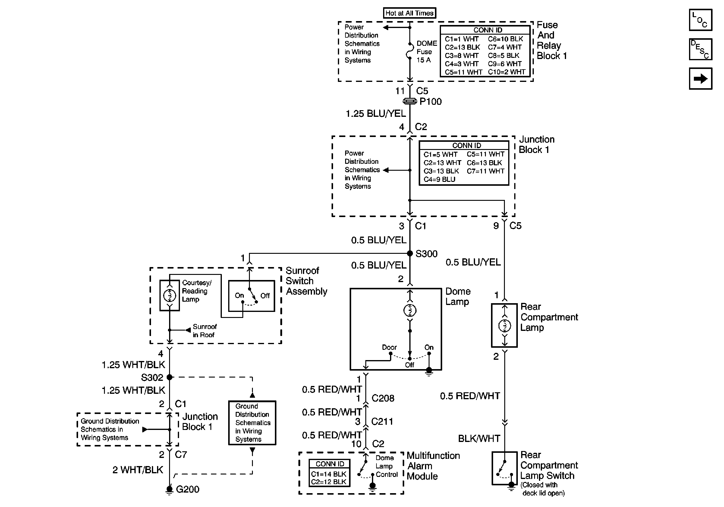
Figure
1:
Sunroof Switch Assembly and Dome Lamp
Master Electrical Component List
Interior Lighting Systems Description and Operation
Sunroof Switch Assembly and Dome Lamp
ALT-S, AM2, DOME, EFI, Hazard, Horn, and Main Fuses
ALT-S, AM2, DOME, EFI, Hazard, Horn, and Main Fuses
G200, G203, SP250, and SP650
G200, G203, SP250, and SP650
Figure
2:
Sunroof Switch Assembly and Dome Lamp
Master Electrical Component List
Interior Lighting Systems Description and Operation
Sunroof Switch Assembly and Dome Lamp
Junction Block 1 and Junction Block 3