GM Service Manual Online
For 1990-2009 cars only

Removal Procedure


    Object Number: 242330  Size: SH
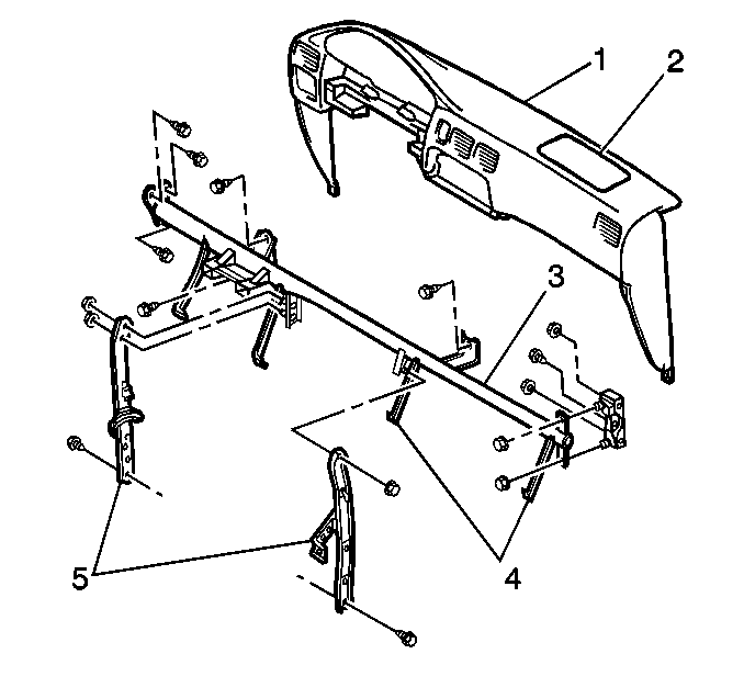
  1. Remove the I/P center support braces. Refer to Instrument Panel Center Support Bracket Replacement .
  2. Remove the windshield defroster nozzle duct from the heater case assembly.
  3. Remove the brake pedal return spring.
  4. Unclip and remove the radio antenna extension cable (2) from the I/P reinforcement (1).

  5. Object Number: 328061  Size: SH
  6. Remove the following retainers from the instrument panel reinforcement at the hinge pillars:
  7. • The 4 bolts
    • The 4  nuts
  8. Remove the instrument panel reinforcement (3) from the vehicle.

Installation Procedure


    Object Number: 328061  Size: SH

    Notice: Use the correct fastener in the correct location. Replacement fasteners must be the correct part number for that application. Fasteners requiring replacement or fasteners requiring the use of thread locking compound or sealant are identified in the service procedure. Do not use paints, lubricants, or corrosion inhibitors on fasteners or fastener joint surfaces unless specified. These coatings affect fastener torque and joint clamping force and may damage the fastener. Use the correct tightening sequence and specifications when installing fasteners in order to avoid damage to parts and systems.

  1. Install the I/P reinforcement (3) to the vehicle. Secure the reinforcement with the following fasteners:
  2. • The 4 bolts
    • The 4 nuts

    Tighten
    Tighten the instrument panel reinforcement bolts and nuts to 28 N·m (21 lb ft).


    Object Number: 242330  Size: SH
  3. Install the radio antenna extension cable to the instrument panel reinforcement (1). Secure the cable with the plastic retainers (2).
  4. Install the brake pedal return spring.
  5. Install the windshield defroster nozzle duct to the heater case assembly.
  6. Install the I/P center support braces. Refer to Instrument Panel Center Support Bracket Replacement .