GM Service Manual Online
For 1990-2009 cars only
Makes
🢒
Chevrolet
🢒
2001
🢒
Prizm
🢒
Body and Accessories
🢒
Roof
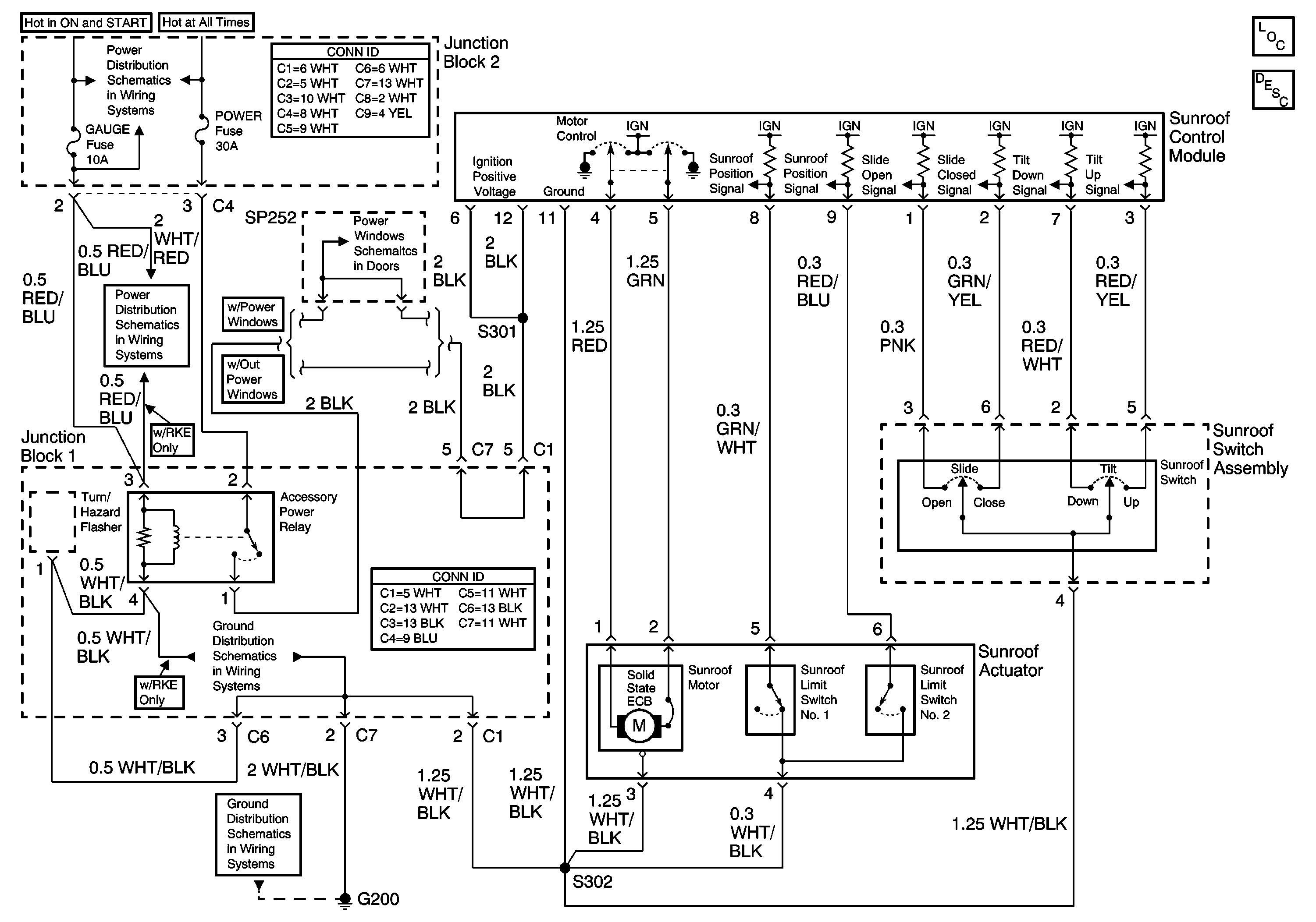
🢒 Sunroof Schematics
Master Electrical Component List
Sunroof Description and Operation
G200, G203, SP250, and SP650
G204, Junction Block 1, and SP256
Gauge Fuse
Gauge Fuse