GM Service Manual Online
For 1990-2009 cars only
Makes
🢒
Chevrolet
🢒
2001
🢒
Prizm
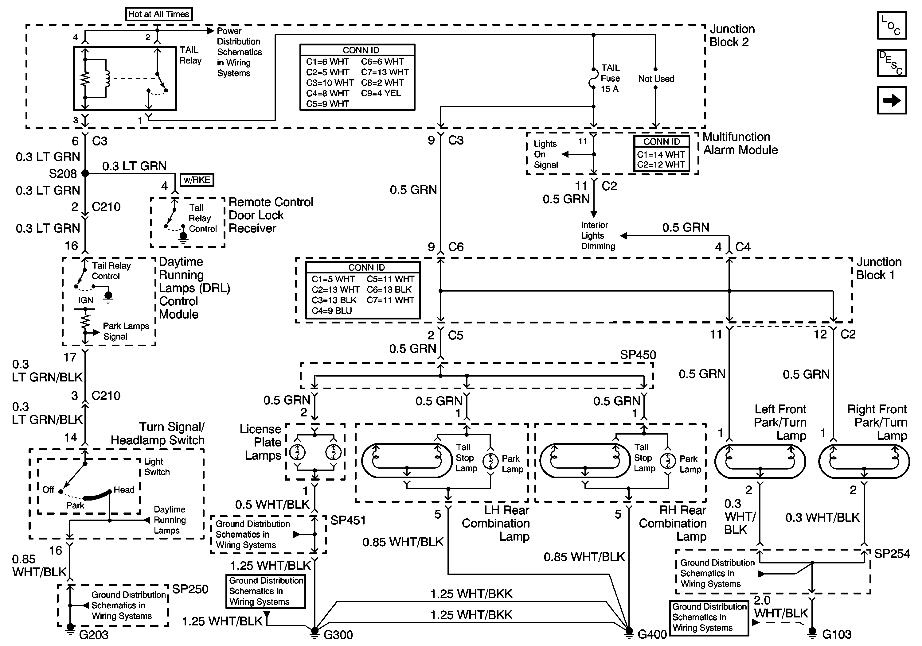
🢒 LH Rear Combination Lamp and Right Front Park/Turn Lamp
LH Rear Combination Lamp and Right Front Park/Turn Lamp
LH Rear Combination Lamp and Right Front Park/Turn Lamp
Master Electrical Component List
Exterior Lighting Systems Description and Operation
G300, G301, G400, and SP451
G300, G301, G400, and SP451
G300, G301, G400, and SP451
G300, G301, G400, and SP451
ABS, ALT, AMI, DEF, DYL, ECU-B, HTR, OBD, POWER and STOP Fuses
G200, G203, SP250, and SP650