GM Service Manual Online
For 1990-2009 cars only
Makes
🢒
Chevrolet
🢒
2001
🢒
Prizm
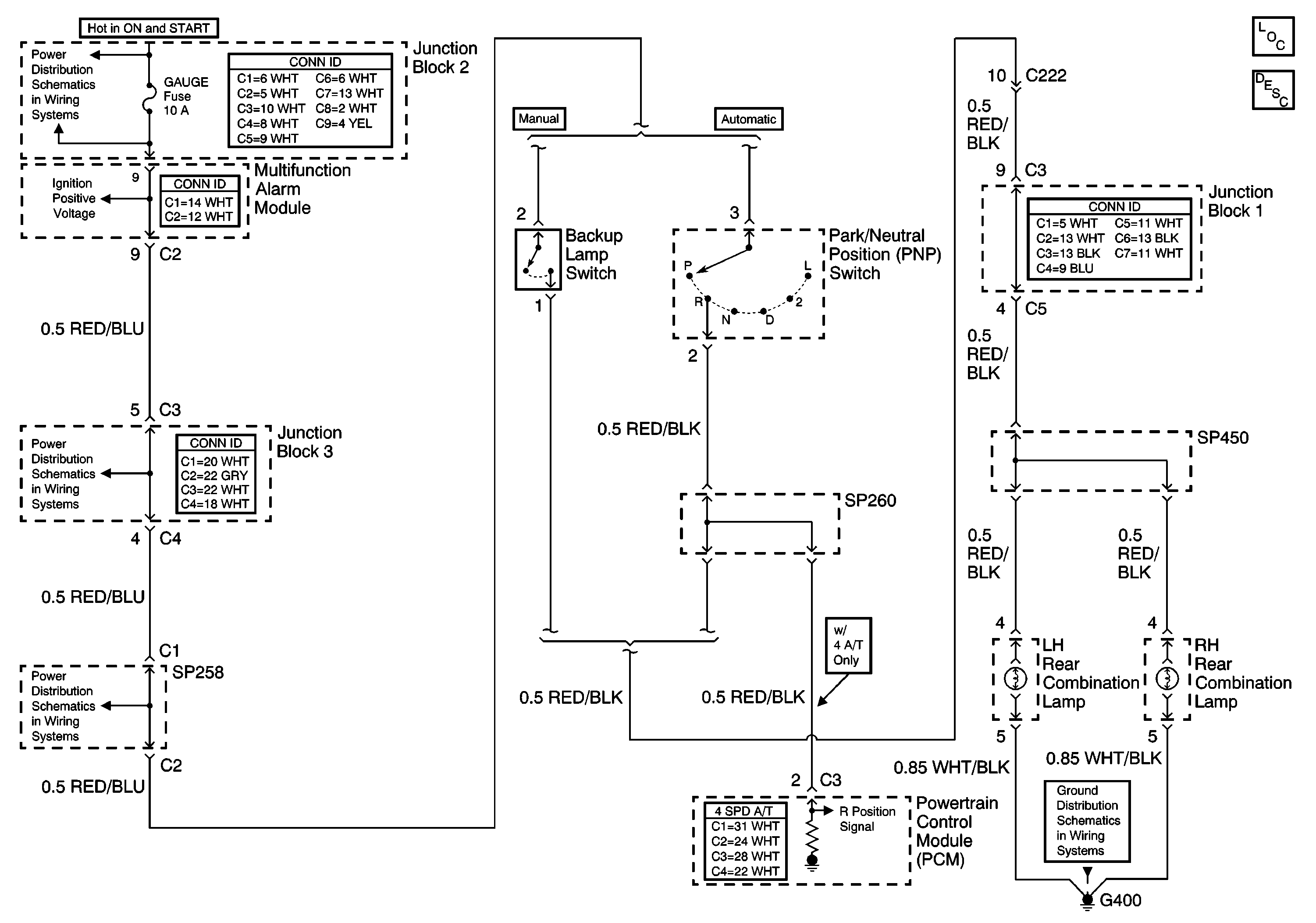
🢒 PNP Switch and Backup Lamp Switch
PNP Switch and Backup Lamp Switch
PNP Switch and Backup Lamp Switch
Master Electrical Component List
Exterior Lighting Systems Description and Operation
G300, G301, G400, and SP451
Ignition Switch, IGN and ST Fuses
Gauge Fuse
Gauge Fuse