GM Service Manual Online
For 1990-2009 cars only
Makes
🢒
Chevrolet
🢒
2001
🢒
Prizm
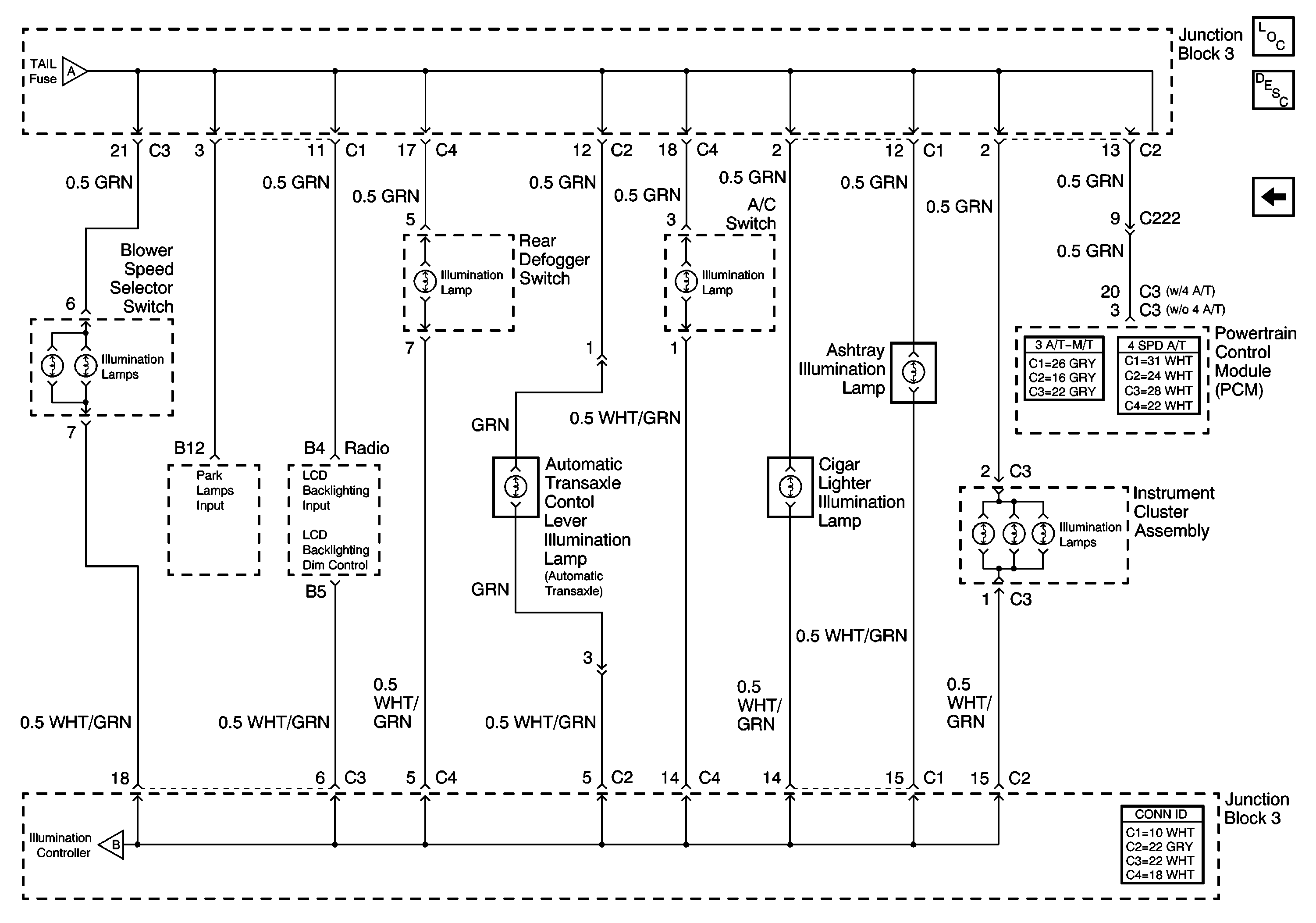
🢒 A/T Control Lever Illumination Lamp
A/T Control Lever Illumination Lamp
A/T Control Lever Illumination Lamp
Master Electrical Component List
Interior Lighting Systems Description and Operation
IP Lamp Dimmer
IP Lamp Dimmer
IP Lamp Dimmer