GM Service Manual Online
For 1990-2009 cars only
Makes
🢒
Chevrolet
🢒
2001
🢒
Prizm
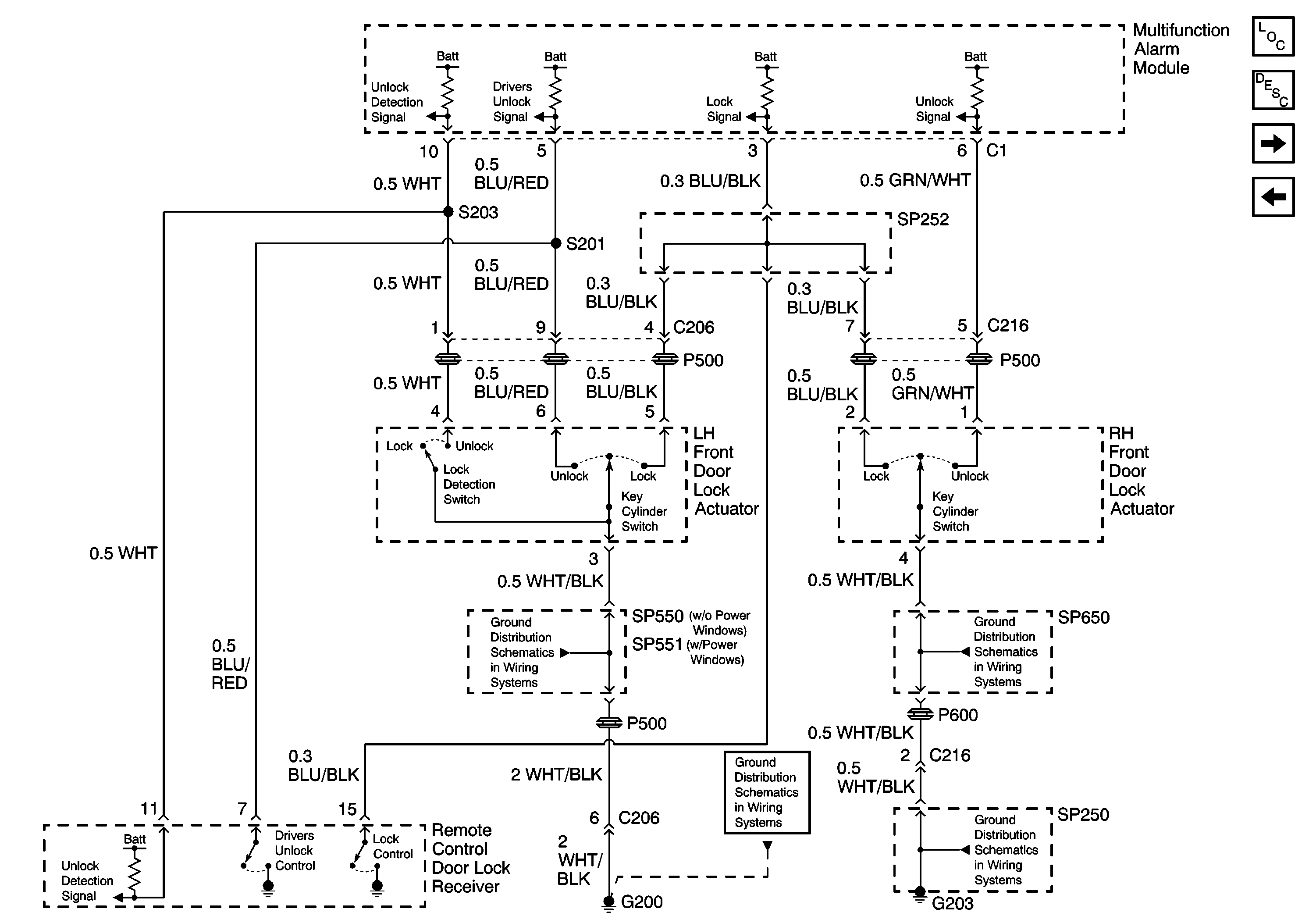
🢒 Door Lock Actuation
Door Lock Actuation
Door Lock Actuation
Master Electrical Component List
Keyless Entry System Description and Operation
Door Lock Actuators and SP253
Door Lock Switches and SP252
G200, G203, SP250, and SP650
G200, G203, SP250, and SP650
SP550 and SP551
SP550 and SP551