GM Service Manual Online
For 1990-2009 cars only
Figure 1:

Intake and Exhaust Manifold Components


Object Number: 625224  Size: LF
(1)Engine Cover
(2)Ignition Coil Harness
(3)Ignition Coils
(4)Fuel Line / Fuel Rail
(5)Camshaft Sensor
(6)Fuel Injector
(7)Fuel Injector Harness
(8)Throttle Body
(9)Intake Manifold
(10)Intake Manifold Gasket
(11)Engine Mount
(12)Oil Filler Cap
(13)Spark Plug
(14)Exhaust Manifold Gasket
(15)Exhaust Manifold Bracket
(16)Exhaust Manifold Inner Heat Shield
(17)Exhaust Manifold
(18)Exhaust Manifold Outer Heat Shield
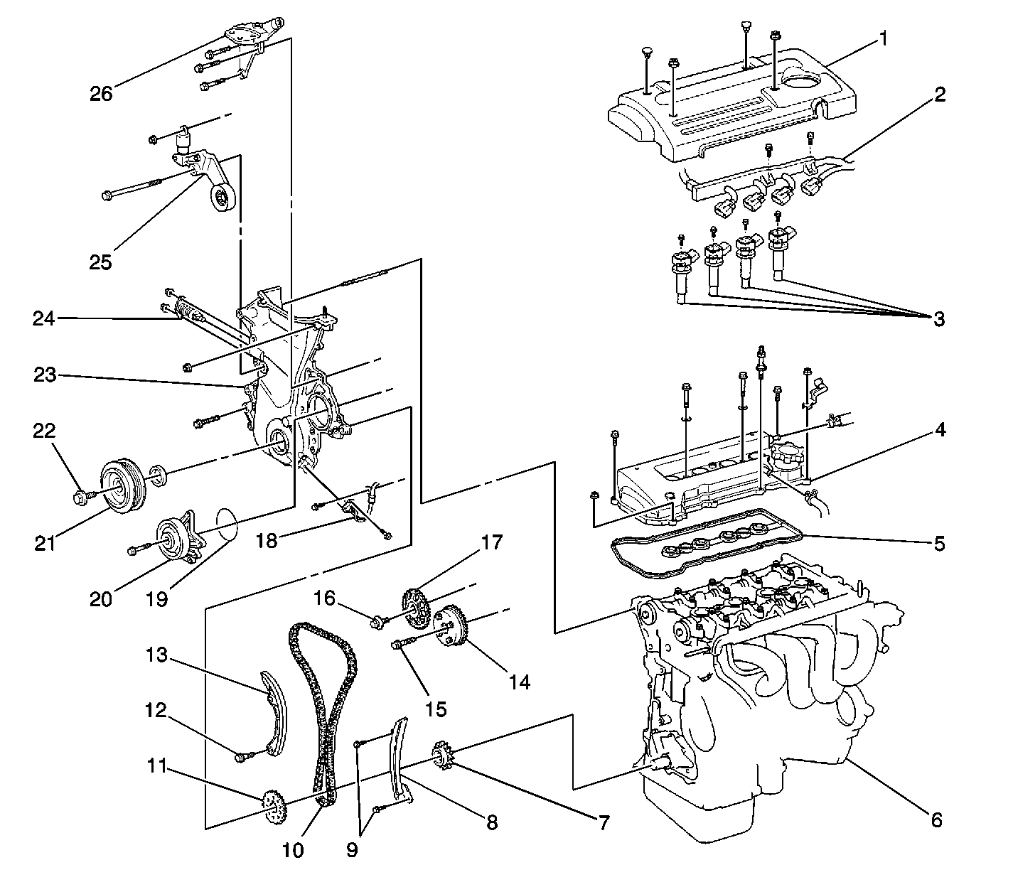
Figure 2:

Cylinder Head and Components


Object Number: 625218  Size: LF
(1)Bolt / Stud, Cylinder Head Cover
(2)Bolt, Cylinder Head Cover
(3)Nut, Cylinder Head Cover
(4)Cylinder Head Cover
(5)Gasket, Cylinder Head Cover
(6)Bolt, Camshaft Bearing Cap
(7)Camshaft Bearing Cap
(8)Exhaust Camshaft
(9)Intake Camshaft
(10)Valve Lifter
(11)Valve Keepers
(12)Valve Spring Retainer
(13)Valve Spring
(14)Valve Oil Seal
(15)Valve Spring Seat
(16)Valve Guide Bushing
(17)Valve
(18)Cylinder Head
(19)O-Ring, Camshaft Position Actuator Solenoid Valve
(20)Camshaft Position Actuator Solenoid Valve
(21)Bolt, Camshaft Position Actuator Solenoid Valve
(22)Filter, Oil Feed
(23)Seal, Oil Feed
(24)Bolt, Oil Feed
(25)Bolt, Coolant Pipe
(26)Cylinder Block
(27)Timing Chain Dampener
(28)Bolt, Timing Chain Dampener
(29)Crank Sensor Reluctor
(30)Bolt, Timing Chain Tensioner Shoe
(31)Timing Chain Tensioner Shoe
(32)Bolt, Timing Chain Tensioner Shoe
(33)Bolt, Crankshaft Position Sensor
(34)Crankshaft Position Sensor
(35)Crankshaft Position Sensor Harness
(36)O-Ring, Coolant Pump
(37)Coolant Pump
(38)Bolt, Coolant Pump
(39)Bolt, Crankshaft Pulley
(40)Crankshaft Pulley
(41)Crankshaft Front Oil Seal
(42)Timing Chain Cover
(43)Bolt, Timing Chain Cover
(44)Nut, Timing Chain Cover
(45)Timing Chain Tensioner
(46)Bolt, Timing Chain Tensioner
(47)Drive Belt Tensioner
(48)Bolt, Drive Belt Tensioner
(49)Nut, Drive Belt Tensioner
(50)Bolt, RH Engine Mounting Bracket
(51)RH Engine Mounting Bracket
(52)Cylinder Head Gasket
(53)Cylinder Head Bolt Washer
(54)Cylinder Head Bolt
(55)Bolt, Camshaft Sprocket
(56)Intake Camshaft Sprocket (VVT)
(57)Bolt, Camshaft Sprocket
(58)Exhaust Camshaft Sprocket
(59)Front Camshaft Bearing Cap
(60)Bolt, Camshaft Bearing Cap
(61)Nut, Cylinder Head Cover
(62)Bolt, Cylinder Head Cover
(63)Bolt, Cylinder Head Cover
(64)Seal Washer, Cylinder Head Cover
Figure 3:

Cylinder Block, Crankshaft, Connecting Rod and Piston Components


Object Number: 361150  Size: LF
(1)Connecting Rod Bushing
(2)Connecting Rod
(3)Connecting Rod Bearing
(4)Connecting Rod Bearing
(5)Connecting Rod Cap
(6)Bolt, Connecting Rod
(7)Bolt, Connecting Rod
(8)Cylinder Block
(9)Crankshaft Thrust Washer
(10)Upper Main Bearing
(11)Crankshaft Thrust Washer
(12)Crankshaft Rear Oil Seal
(13)Crankshaft
(14)Lower Main Bearing
(15)Lower Crankcase
(16)Oil Filter Union
(17)Oil Filter
(18)Bolt, Lower Crankcase
(19)Bolt, Lower Crankcase
(20)Oil Pan
(21)Bolt, Oil Pan
(22)Nut, Oil Pan
(23)Gasket, Drain Plug
(24)Drain Plug
(25)Nut, Oil Pan
(26)Bolt, Oil Strainer
(27)Oil Strainer
(28)Nut, Oil Strainer, Bracket
(29)Gasket, Oil Strainer
(30)Nut, Oil Strainer
(31)Piston Snap Ring
(32)Piston Pin
(33)Piston Snap Ring
(34)Piston
(35)Piston O-Ring (Side Rail)
(36)Piston Oil Ring (Expander)
(37)Piston O-Ring (Side Rail)
(38)Piston No.2 Compression Ring
(39)Piston No. 2 Compression Ring
Figure 4:

Timing Chain and Housing Components


Object Number: 625227  Size: LF
(1)Engine Cover
(2)Ignition Coil Harness
(3)Ignition Coils
(4)Cylinder Head Cover
(5)Gasket, Cylinder Head Cover
(6)Cylinder Block
(7)Crankshaft Sprocket
(8)Timing Chain Tensioner Shoe
(9)Bolt, Timing Chain Tensioner Shoe
(10)Timing Chain
(11)Crankshaft Sensor Reluctor
(12)Bolt, Timing Chain Dampener
(13)Timing Chain Dampener
(14)Intake Camshaft Sprocket (VVT)
(15)Bolt, Camshaft Sprocket
(16)Bolt, Camshaft Sprocket
(17)Exhaust Camshaft Sprocket
(18)Crankshaft Position Sensor
(19)O-Ring, Coolant Pump
(20)Coolant Pump
(21)Crankshaft Pulley
(22)Bolt, Crankshaft Pulley
(23)Timing Chain Cover
(24)Timing Chain Tensioner
(25)Drive Belt Tensioner
(26)RH Engine Mounting Bracket
Figure 5:

Oil and Cooling System Components


Object Number: 361183  Size: LF
(1)Bolt, Water Bypass Pipe Bracket
(2)Water Bypass Hose
(3)Water Bypass Hose
(4)Water Bypass Hose
(5)Oil Level Indicator
(6)Bolt, Oil Level Indicator Tube
(7)Bolt, Water Bypass Pipe
(8)Water Bypass Pipe
(9)Gasket, Water Bypass Pipe
(10)Cylinder Block
(11)Oil Level Indicator Tube
(12)O-Ring, Oil Level Indicator Tube
(13)Knock Sensor
(14)Thermostat
(15)Gasket, Thermostat
(16)Thermostat Housing Inlet
(17)Nut, Thermostat Housing Inlet
(18)Nut, Thermostat Housing Inlet
(19)Bolt, Oil Pump
(20)Oil Pump
(21)Gasket, Oil Pump
(22)Drain Union (Engine Coolant)
(23)Nut, Water Bypass Pipe
(24)Nut, Water Bypass Pipe
(25)Cylinder Head