GM Service Manual Online
For 1990-2009 cars only

SPECIAL POLICY: POWER DOOR LOCK SWITCHES

Model and Year: 1986-87 S/T TRUCKS WITH POWER DOOR LOCK OPTION (AU3)

General Motors has determined that some power door lock failures have occurred on 1986-87 S/T model trucks. The failure modes include: inoperative switches, intermittent locking and unlocking while driving or parked, actuator sticking and actuator popping out of switch. In addition to durability improvement in the new switches, there is an appearance change which necessitates changing both the right and left door lock switches when one requires replacement.

VEHICLES INVOLVED

Involved are certain 1986-87 S/T model trucks within the following VIN breakpoints:

YEAR PLANT FROM THROUGH ---- ----- ---- ------- 1986 Pontiac G0100001 G0171774 1987 Pontiac H0100008 H0188556

1986 Moraine G2100001 G2238717 1987 Moraine H2100001 H2271470

1986 Shreveport G8100001 G8212409 1987 Shreveport H8100001 H8237837

SPECIAL POLICY ADJUSTMENT

Should this condition occur, General Motors will repair involved vehicles at no charge for a period of five (5) years, regardless of mileage, from the date the vehicle was originally placed in service.

This "SPECIAL POLICY ADJUSTMENT BULLETIN" should be filed in the three ring binder previously furnished each dealer by General Motors.

OWNER NOTIFICATION

Owners of vehicles involved in this SPECIAL POLICY ADJUSTMENT will be notified by Chevrolet (see copy of owner letter included with this bulletin).

PARTS INFORMATION

Parts are to be obtained from General Motors Service Parts Operations (GMSPO).

Part Number Description Quantity ----------- ----------- -------- 15622301* Left Power Door 1 Lock Switch

15622302* Right Power Door 1 Lock Switch

* Appearance change necessitates changing both switches when one needs replacement.

SERVICE PROCEDURE - 1986-87 S/T DOOR LOCK SWITCHES-REPLACE ----------------- 1. Disconnect battery ground cable from battery.

2. Remove door trim panels including arm rests. Reference "Doors" (Section 1OA1) in the 1987 Chevrolet S-10 Light Duty Truck Service Manual (ST-369-87).

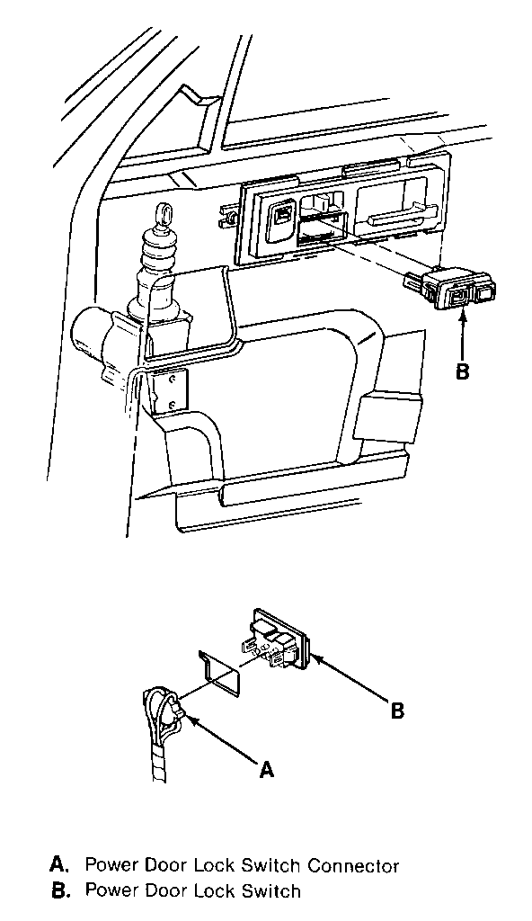
3. Disconnect each harness connector (Figure 1, A).

4. Remove each switch (Figure 1, B). Press in both spring clips to remove each switch.

5. Install switches (Figure 1, B) P/N 15622301-2.

6. Connect harness connectors (Figure 1, A).

7. Install both door trim panels and arm rests (Section 1OA1).

8. Connect battery ground cable to the battery.

WARRANTY CLAIM INFORMATION

Submit a warranty claim for credit with the information indicated below:

FAILED PARTS LABOR LAB REPAIR PERFORMED PC PART NO. ALLOW FC OP HRS ---------------- -- -------- ----- -- ----- ---

REPLACE BOTH POWER 2 15622301 * 95 T7510 0.8 DOOR LOCK SWITCHES

* The "Parts Allowance" should be the sum total of the current GMSPO Dealer Net price plus 30% of all parts required for the repair.

Refer to the Chevrolet Claims Processing Manual for details on Claim submission.

REIMBURSEMENT

Claims for customer reimbursement for previously paid repairs are eligible for reimbursement of repair expenses due to a previous power door lock malfunction.

To obtain reimbursement for previous repairs, eligible owners must submit claims to an authorized Chevrolet dealer prior to May 31, 1989. The reimbursement should not exceed the amount paid by Chevrolet for the applicable labor operation.

When a customer requests reimbursement the following must accompany that request:

- Proof of ownership, and - Original paid receipt, or - A copy of receipt with proof of payment.

Claims for customer reimbursement on previously paid repairs are to be submitted according to the form and instructions included with this bulletin. Additional forms are to be reproduced locally.

May, 1988

Dear Chevrolet Owner:

This letter has been sent to inform you of the following special policy that applies to your vehicles.

REASON FOR THIS SPECIAL POLICY

General Motors has determined that some power door lock failures have occurred on 1986-87 S/T model trucks. The failure modes include: inoperative switches, intermittent locking and unlocking while driving or parked, actuator sticking and actuator popping out of switch. In addition to durability improvement in the new switches, there is an appearance change which necessitates changing both the right and left door lock switches when one requires replacement.

SPECIAL POLICY COVERAGE

Because this condition may occur beyond the warranty period we are writing this letter to advise you that Chevrolet Motor Division will replace these switches at no charge for a period of five years from the date your vehicle was originally placed in service, regardless of mileage. Instructions have been furnished to Chevrolet dealers for repairing the condition and handling of this special policy.

WHAT YOU SHOULD DO

If you have previously encountered this condition, and paid for all or part of the repair, you should contact your Chevrolet dealer to request reimbursement prior to May 31, 1989. Your dealer will advise you regarding reimbursement. It will be necessary to present paid receipts or invoices to verify any expenditures for such repairs. Please have them available when you contact your dealer.

We suggest you retain this letter with your Owner's Manual, maintenance Schedule and Warranty Folder.

Chevrolet Motor Division is taking this action in the interest of your continued satisfaction with our products.

CHEVROLET MOTOR DIVISION GENERAL MOTORS CORPORATION

INSTRUCTIONS

1. R.O. NUMBER & DATE: The dealership should enter the R.O. Number and Date of the owner's or dealer's paid receipt or invoice.

2. REQUEST DATE (MONTH, DAY): Date owner or dealer requested reimbursement.

3. VEHICLE IDENTIFICATION NUMBER: VIN involved.

4. MILEAGE: Enter mileage at time of transaction. (If not available, enter "0".)

5. FC code is preprinted on form.

6. LABOR OPERATION NO. - Use T7511.

7&8.SUBLET DMN & LINE TOTAL: Enter total amount of reimbursement. (Do not enter parts or labor hours on claim.)

9. AUTH CODE: If the amount of reimbursement approved is $90 or less, no authorization is needed. If the amount exceeds $90, contact Chevrolet Marketing Center Representative for pre-approval.

10. REQUESTED REIMBURSEMENT: Dealer Service Manager enters amounts determined from owner supplied invoices or paid receipts, which are covered.

11. APPROVED AMOUNT & 740 STAMP: Dealer Service Manager to determine based on reimbursement policy of this bulletin. If the total amount exceeds $90, contact Chevrolet Marketing center Representative for authorization.

12. See item 11 to determine need for authorization.

13. DEALER REFERENCE INFORMATION:

A. Enter Document Number and Line Number on which claim was submitted.

B. Enter Claim Memo Number and Date when claim is credited.

C. Enter Number of Dealer Check to Owner, if applicable. Date Check was written, if applicable. Date copy of Check was attached to OWNER REQUEST FOR REIMBURSEMENT file.

14. OWNER INFORMATION (must include telephone number).

15. DEALER INFORMATION & SERVICE MANAGER SIGNATURE: To be completed by Service Manager.

16. EXPLAIN: Should the Dealer Service Manager determine, after review of owner's invoices/receipts, that the reimbursement case is not eligible; Service Manager should write reason on worksheet, explain to owner, and place a copy of the worksheet in the file.

If the amount approved by the Chevrolet Representative is different from the amount determined by the dealer, the Chevrolet Representative will provide a reason as an explanation to the owner.

17. The Dealer is then to issue the owner a check for reimbursement in the approved amount. A copy of the check issued to the owner is to be attached to the Dealer's file copy of the request within 30 days after Dealer credit is received and retained for 24 months from date of credit.


Object Number: 90982  Size: FS


Object Number: 74662  Size: FS


Object Number: 74817  Size: FS

General Motors bulletins are intended for use by professional technicians, not a "do-it-yourselfer". They are written to inform those technicians of conditions that may occur on some vehicles, or to provide information that could assist in the proper service of a vehicle. Properly trained technicians have the equipment, tools, safety instructions and know-how to do a job properly and safely. If a condition is described, do not assume that the bulletin applies to your vehicle, or that your vehicle will have that condition. See a General Motors dealer servicing your brand of General Motors vehicle for information on whether your vehicle may benefit from the information.