GM Service Manual Online
For 1990-2009 cars only
Makes
🢒
Chevrolet
🢒
1996
🢒
S10 Pickup - 2WD
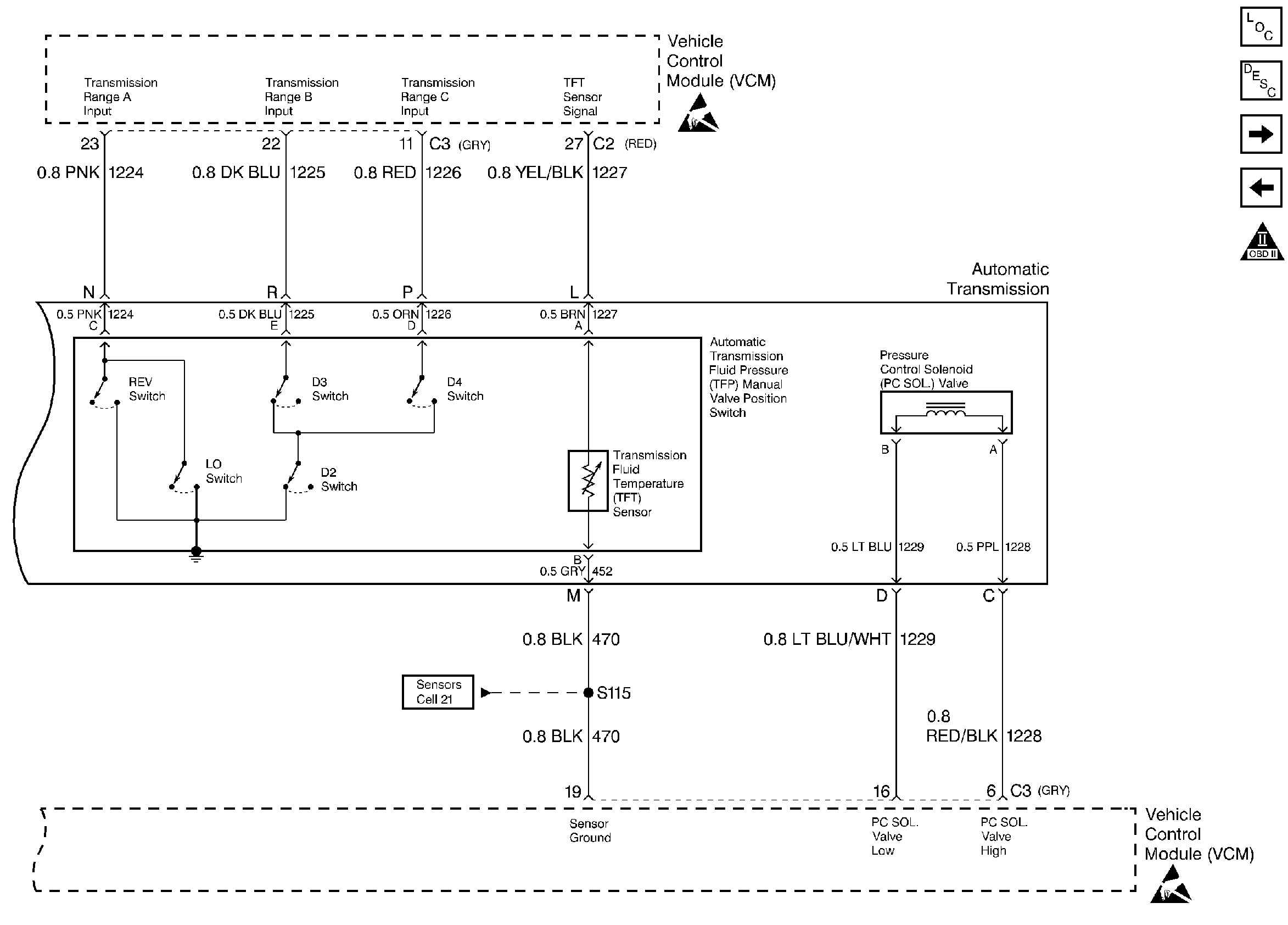
🢒 PC Solenoid
PC Solenoid
PC Solenoid
Handling ESD Sensitive Parts Notice
Handling ESD Sensitive Parts Notice
Engine Controls Components
Transmission Controls Overview
A/C Compressor Relay and A/C Request
Transmission and the TCC
OBD II Symbol Description Notice