GM Service Manual Online
For 1990-2009 cars only

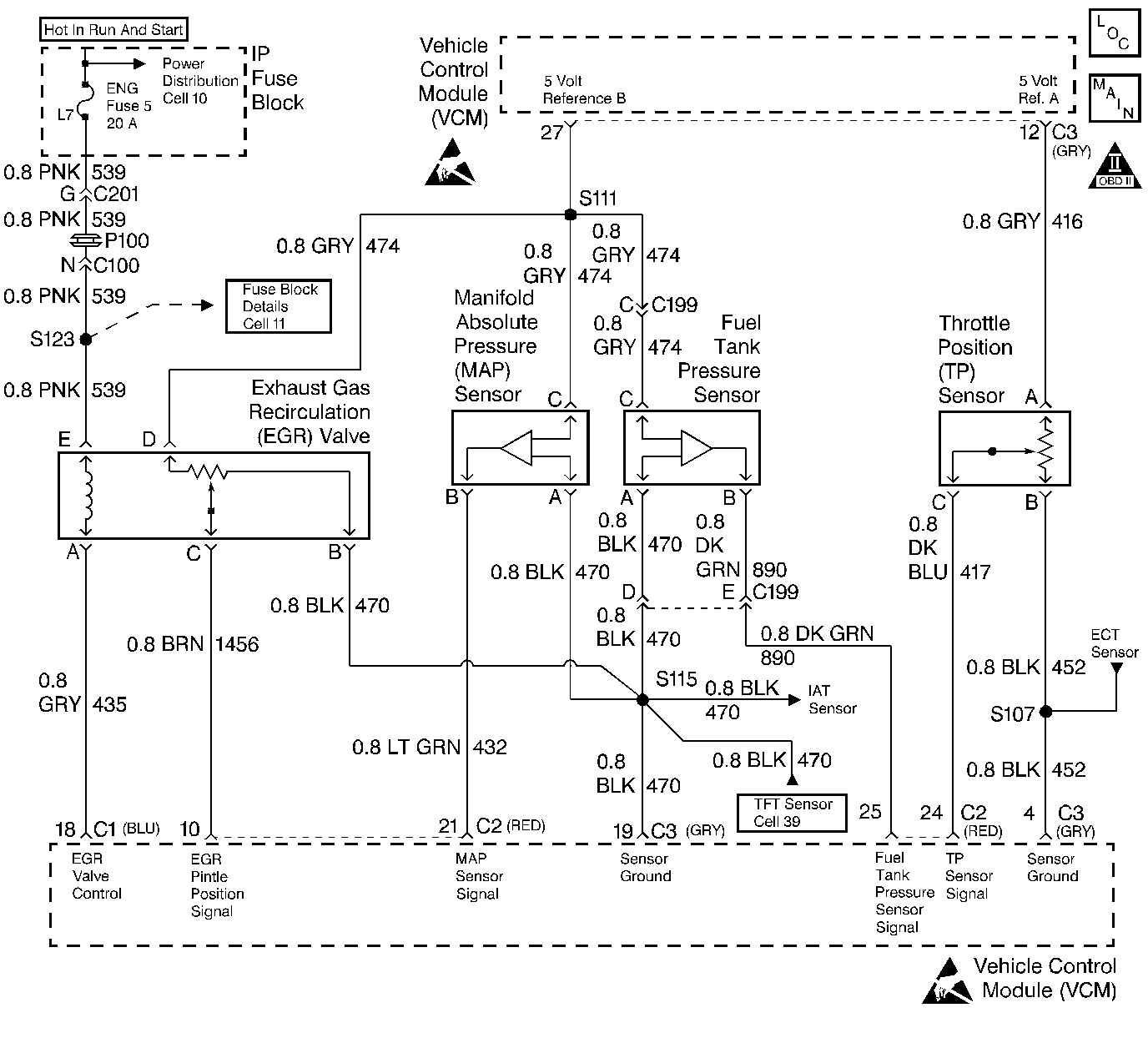
Object Number: 31403  Size: LF
Handling ESD Sensitive Parts Notice
Engine Controls Components
MAP, IAT, TP, ECT, and the Fuel Tank Pressure Sensors
OBD II Symbol Description Notice

Circuit Description

The VCM tests the exhaust gas recirculation valve by momentarily commanding the valve ON while monitoring the MAP. If the expected MAP increase is not seen under certain operating conditions (decel) for a calibrated number of tests, the VCM turns ON the MIL (Malfunction Indicator Lamp), and the VCM stores the DTC P0401. This is a type A DTC.

Conditions for Setting the DTC

The following conditions will set the DTC:

    • The EGR flow test fails if the VCM does not detect a sufficient rise in the MAP during the above conditions.
    • The DTC P0401 sets if the VCM does not detect a sufficient rise in the MAP during the above conditions.

Action Taken When the DTC Sets

With a current DTC set, the VCM turns ON the MIL.

Conditions for Clearing the MIL/DTC

The VCM turns OFF the MIL after 3 consecutive driving trips without a fault condition present. A history DTC will clear if no fault conditions have been detected for 40 warm-up cycles (the coolant temperature has risen 22°C (40°F) from the start-up coolant temperature and the engine coolant temperature exceeds 71°C (160°F) during that same ignition cycle) or the scan tool clearing feature has been used.

Diagnostic Aids

Notice: In order to prevent further damage if the EGR valve shows signs of excessive heat, check the exhaust system for blockage (possibly a plugged converter) using the procedure found on the restricted exhaust system check. If the exhaust system is restricted, repair the cause; one of which might be an injector which is open due to one of the following reasons:

   • Stuck
   • Grounded driver circuit
Check the oil for possible fuel contamination if a stuck open fuel injector is found.

Check for the following conditions:

    • Poor connection or damaged harness - Inspect VCM harness connectors for the following conditions:
       - Backed out terminal BL 18
       - Improper mating
       - Broken locks
       - Improperly formed or damaged terminal
       - Poor terminal to wire connection
       - Damaged harness
    • Intermittent test - If connections and harness check OK, monitor a digital voltmeter connected between terminal BL 18 and ground while moving related connectors and wiring harness. If the failure is induced, the voltage reading will change.

Test Description

The numbers below refer to the step numbers in the diagnostic table.

  1. Ensures that the EGR valve is allowing EGR flow and the VCM is capable of controlling the EGR valve.

  2. Ensures that the EGR LOW signal circuit is not shorted to ground.

  3. Ensures that the EGR LOW signal circuit is not open and that the VCM quad-driver for the EGR LOW signal circuit is functioning properly.

Step

Action

Value(s)

Yes

No

1

Important: Before clearing DTCs, use the scan tool in order to freeze frame and the failure records for reference because the Clear Info function will lose the data.

Was the Powertrain On-Board Diagnostic (OBD) System Check performed?

--

Go to Step 2

Go to Powertrain On Board Diagnostic (OBD) System Check

2

  1. Install the scan tool.
  2. Start the engine.
  3. Select the miscellaneous tests, EGR control with the scan tool and cycle the EGR valve through the 25%, 50%, 75% and 100% positions.
  4. Run the engine above the specified value; the RPM should drop and the engine should run rough as the EGR valve is cycled.

Does the engine run rough as the EGR valve is cycled?

1500 RPM

Go to Step 5

Go to Step 3

3

  1. Turn ON the ignition leaving the engine off.
  2. Disconnect the EGR valve electrical connector.
  3. Connect a test lamp between the EGR valve harness connector terminal A and E.

Is the test lamp off?

--

Go to Step 4

Go to Step 7

4

  1. Start the engine.
  2. Select the miscellaneous test, EGR control with the scan tool.
  3. The test lamp is still connected between EGR valve the harness connector A and E.

Is the test lamp on as the EGR valve is cycled through 100%?

--

Go to Step 8

Go to Step 11

5

  1. Remove the EGR valve.
  2. Inspect the valve and passages for restrictions.
  3. Inspect the valve pintle to ensure that it is not sticking partially open.

Was a problem found?

--

Go to Step 10

Go to Step 6

6

Refer to the Diagnostic Aids.

--

--

--

7

Check for a short to ground in the EGR control circuit.

Was a problem found?

--

Go to Step 14

Go to Step 15

8

Check for a restriction in the EGR tube or passage.

Was a problem found?

--

Go to Step 10

Go to Step 9

9

Check for a poor electrical connection at the EGR valve.

Was a problem found?

--

Go to Step 14

Go to Step 10

10

Replace the faulty EGR valve. Refer to EGR Valve Replacement .

Is the action complete?

--

Go to Step 16

--

11

Check for an open in EGR control circuit.

Was a problem found?

--

Go to Step 14

Go to Step 12

12

Check for an open in EGR power feed circuit.

Was a problem found?

--

Go to Step 14

Go to Step 13

13

Check for a poor connection at the VCM.

Was a problem found?

--

Go to Step 14

Go to Step 15

14

Repair the circuit as necessary. Refer to Wiring Repairs in Engine Electrical.

Is the action complete?

--

Go to Step 16

--

15

Replace the VCM.

Important:  If the VCM is faulty, reprogram the VCM. Refer to VCM Replacement/Programming .

Is the repair complete?

--

Go to Step 16

--

16

  1. Using the scan tool, select the DTC and the Clear Info.
  2. Start the Engine.
  3. Idle at the normal operating temperature.
  4. Select the DTC and the Specific.
  5. Enter the DTC number which was set.
  6. Operate the vehicle within the conditions for setting this DTC as specified in the supporting text.

Does the scan tool indicate that this diagnostic ran and passed?

--

Go to Step 17

Go to Step 2

17

Using the scan tool, select the Capture Info and the Review Info.

Are any DTCs displayed that have not been diagnosed?

--

Go to The Applicable DTC Table

System OK