GM Service Manual Online
For 1990-2009 cars only

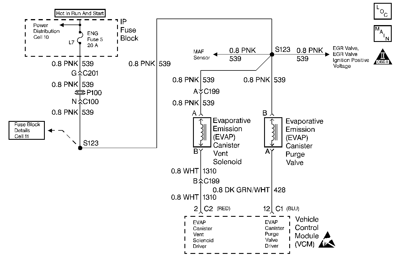
Object Number: 31496  Size: MF
Handling ESD Sensitive Parts Notice
Engine Controls Components
MAF, EVAP, and the EGR
OBD II Symbol Description Notice

Circuit Description

The evaporative system includes the following components:

    • The fuel tank
    • The EVAP vent solenoid
    • The fuel tank pressure sensor
    • The fuel pipes and hoses
    • The vapor lines
    • The fuel cap
    • The evaporative emission canister
    • The purge lines
    • The EVAP purge solenoid

The evaporative leak detection diagnostic strategy is based on applying a vacuum to the EVAP system and monitoring the vacuum decay. The VCM monitors vacuum level via the fuel tank vacuum sensor input. At an appropriate time, the EVAP purge solenoid and the EVAP vent solenoid are turned ON, allowing the engine vacuum to draw a small vacuum on the entire evaporative emission system. After the desired vacuum level has been achieved, the EVAP purge solenoid turns OFF, sealing the system. A leak is detected by monitoring for a decrease in the vacuum level over a given time period with all other variables remaining constant. A small leak in the system will cause DTC P0442 to be set. This DTC is a Type A DTC.

Conditions for Setting the DTC

The following conditions will set the DTC:

  1. No MAP sensor DTCs
  2. No TP sensor DTCs
  3. No VSS DTCs
  4. No HO2S DTCs
  5. No ECT DTCs
  6. The DTC P0125 not active
  7. No IAT sensor DTCs
  8. No Fuel Level DTCs
  9. The ECT is greater than 3.75°C (38.75°F) but less than 30°C (86°F).
  10. The IAT is greater than 3.75°C (38.75°F) but less than 30°C (86°F).
  11. Start up ECT is not more than 8.25°C (46.85°F) greater than the start up IAT.
  12. Start up IAT is not more than 1.5°C (34.7°F) greater than the start up ECT.
  13. The Fuel Level is greater than 10% and 85%.
  14. The Baro is greater than 72.5 kPa.
  15. The System Voltage is greater than 10 volts but less than 17 volts..
  16. The rate of vacuum decay between the vent valve and the EVAP purge solenoid is too great..

Action Taken When the DTC Sets

    • The VCM illuminates the MIL during the second key cycle in which the DTC sets.
    • The VCM stores the conditions which were present when the DTC sets as the Freeze Frame and the Fail Records data.

Conditions for Clearing the MIL/DTC

The following conditions will clear the DTC:

    • The VCM turns the MIL OFF on the third consecutive trip cycle during which the diagnostic has been run and the fault condition is no longer present
    • A history DTC clears after 40 consecutive warm-up cycles have occurred without a fault
    • The scan tool Clear Info function or disconnecting the VCM battery feed can clear the DTC

Diagnostic Aids

Check for the following conditions:

    • Damaged O-rings at the EVAP canister fuel vapor and purge line fittings
    • A cracked or punctured EVAP canister
    • A damaged source vacuum line, an EVAP purge line, a vent hose or fuel tank vapor line
    • A poor connection at the VCM: Inspect the harness connectors for the following conditions:
       - Backed out terminals
       - Improper mating
       - Broken locks
       - Improperly formed or damaged terminals
       - A poor terminal to wire connection
    • A damaged harness: Inspect the wiring harness to the EVAP vent solenoid EVAP purge solenoid and the fuel tank pressure sensor for an intermittent open or short circuit.
    • A missing or damaged weather-pack on the EVAP Purge Solenoid connector.

Refer to Carbon Particle Removal from EVAP System before starting the repairs.

Reviewing the Fail Records vehicle mileage since the diagnostic test last failed may help determine how often the condition that caused the DTC to set occurs. This may assist in diagnosing the condition.

Test Description

The numbers below refer to the step numbers on the diagnostic table

  1. This step checks the fuel tank pressure sensor at ambient pressure. The fuel tank pressure sensor is zeroed at every key on to compensate for changes in atmospheric pressure.

  2. This step verifies that the fuel tank pressure accurately reacts to EVAP system pressure changes.

Step

Action

Value(s)

Yes

No

1

Important: Before clearing the DTCs, use the scan tool to record the Freeze Frame and the Failure Records for reference. This data will be lost when the Clear Info function is used.

Was the Powertrain On-Board Diagnostic (OBD) System Check performed?

--

Go to Step 2

Go to Powertrain On Board Diagnostic (OBD) System Check

2

  1. Turn off the ignition.
  2. Install a scan tool.
  3. Remove the fuel cap.
  4. Turn ON the ignition.
  5. Observe the Fuel Tank Vacuum on the scan tool.

Is the Fuel Tank Pressure at the specified value?

0 in. H2O ±1 in. H2O

Go to Step 3

Go to Evaporative Emission Control System Diagnosis

3

Important: Before continuing with the diagnosis, zero the EVAP Pressure and Vacuum gauges on the Enhanced EVAP Pressure Purge Diagnostic Cart J 41413. Refer to tool operating instructions.

  1. Replace the fuel cap.
  2. Connect the Enhanced EVAP Pressure Purge Diagnostic Cart J 41413 to the EVAP service port.
  3. Using the scan tool, command the EVAP vent valve ON (Closed).
  4. Pressurize the EVAP system to the specified value using the Enhanced EVAP Pressure Purge Diagnostic Cart J 41413 (monitor the pressure by using the gauge on the cart).
  5. Observe the Fuel Tank Pressure on the scan tool.

Is the Fuel Tank Pressure at the specified value?

5 in. H2O

5 in. H2O

(±1 in. H2O

Go to Step 4

Go to Evaporative Emission Control System Diagnosis

4

  1. Turn the ignition ON leaving the engine off.
  2. Using the scan tool, command the EVAP vent valve on (Closed).
  3. Pressurize the EVAP system to the specified value using the Enhanced EVAP Pressure Purge Diagnostic Cart J 41413.
  4. Monitor pressure using gauge on cart.
  5. Switch the rotary switch on the cart to HOLD and observe the EVAP pressure gauge.

Does the pressure decrease to less than the specified value within 2 minutes?

15 in. H2O

10 in. H2O

Go to Step 5

Refer to Diagnostic Aids

5

  1. Disconnect the fuel tank vapor line and the EVAP purge line from the EVAP canister.
  2. Block the fuel tank vapor line fitting on the canister.
  3. Connect a hand vacuum pump to the EVAP purge line fitting on the canister.
  4. Ensure that the EVAP vent valve is still commanded on (Closed).
  5. Attempt to apply vacuum to the canister.

Can the specified vacuum be maintained?

5 in. Hg

Go to Step 8

Go to Step 6

6

  1. Visually and physically check for the following conditions:
  2. • Vent hose disconnected or damaged
    • EVAP canister damaged
  3. If a problem is found, repair as necessary. Refer to Diagnostic Aids.

Was a problem found?

--

Go to Step 10

Go to Step 7

7

Replace the EVAP vent valve. Refer to Diagnostic Aids. Refer to EVAP Vent Valve Replacement .

Is action complete?

--

Go to Step 10

--

8

  1. Visually and physically check for the following conditions:
  2. • Faulty fuel cap
    • Leaking fuel tank vapor line
    • Damaged EVAP purge line
  3. If a problem is found, repair as necessary. Refer to Diagnostic Aids.

Was a problem found?

--

Go to Step 10

Go to Step 9

9

  1. Using the scan tool, command the EVAP vent valve ON.
  2. With the Enhanced EVAP Pressure Purge Diagnostic Cart J 41413 connected to the EVAP service port attempt to pressurize the EVAP system by leaving the cart control knob in the pressurize position.
  3. Using the Enhanced EVAP Ultrasonic Leak Detector J 41416, locate the leak in the EVAP system.
  4. Repair the leak in the EVAP system. It may be necessary to partially lower the fuel tank to examine the top of the tank connections. Refer to Diagnostic Aids.

Is the action complete?

--

Go to Step 10

--

10

  1. Turn the ignition ON leaving the engine off.
  2. Using the scan tool, command the EVAP vent valve ON (Closed).
  3. Pressurize the EVAP system to the specified value using the Enhanced EVAP Pressure Purge Diagnostic Cart J 41413.
  4. Monitor pressure using gauge on cart.
  5. Switch the rotary switch on the cart to HOLD.
  6. Observe the EVAP pressure gauge.

Does the pressure decrease to less than the specified value within 2 minutes?

15 in. H2O 10 in. H2O

Go to Step 2

System OK