GM Service Manual Online
For 1990-2009 cars only

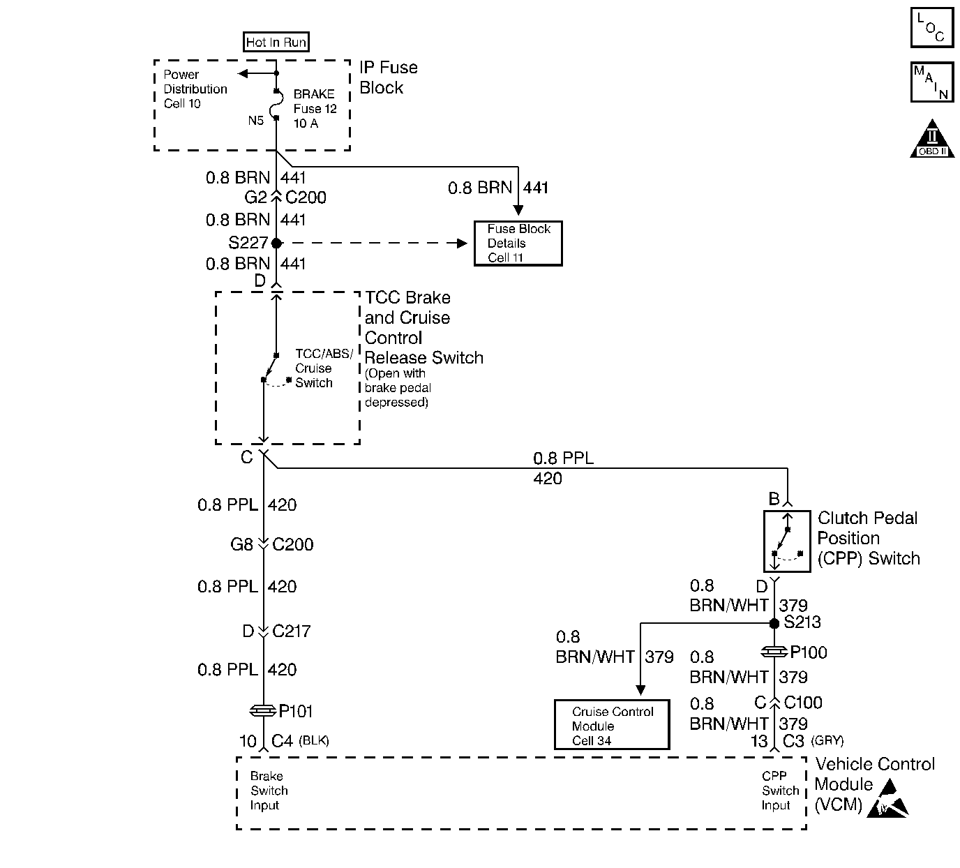
Object Number: 31439  Size: LF
Handling ESD Sensitive Parts Notice
Engine Controls Components
Transmission and the TCC
OBD II Symbol Description Notice

Circuit Description

This DTC determines if the Transmission Clutch Switch has failed by looking for a clutch switch transition within a range from 0 mph to some higher speed. This DTC is a type B DTC.

Conditions for Setting the DTC

The following conditions will set the DTC:

    • No VSS DTCs
    • Vehicle speed is greater than 40 mph.
    • No clutch transitions detected

Action Taken When the DTC Sets

The VCM turns the MIL (Malfunction Indicator Lamp) ON after 2 consecutive trips with the fault present.

Conditions for Clearing the MIL/DTC

The VCM turns OFF the MIL after 3 consecutive driving trips without a fault condition present. A history DTC will clear if no fault conditions have been detected for 40 warm-up cycles (the coolant temperature has risen 22°C (40°F) from the start-up coolant temperature and the engine coolant temperature exceeds 71°C (160°F) during that same ignition cycle) or the scan tool clearing feature has been used.

Step

Action

Value(s)

Yes

No

1

Important: Before clearing the DTCs, use the scan tool to record the Freeze Frame and the Failure Records for reference. This data will be lost when the Clear Info function is used.

Was the Powertrain On-Board Diagnostic (OBD) System Check performed?

--

Go to Step 2

Go to Powertrain On Board Diagnostic (OBD) System Check

2

  1. Turn off the ignition.
  2. Install a scan tool.
  3. Turn ON the ignition leaving the engine off.
  4. Using the scan tool, display the Clutch Switch parameter.
  5. Engage the clutch, and disengage the clutch. Repeat this several times

Does the scan tool display change states when the Clutch is engaged and disengaged?

--

Go to Step 7

Go to Step 3

3

Check for a blown brake fuse.

Was the fuse blown?

--

Go to Step 8

Go to Step 4

4

  1. Turn OFF the ignition.
  2. Disconnect the Clutch Switch connector.
  3. Jumper the Clutch Switch ignition feed to the Clutch Switch signal circuit.
  4. Turn ON the ignition ON leaving the engine off.

Does the scan tool display Clutch Switch on?

--

Go to Step 5

Go to Step 6

5

Remove the jumper.

Does the scan tool display Clutch Switch OFF?

--

Go to Step 11

Go to Step 9

6

Check for an open in the Clutch signal circuit.

Was a problem found?

--

Go to Step 12

Go to Step 10

7

Problem is intermittent, Refer to Intermittent Conditions .

--

--

--

8

  1. Check for the conditions for the blown brake fuse.
  2. Repair as necessary.
  3. Replace the blown fuse.

Is the action complete?

--

Go to Step 14

--

9

Check for a short to B+ on the Clutch Switch signal circuit.

Was a problem found?

--

Go to Step 12

Go to Step 13

10

Check for poor terminal contact for the Clutch Switch signal circuit at the VCM connector.

Was a problem found?

--

Go to Step 12

Go to Step 13

11

Replace the Clutch Switch.

Is the action complete?

--

Go to Step 14

--

12

Repair as necessary.

Is the action complete?

--

Go to Step 14

--

13

Replace the VCM.

Important:  If the VCM is faulty, reprogram the VCM. Refer to VCM Replacement/Programming .

Is the action complete?

--

Go to Step 14

--

14

  1. Using the scan tool, select the DTC and the Clear Info.
  2. Start the Engine.
  3. Idle at the normal operating temperature.
  4. Select the DTC and the Specific.
  5. Enter the DTC number which was set.
  6. Operate the vehicle within the conditions for setting this DTC as specified in the supporting text.

Does the scan tool indicate that this diagnostic ran and passed?

--

Go to Step 15

Go to Step 2

15

Using the scan tool, select the Capture Info and the Review Info.

Are any DTCs displayed that have not been diagnosed?

--

Go to The Applicable DTC Table

System OK