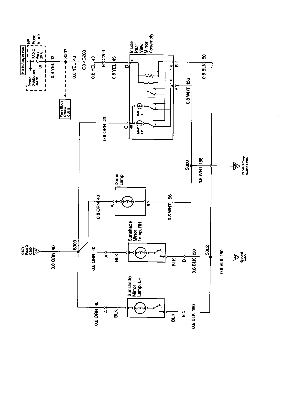
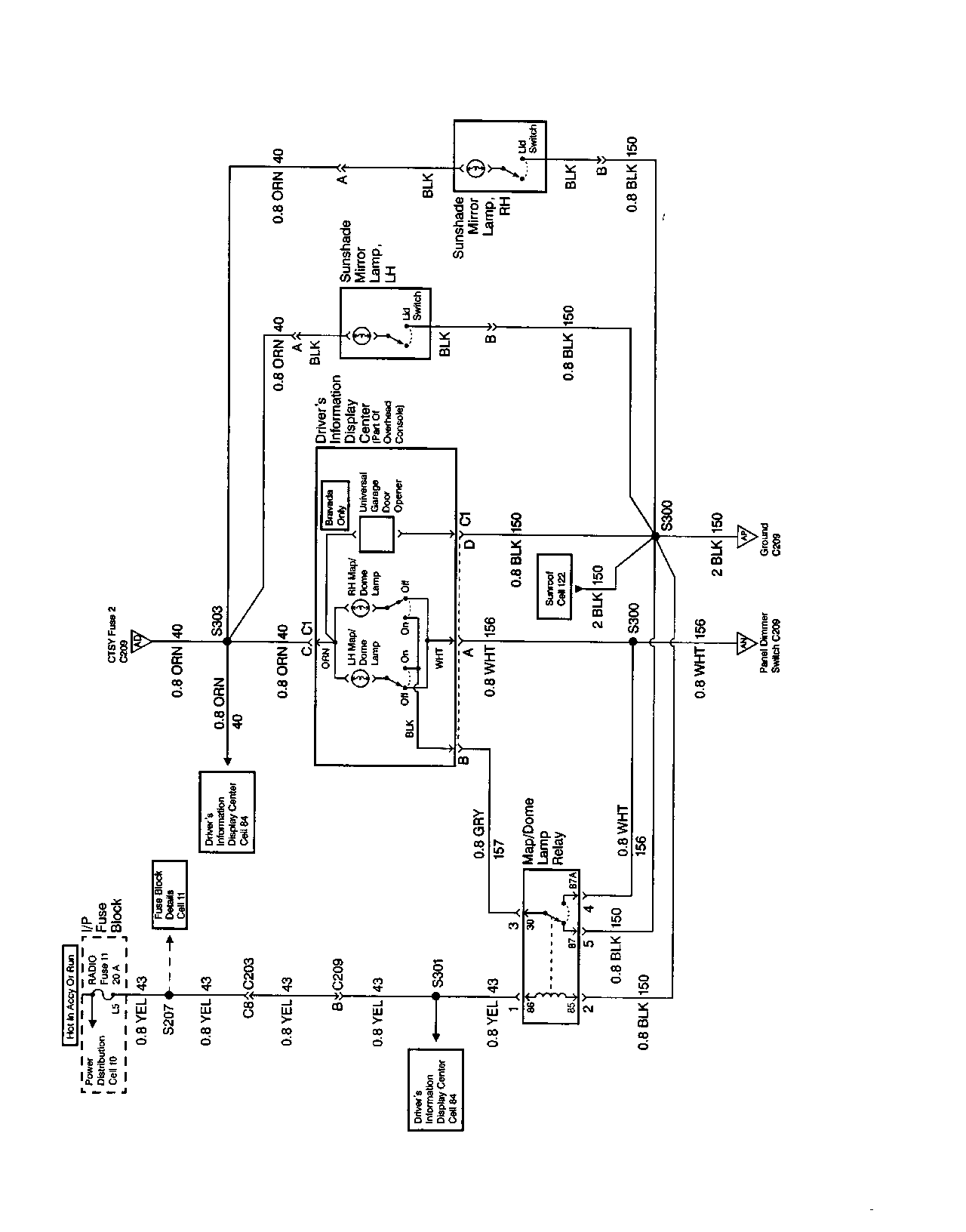
THIS BULLETIN REVISES SECTION 8A-114 - INTERIOR LIGHTS FOR THE 1997 MODEL YEAR. THIS UPDATES THREE PAGES OF SCHEMATICS AND SUPPLIES ADDITIONAL DIAGNOSTICS.
EXPLICITLY, PAGES 8A-114-5, 8A-114-17 AND 8A-114-19 WILL BE REPLACED AND THE DIAGNOSTICS WILL BE ADDED TO THE INFORMATION THAT IS ALREADY IN THE SECTION.
FIGURES: 0 ATTACHMENTS: 9
GENERAL MOTORS BULLETINS ARE INTENDED FOR USE BY PROFESSIONAL TECHNICIANS, NOT A "DO-IT-YOURSELFER". THEY ARE WRITTEN TO INFORM THOSE TECHNICIANS OF CONDITIONS THAT MAY OCCUR ON SOME VEHICLES, OR TO PROVIDE INFORMATION THAT COULD ASSIST IN THE PROPER SERVICE OF A VEHICLE. PROPERLY TRAINED TECHNICIANS HAVE THE EQUIPMENT, TOOLS, SAFETY INSTRUCTIONS AND KNOW-HOW TO DO A JOB PROPERLY AND SAFELY. IF A CONDITION IS DESCRIBED, DO NOT ASSUME THAT THE BULLETIN APPLIES TO YOUR VEHICLE, OR THAT YOUR VEHICLE WILL HAVE THAT CONDITION. SEE A GENERAL MOTORS DEALER SERVICING YOUR BRAND OF GENERAL MOTORS VEHICLE FOR INFORMATION ON WHETHER YOUR VEHICLE MAY BENEFIT FROM THE INFORMATION.
COPYRIGHT 1996 GENERAL MOTORS CORPORATION. ALL RIGHTS RESERVED.