GM Service Manual Online
For 1990-2009 cars only
Makes
🢒
Chevrolet
🢒
1997
🢒
S10 Pickup - 2WD
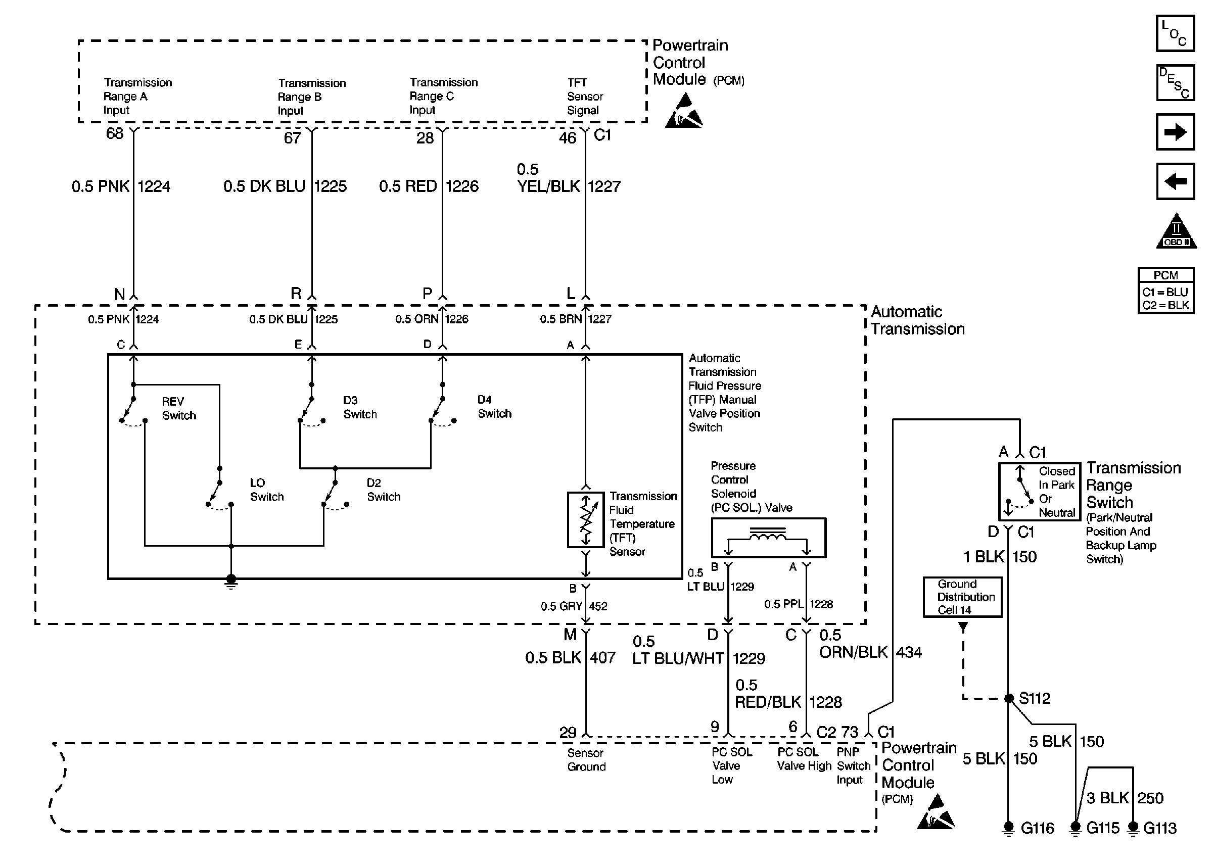
🢒 Transaxle Controls (Switches)
Transaxle Controls (Switches)
Transaxle Controls (Switches)
Engine Controls Components
Powertrain Control Module (PCM) Control Modules
VSS and Cruise Control
Transaxle Controls (Solenoids)
OBD II Symbol Description Notice
Handling Electrostatic Discharge Sensitive Parts Notice
Handling Electrostatic Discharge Sensitive Parts Notice