GM Service Manual Online
For 1990-2009 cars only

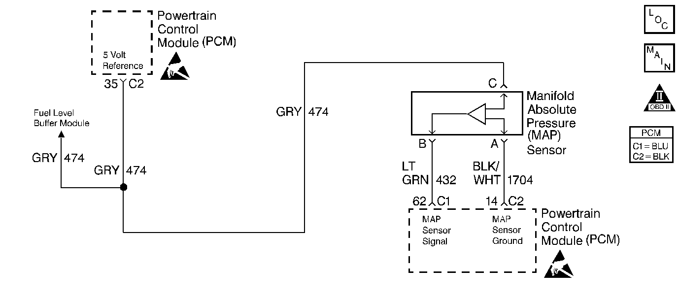
Object Number: 56089  Size: SF
Engine Controls Components
Engine Data Sensors
OBD II Symbol Description Notice
Engine Controls Connector End Views
Handling ESD Sensitive Parts Notice
Handling ESD Sensitive Parts Notice

Circuit Description

The PCM uses the MAP sensor to control fuel delivery and ignition timing. The Manifold Absolute Pressure (MAP) sensor measures the changes in the intake manifold pressure which results from engine load (intake manifold vacuum) and RPM changes due to Throttle Position (TP) changes; and converts these changes into a voltage output. The PCM can detect if the MAP sensor is not responding to the TP changes by comparing the actual MAP change to a predicted MAP change based on the amount of TP change that occurs. If the PCM does not see the expected MAP change or more, a DTC P0106 will set.

Conditions for Setting the DTC

DTC(s) P0107 or P0108 are not set.

Idle Test

    • Engine speed is greater than 900 RPM.
    • MAP is less than 54.6 kPa.
    • Throttle Position (TP) is less than 50% and changes more than 12%.

And

MAP does not change as expected when the TP changes.

Cruise Test

    • MAP is less than 54.6 kPa.
    • Throttle Position (TP) is less than 50% and changes more than 12%.

And

MAP does not change as expected when the TP changes.

Action Taken When the DTC Sets

    • The Malfunction Indicator Lamp (MIL) illuminates.
    • The PCM records the operating conditions at the time the diagnostic fails. The Freeze Frame and Failure Records buffers stores this information.
    • A history DTC is stored.
    • The PCM substitutes a fixed MAP value. The PCM uses the throttle position in order to control the fuel delivery. The scan tool will not show the defaulted value.
    • The vehicle will opeerate in Open Loop when the vehicle is under 5 mph. The vehicle will operate in Closed Loop when the vehicle is over 5 mph.

Conditions for Clearing the MIL/DTC

    • The MIL will turn OFF after three consecutive ignition cycles in which the diagnostic runs without a fault.
    • A history DTC will clear after 40 consecutive warm-up cycles without a fault.
    • The MIL/DTCs can be cleared by using the scan tool.

Diagnostic Aids

    • With the ignition turn ON and the engine stopped, the manifold pressure is equal to atmospheric pressure and the signal voltage will be high. This information is used by the PCM as an indication of the vehicle altitude. Comparison of this reading with a known good vehicle with the same sensor is a good way to check the accuracy of a suspect sensor. Readings should be the same +/-0.4 volt.
    • The MAP sensor vacuum source should be thoroughly checked for restrictions at the intake manifold.

Test Description

Number(s) below refer to the step number(s) on the Diagnostic Table.

  1. The Powertrain OBD System Check prompts the technician to complete some basic checks and store the freeze frame and failure records data on the scan tool if applicable. This creates an electronic copy of the data taken when the fault occurred. The information is then stored on the scan tool for later reference.

  2. A sensor that displays an ignition ON, engine OFF BARO value that does not appear normal for the altitude the vehicle is in should be considered to be malfunctioning.

  3. While starting the engine, the MAP sensor should detect any changes in the manifold pressure. This test is to determine if the sensor is stuck at a value.

  4. A normal MAP sensor will react as quickly to the throttle changes as they can be made. A sensor should not appear to be lazy or catch up with the throttle movements.

  5. This step checks if the reason for no MAP change was due to a faulty sensor or vacuum source to the sensor.

  6. The MAP sensor vacuum source should be thoroughly checked for restrictions. A drill bit can be used to clean out any casting flash that may exist in the vacuum port.

  7. The MAP sensor vacuum source should be thoroughly checked for restrictions. A drill bit can be used to clean out any casting flash that may exist in the vacuum port.

  8. The MAP Sensor System Performance diagnostic may have to complete several tests before determining if the diagnostic has passed or failed the last test. Operate the vehicle in the Conditions for Setting the DTC several times to ensure that the diagnostic runs enough tests to pass of fail.

  9. If no faults have been found at this point and no additional DTCs were set, refer to Diagnostic Aids for additional checks and information.

DTC P0106 - Manifold Absolute Pressure (MAP) Sensor System Performance

Step

Action

Value(s)

Yes

No

1

Was the Powertrain On-Board Diagnostic (OBD) System Check performed?

--

Go to Step 2

Go to Powertrain On Board Diagnostic (OBD) System Check

2

  1. Install a scan tool.
  2. Turn the ignition switch ON with the engine not running.
  3. Compare the BARO reading with a known good vehicle.

Is the BARO reading normal for your altitude.

--

Go to Step 3

Go to Step 8

3

Start the engine while watching the MAP sensor value.

Does the MAP sensor value change while starting the engine?

--

Go to Step 4

Go to Step 5

4

With the engine still running, snap the throttle while watching the MAP sensor display on the scan tool.

Does the MAP sensor value change rapidly with the throttle position changes?

--

Go to Step 9

Go to Step 6

5

  1. Disconnect the MAP sensor vacuum hose and install a vacuum gage to the MAP sensor.
  2. Turn the ignition switch on, with the engine OFF.
  3. Apply 15 in Hg to the MAP sensor.

Does the MAP sensor value on the scan tool change?

--

Go to Step 7

Go to Step 8

6

  1. Remove the MAP sensor hose from the manifold port.
  2. Inspect the port and the hose for restrictions and repair as necessary.

Was a repair necessary?

--

Go to Step 9

Go to Step 8

7

Repair the restriction in the MAP sensor vacuum port or hose.

Is the action complete?

--

Go to Step 9

--

8

Replace the MAP sensor.

Is the action complete?

--

Go to Step 9

--

9

Using the scan tool, clear DTCs

Start the engine and idle at normal operating temperature

Operate the vehicle within the conditions for setting this DTC as supported in the text.

Does the scan tool indicate that this diagnostic ran and passed?

--

Go to Step 10

Go to Step 2

10

Check if any additional DTCs are set.

Are any DTCs displayed that have not been diagnosed?

--

Go to applicable DTC Table

System OK, refer to Diagnostic Aids.