GM Service Manual Online
For 1990-2009 cars only

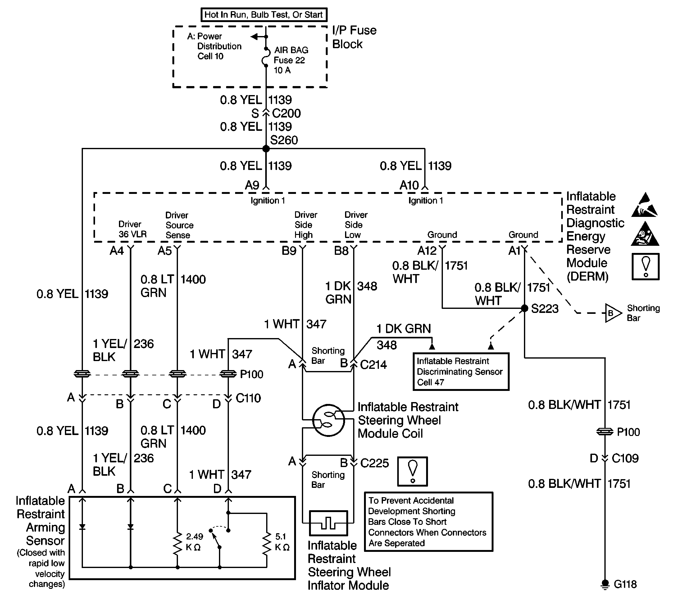
Object Number: 39349  Size: LF

Circuit Description

The inflatable restraint Diagnostic Energy Reserve Module (DERM) delays charging the Driver 36 VLR power supply during the Turn On tests at the beginning of each ignition cycle. During this delay, the DERM measures the voltage at the Driver 36 VLR terminal A4 and the Driver Source Sense terminal A5. When the driver reserve diode is shorted, the DERM measures the Ignition 1 voltage at the Driver 36 VLR from the forward biased driver ignition diode. When the Driver 36 VLR voltage measures within a specified Ignition 1 range for eight consecutive Turn On tests, the History DTC B1083 sets.

Conditions for Setting the DTC

The DTC sets when:

    • The Driver 36 VLR terminal A4 voltage measures within the Ignition 1 voltage's specified range for eight consecutive Turn On tests.
    • The DERM does not detect any higher priority faults.

This test runs once each ignition during the Turn On test with the active 36 VLR delay.

Action Taken When the DTC Sets

The DERM sets a history diagnostic trouble code.

Conditions for Clearing the DTC

The DTC clears when the voltage at the Driver 36 VLR terminal A4 indicates that during the Turn On tests, the power supply is in a discharged state (measured voltage equals zero).

Diagnostic Aids

This diagnostic trouble code will not set as a current DTC. Therefore, follow the DTC table to diagnose this malfunction.

Test Description

Refer to step numbers on the diagnostic table.

  1. This test determines if the malfunction is due to a shorted driver reserve diode within the Arming Sensor.

When measurements are requested in this table, use J 39200 Digital Multimeter with correct terminal adapter from J 35616 Connector Test Adapter Kit. When a check for proper connection is requested, refer to Intermittents and Poor Connections in Section 8A4. When a wire, connector or terminal repair is requested, use J-38125 Terminal Repair Kit and refer to Wiring Repair.

DTC B1083- Driver Reserve Diode Shorted

Step

Action

 

Value

Yes

No

1

Was the SIR Diagnostic System Check performed ?

--

Go to Step 2

Go to SIR Diagnostic System Check

2

  1. Turn OFF the ignition switch.
  2. Disconnect the yellow 2-way electrical connector C214 at the base of the steering column and connect the harness side of the connector to SIR Driver/Passenger Load Tool J 38715-A.
  3. Disconnect the DERM.
  4. Turn ON the ignition switch.
  5. Measure the voltage on the DERM electrical harness connector from terminal A4 to terminal A12 (ground).

Is the voltage less than the specified value?

1 V

Go to Integrity Check

Go to Step 3

3

  1. Turn OFF the ignition switch.
  2. Disconnect J 38715-A.
  3. Replace the inflatable restraint arming sensor. Refer to Inflatable Restraint Arming Sensor .

Has the sensor been replaced?

--

Go to Step 4

--

4

  1. Reconnect all the SIR system components.
  2. Ensure that the components are properly mounted.

Have all the SIR system components been reconnected and mounted?

--

Go to Step 5

--

5

Clear the SIR Diagnostic Trouble Codes.

Have the SIR Diagnostic Trouble Codes been cleared?

--

Go to SIR Diagnostic System Check

--