GM Service Manual Online
For 1990-2009 cars only
Makes
🢒
Chevrolet
🢒
1998
🢒
S10 Pickup - 2WD
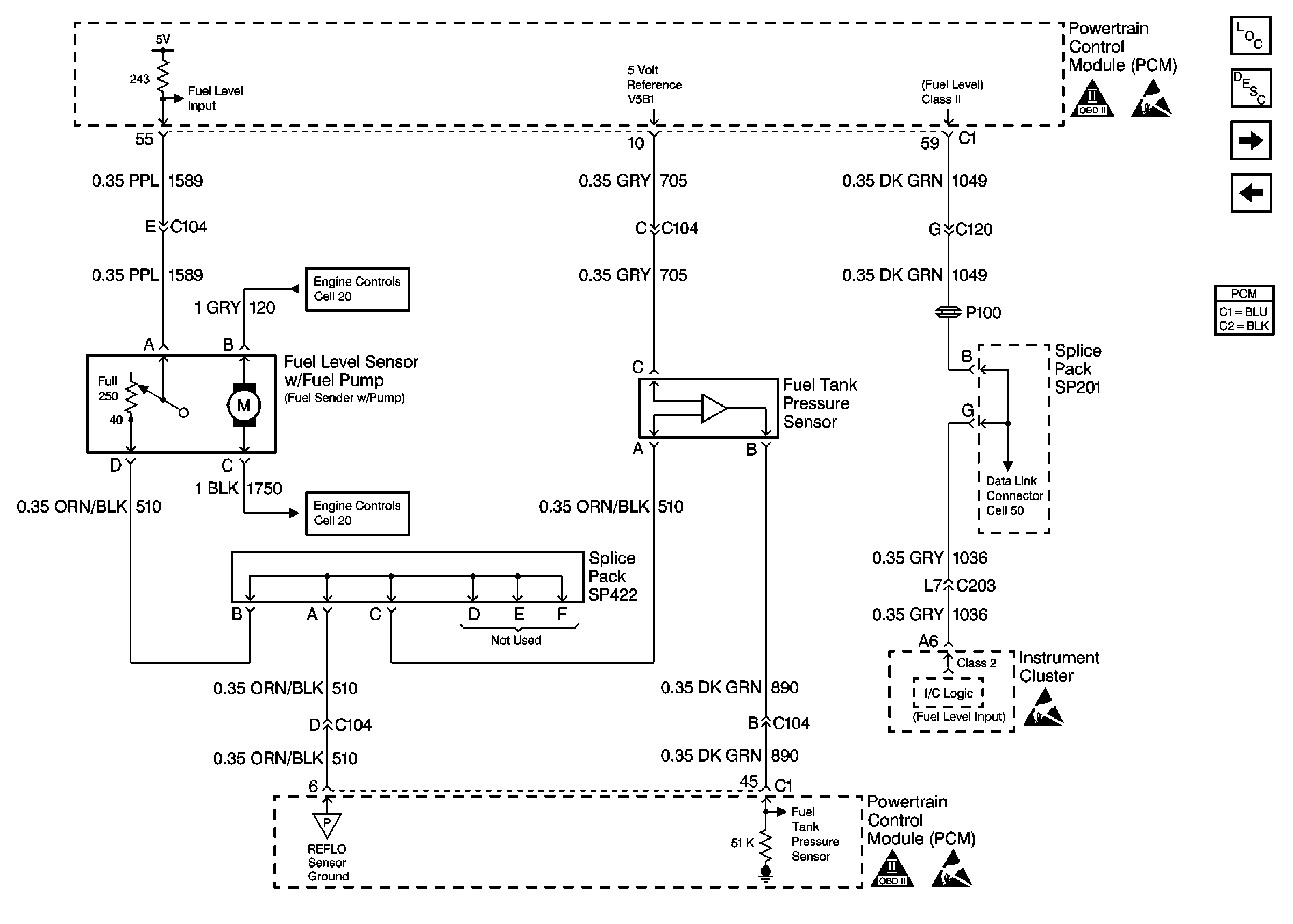
🢒 Fuel Level And Fuel Tank Pressure Sensors
Fuel Level And Fuel Tank Pressure Sensors
Fuel Level And Fuel Tank Pressure Sensors
Fuel Injectors And Fuel Pump
Fuel Injectors And Fuel Pump
OBD II Symbol Description Notice
Handling Electrostatic Discharge Sensitive Parts Notice
Handling Electrostatic Discharge Sensitive Parts Notice
OBD II Symbol Description Notice
Handling Electrostatic Discharge Sensitive Parts Notice
Engine Controls Components
Powertrain Control Module Description
Fuel Injectors And Fuel Pump
Ignition Controls