GM Service Manual Online
For 1990-2009 cars only
Makes
🢒
Chevrolet
🢒
1998
🢒
S10 Pickup - 2WD
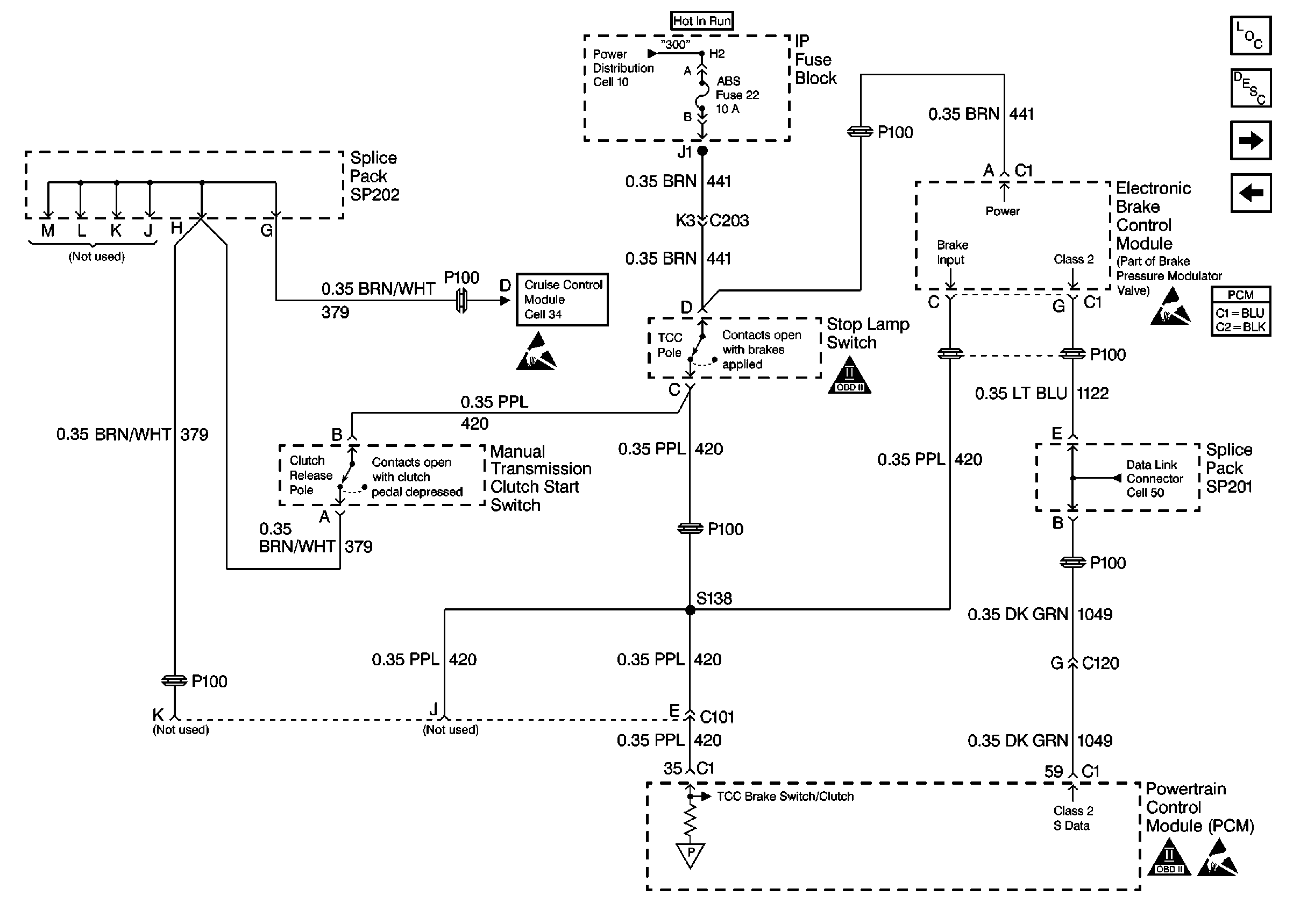
🢒 Brake Switch Input W/ M/T, W/ Cruise
Brake Switch Input W/ M/T, W/ Cruise
Brake Switch Input W/ M/T, W/ Cruise
Engine Controls Components
Powertrain Control Module Description
Brake Switch Input W/ A/T, W/ Cruise
Brake Switch Input W/ A/T, W/O Cruise
Handling Electrostatic Discharge Sensitive Parts Notice
OBD II Symbol Description Notice
Handling Electrostatic Discharge Sensitive Parts Notice
OBD II Symbol Description Notice
Handling Electrostatic Discharge Sensitive Parts Notice