GM Service Manual Online
For 1990-2009 cars only
Makes
🢒
Chevrolet
🢒
1998
🢒
S10 Pickup - 2WD
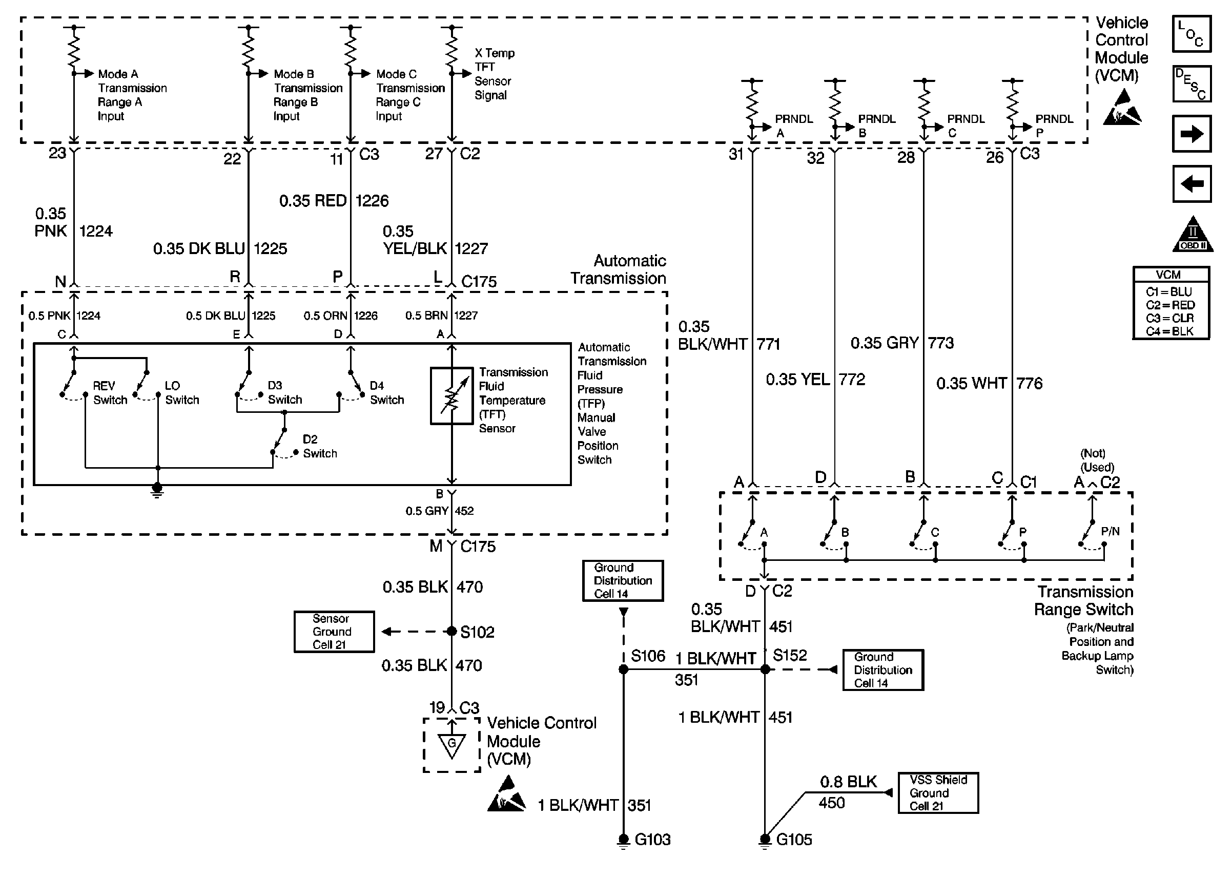
🢒 Automatic Transmission Switch Inputs
Automatic Transmission Switch Inputs
Automatic Transmission Switch Inputs
Utility Engine Sensors
Handling Electrostatic Discharge Sensitive Parts Notice
Handling Electrostatic Discharge Sensitive Parts Notice
Engine Controls Components
Vehicle Control Module Description
Manual A/C Compressor Control
Automatic Transmission Valve Controls
OBD II Symbol Description Notice