GM Service Manual Online
For 1990-2009 cars only
Makes
🢒
Chevrolet
🢒
1998
🢒
S10 Pickup - 2WD
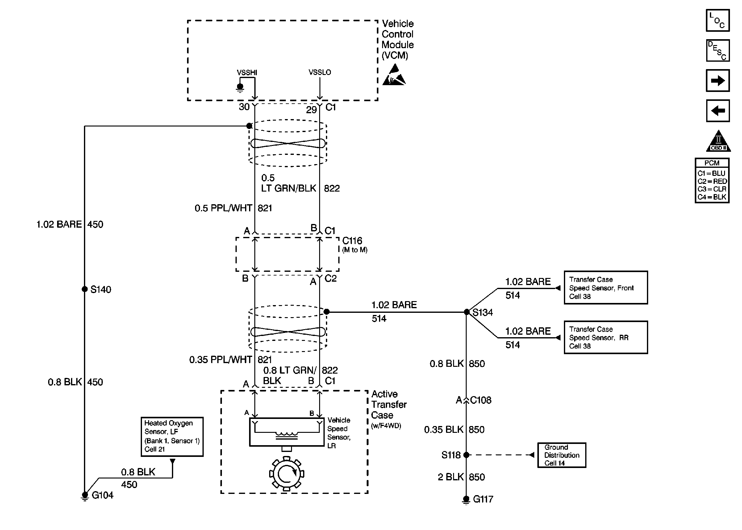
🢒 Vehicle Speed Sensor W/ Auto 4WD
Vehicle Speed Sensor W/ Auto 4WD
Vehicle Speed Sensor W/ Auto 4WD
Heated Oxygen Sensors
Handling Electrostatic Discharge Sensitive Parts Notice
Cell 38: Transfer Case Vehicle Speed Sensors
Cell 38: Transfer Case Vehicle Speed Sensors
Engine Controls Components
Vehicle Control Module Description
Vehicle Speed Outputs And Overhead Console Link
Vehicle Speed Sensor W/ 2WD Or Electric Shift 4WD
OBD II Symbol Description Notice