GM Service Manual Online
For 1990-2009 cars only

DTC B0176 Output Air Temp Sensor 1 Circuit High Upper


Object Number: 283799  Size: LF

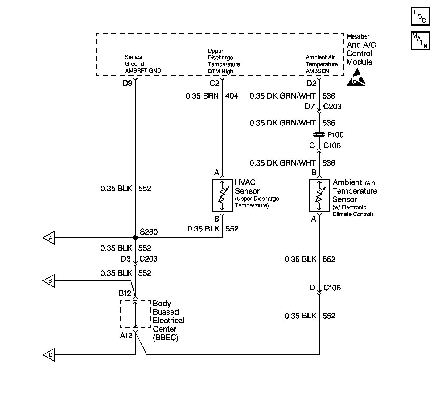
Circuit Description

When the ignition is ON, the heater and A/C control module will detect this fault any time that CKT 404 is at or near 5 volts or higher. Refer to Sensor Resistance Table .

Conditions for Setting the DTC

When the ignition is ON, the heater and A/C control module will detect DTC B0176 any time that CKT 404 is at or near 5 volts or higher.

Action Taken When the DTC Sets

The heater and A/C control module will use a default value of 10 A/D counts until the fault is cleared.

Conditions for Clearing the MIL/DTC

This fault will clear as soon as the fault goes away or has been repaired. The system will then return to normal operation. History DTCs can only be cleared by removing and restoring B+ or by using the scan tool.

Diagnostic Aids

    • The heater and A/C control module may set class 2 lost communication DTCs when the BCM or the VCM is being reprogrammed. After reprogramming, inspect for DTCs in the heater and A/C control module. Clear any history U DTCs, then resume diagnostics.
    • Visually inspect the sensor connector and harness for corrosion and damage. The resistance value of the sensor must be 334-100,865 ohms. Refer to the Temperature vs Resistance Table. If resistance is not within specifications, replace the sensor.

Test Description

The numbers below refer to the step numbers on the diagnostic table.

  1. This step measures the resistance of output air temperature sensor #1.

  2. This step inspects for B+ on CKT 404.

  3. This step determines if the short to B+ is in CKT 404 or in the heater and A/C control module.

  4. This step inspects for an open in CKT 552.

  5. This step replaces a defective output air temperature sensor #1.

  6. This step repairs an open in CKT 552.

  7. This step inspects for intermittents and tests for a malfunctioning heater and A/C control module.

  8. This step replaces a defective heater and A/C control module.

  9. This step inspects for 5 volts on CKT 404.

  10. This step determines if the open is in CKT 404 or in the heater and A/C control module.

Step

Action

Value(s)

Yes

No

1

  1. Turn the ignition to the OFF position.
  2. Disconnect output sensor temperature sensor #1
  3. Measure the resistance between sensor terminals A and B.
  4. Compare the reading to the Temperature/Resistance table. Refer to System Performance Test .

Is the resistance within the range specified?

--

Go to Step 2

Go to Step 5

2

  1. Turn the ignition to the ON position.
  2. Measure the voltage at terminal A of the output air temperature sensor harness connector and ground.

Does the J 39200 DMM indicate the specified value?

9-16 V

Go to Step 3

Go to Step 9

3

Inspect CKT 404 (BRN) for a short to B+.

Is the repair complete?

--

Go to Diagnostic System Check

Go to Step 8

4

Inspect for continuity to ground at terminal B of output air temperature sensor harness connector #1 and ground.

Is continuity indicated?

--

Go to Step 7

Go to Step 6

5

Replace output air temperature sensor #1.

Is the repair complete?

--

Go to Diagnostic System Check

--

6

Repair the open in CKT 552 (BLK).

Is the repair complete?

--

Go to Diagnostic System Check

Go to Step 8

7

  1. Turn the ignition to the OFF position.
  2. Reconnect the passenger compartment output air temperature sensor #1.
  3. Reconnect the heater and A/C control module.
  4. Turn the ignition to the ON position.
  5. Clear any heater and A/C control module DTCs.

Does the DTC reset?

--

Go to Step 8

Go to Intermittents and Poor Connections Diagnosis

8

Replace the heater and A/C control module.

Is the repair complete?

--

Go to Diagnostic System Check

--

9

Use a J 39200 in order to ground and measure the voltage on terminal B of the output air temperature sensor #1.

Does the voltage indicate the specified value?

5V

Go to Step 4

Go to Step 10

10

Inspect CKT 404 (BRN) for an open.

Is the repair complete?

--

Go to Diagnostic System Check

Go to Step 8