GM Service Manual Online
For 1990-2009 cars only

DTC B2600 Daytime Running Lamp Circuit Malfunction Except Envoy

For wiring diagrams, refer to

Cell 51: DTC B2600 -- DRL Circuit Malfunction (Except Envoy)


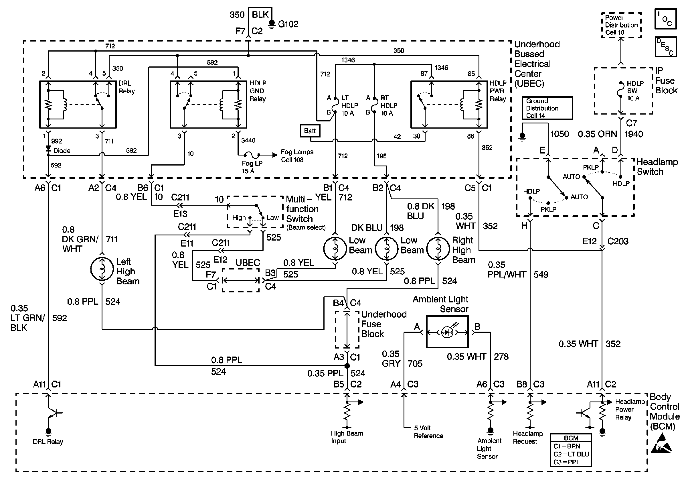
Object Number: 357931  Size: FS
Body Control Module Components
Body Control System Circuit Description
Power Distribution Schematics
Ground Distribution Schematics
Handling ESD Sensitive Parts Notice
Fog Lights Schematics
in Body Control System Schematics.

Circuit Description

The BCM monitors the voltage on CKT 524 in order to determine the amount of voltage present in the high beam circuit. The BCM will set DTC B2600 when either of the following conditions exists:

    • CKT 524 is shorted to battery voltage.
    • CKT 524 is shorted to ground and the daytime running lamps (DRL) are requested ON.

The BCM monitors CKT 524 in order to determine if either of the following lamps are ON:

    • The DRLs
    • The high beams

Conditions for Setting the DTC

    • The BCM commands the DRL relay ON under the following conditions:
       - There is an open in CKT 524.
       - CKT 524 is shorted to ground.
       - CKT 524 is shorted to battery voltage.
    • The system voltage is between 9.0-16.0 volts.
    • The above conditions exist for 0.5 seconds.

Action Taken When the DTC Sets

The daytime running lamps will not operate correctly.

Conditions for Clearing the MIL/DTC

    • A current DTC will clear after the next ignition cycle that does not contain a fault.
    • A history DTC will clear after 100 consecutive ignition cycles without a fault present.
    • History and current DTCs can be cleared using a scan tool.

Diagnostic Aids

    • Always diagnose the first DTC that is listed on the scan tool.
    • Verify that the scan tool displays DTC B2600 as a current code before you perform diagnostics.
    • The scan tool can command the DRL relay ON. This test is located under the Special Functions menu.
    • Compare the state of the DRL relay as indicated on the scan tool with the actual state of the DRL relay.
    • Test for an inoperative high beam headlamp.
    • Use an incandescent shop light or a flashlight. Direct the lighting toward the light sensor in order to force the light sensor into a LIGHT state.
    • Inspect for loose or poor connection at all of the related components.
    • Refer to Wiring Systems for intermittent and poor connections.

Test Description

The numbers below refer to the step numbers on the diagnostic table.

  1. This step tests CKT 524 for a short to ground.

  2. This step tests CKT 524 for a short to battery voltage.

  3. This step tests the power feed circuit for the HDLP PWR relay.

  4. This step tests the HDLP PWR relay.

  5. This step tests the power feed circuit to the HDLP fuses.

  6. This step test the DRL relay.

  7. This step tests CKT 524 for an open or short to voltage.

  8. This step tests the DRL diode.

Step

Action

Value(s)

Yes

No

1

Was the BCM Diagnostic System Check performed?

--

Go to Step 2

Go to Diagnostic System Check - Body Control System

2

Use a scan tool in order to test for current DTCs.

Is DTC B2647 or DTC B2648 set as a current code?

--

Go to DTC B2647 Ambient Light Sensor Circuit Low or DTC B2648 Ambient Light Sensor Circuit High

Go to Step 3

3

Does DTC B2577 set as a current code?

--

Go to DTC B2577 Headlamp Control Circuit Low

Go to Step 4

4

  1. Use the scan tool in order to verify that the vehicle is in the LIGHT state.
  2. Turn the ignition switch to the RUN position.
  3. Verify that the headlamp switch is in the AUTO/OFF position.
  4. Place the beam selector switch in the LOW beam position.
  5. Use a J 39200 digital multimeter (DMM) in order to measure the voltage from the BCM connector C2 terminal B5 to ground.

Does the J 39200 DMM display less than the specified percentage of battery voltage?

25 percent

Go to Step 6

Go to Step 5

5

  1. Use the scan tool in order to verify that the vehicle is in the LIGHT state.
  2. Turn the ignition switch to the RUN position.
  3. Verify that the headlamp switch is in the AUTO/OFF position.
  4. Place the beam selector switch in the LOW beam position.
  5. Use a J 39200 DMM in order to measure the voltage from the BCM connector C2 terminal B5 to ground.

Does the J 39200 DMM display more than the specified percentage of battery voltage?

75 percent

Go to Step 17

Go to Step 18

6

  1. Turn the ignition switch to the OFF position.
  2. Remove the HDLP PWR relay.
  3. Use the scan tool in order to verify that the vehicle is in the LIGHT state.
  4. Place the headlamp switch in the HEADLAMP position.
  5. Turn the ignition switch to the RUN position.
  6. Place the beam selector switch in the LOW beam position.
  7. Using the J 39200 DMM, test for an open to the UBEC in CKT 42 or CKT 352 (the HDLP PWR relay feed circuit).

Does the voltage equal the specified value on both circuits?

0 V

Go to Step 14

Go to Step 7

7

  1. Ensure that the HDLP PWR relay is removed.
  2. Use a fused jumper in order to energize the HDLP PWR relay.
  3. Connect terminal 1 of the HDLP PWR relay to battery voltage.
  4. Connect terminal 2 of the HDLP PWR relay to ground.
  5. Use a J 39200 DMM in order to measure between the HDLP PWR relay terminal 3 and terminal 5.

Is the resistance within the specified range?

0-5 ohms

Go to Step 8

Go to Step 24

8

  1. Turn the ignition switch to the OFF position.
  2. Install the HDLP PWR relay.
  3. Use the scan tool in order to ensure that the vehicle is in the LIGHT state.
  4. Place the headlamp switch in the HEADLAMP position.
  5. Turn the ignition switch to the RUN position.
  6. Place the beam selector switch in the LOW beam position.
  7. Remove both of the headlamp fuses.
  8. Use a J 39200 DMM in order to measure the supply voltage from the LT HDLP fuse in the UBEC to ground.
  9. Use a J 39200 DMM in order to measure the supply voltage from the RT HDLP fuse in the UBEC to ground.

Does the J 39200 DMM display battery voltage on both circuits?

--

Go to Step 9

Go to Step 16

9

  1. Turn the ignition switch to the OFF position.
  2. Reconnect all of the connectors and the wiring.
  3. Use the scan tool in order to ensure that the vehicle is in the LIGHT state.
  4. Disconnect the DRL relay.
  5. Turn the ignition switch to the RUN position.
  6. Place the headlamp switch in the HEADLAMP position.
  7. Place the beam selector switch in the LOW beam position.
  8. Use a J 39200 DMM in order to measure the voltage from the UBEC cavity for the DRL relay CKT 712 to ground (cavities 2, 3 and 4).

Does the J 39200 DMM display battery voltage on these circuits?

--

Go to Step 10

Go to Step 16

10

  1. Ensure that the DRL relay is removed.
  2. Use a fused jumper wire in order to energize the DRL relay.
  3. Connect terminal 1 of the DRL relay to the battery voltage.
  4. Connect terminal 2 of the DRL relay to ground.
  5. Use a J 39200 DMM in order to measure between DRL relay terminal 3 and terminal 5.

Is the resistance within the specified range?

0-5 ohms

Go to Step 20

Go to Step 25

11

  1. Verify that the circuits for the LT HDLP fuse and the RT HDLP fuse are not shorted to ground.
  2. Repair the circuits as needed.
  3. Replace the LT HDLP fuse and the RT HDLP fuse in the UBEC. Ensure that the fuse is a 10 amp fuse.
  4. Repair as needed.

Was a repair needed?

--

Go to Step 28

Go to Step 12

12

  1. Reconnect all of the components and the wiring.
  2. Place the headlamp switch in the AUTO/OFF position.
  3. Use the scan tool in order to verify that the vehicle is in the LIGHT state.
  4. Place the transmission in NEUTRAL (or any position except PARK).
  5. Turn the ignition switch from the OFF position to the RUN position.
  6. Ensure that the beam selector switch is in the LOW position.
  7. Use a J 39200 DMM in order to test CKT 524 for an open or short to voltage from the UBEC connector C4 terminal B2 to both high beam lamps (including an open high beam lamp).
  8. If the percentage of battery voltage is not within the specified range, repair as necessary.

Was a repair needed?

25-75 percent

Go to Step 28

Go to Step 13

13

  1. Place the headlamp switch in the AUTO/OFF position.
  2. Use the scan tool in order to verify that the vehicle is in the LIGHT state.
  3. Turn the ignition switch from the OFF position to the RUN position.
  4. Verify that the beam selector switch is in the LOW position.
  5. Use a J 39200 DMM in order to test CKT 524 for an open or a short to voltage from the UBEC connector C1 terminal to the splice.
  6. Use the J 39200 DMM in order to test CKT 524 for an open or short to voltage from the splice to connector C211 terminal E11, including the HIGH/LOW beam switch.
  7. Use the J 39200 DMM in order to test CKT 524 for an open or short to voltage from the splice to the BCM connector C2 terminal B5.
  8. Repair as needed.

Was a repair needed?

--

Go to Step 28

Go to Step 19

14

Repair the open the circuits to the UBEC for the HDLP PWR relay feed CKT 42 and CKT 352, including the headlamp switch.

Is the repair complete?

--

Go to Step 28

--

15

Repair the open or the short to voltage in CKT 524.

Is the repair complete?

--

Go to Step 28

--

16

Replace the UBEC.

Is the repair complete?

--

Go to Step 28

--

17

Repair the short to voltage in CKT 524.

Is the repair complete?

--

Go to Step 28

--

18

  1. Use the scan tool in order to verify that the vehicle is in the LIGHT state.
  2. Turn the ignition switch to the OFF position.
  3. Disconnect the BCM connector C2.
  4. Remove CKT 524 from the BCM connector C2.
  5. Use a J 39200 DMM in order to measure the voltage from the BCM harness on CKT 524 to ground.

Does the J 39200 DMM display voltage between 25 percent and 75 percent battery voltage?

--

Go to Step 19

Go to Step 17

19

  1. Reconnect all of the connectors and the wiring.
  2. Replace the BCM.
  3. Program the correct calibrations into the BCM.
  4. Perform the learn procedure.

Is the repair complete?

--

Go to Step 28

--

20

  1. Verify that the DRL relay is still removed.
  2. Remove the DRL diode.
  3. Use a J 39200 DMM in order to measure between the UBEC cavities for the DRL relay CKT 992 and the DRL diode cavity 992.

Is the resistance within the specified range?

0-5 ohms

Go to Step 21

Go to Step 16

21

  1. Ensure that the DRL diode is still removed.
  2. Remove the HDLP GND relay.
  3. Use a J 39200 DMM in order to measure between the UBEC cavities for the DRL diode CKT 592 and the HDLP GND relay CKT 592.

Is the resistance within the specified range?

0-5 ohms

Go to Step 22

Go to Step 16

22

  1. Ensure that the DRL diode is still removed.
  2. Usthe Diode Test Mode on the J 39200 DMM, measure between the DRL diode terminals.

Does the J 39200 DMM display indicate a good DRL diode?

--

Go to Step 23

Go to Step 26

23

  1. Ensure that the DRL diode is still removed.
  2. Disconnect the BCM connector C1.
  3. Connect a test lamp to a good power source.
  4. Backprobe the UBEC cavity for the DRL diode CKT 592 using the J 35616 .

Does the J 35616-200 turn ON?

--

Go to Step 27

Go to Step 11

24

Replace the HDLP PWR relay.

Is the repair complete?

--

Go to Step 28

--

25

Replace the DRL relay.

Is the repair complete?

--

Go to Step 28

--

26

Replace the DRL diode.

Is the repair complete?

--

Go to Step 28

--

27

Repair the short to ground on CKT 592.

Is the repair complete?

--

Go to Step 28

--

28

  1. Reconnect all of the connectors and the wiring.
  2. Clear the DTCs.

Is the repair complete?

--

Go to Diagnostic System Check - Body Control System

--