GM Service Manual Online
For 1990-2009 cars only
Makes
🢒
Chevrolet
🢒
1999
🢒
S10 Pickup - 2WD
🢒
Body and Accessories
🢒
Instrument Panel, Gauges, and Console
🢒 Audible Warnings Schematics
Figure
1:
Cell 76: Power and Ground
Cell 10: STUD 2, ABS, TBC and RR W/W Fuses
Power and Grounding Connector End Views
Cell 10: ILLUM, PARK LP Fuses
Cell 10: TURN, SIR and GAUGES Fuses
Cell 10: HVAC and CRUISE Fuses
Cell 81: CRUISE Fuse and Instrument Cluster
Audible Warnings Components
Audible Warnings Circuit Description
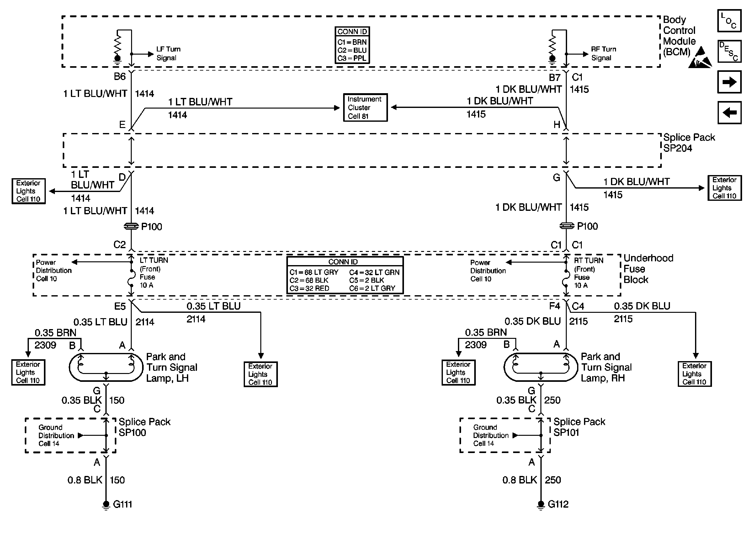
Cell 76: Park and Turn Signal Lamps
Cell 132
Cell 10: ILLUM, PARK LP Fuses
Cell 81: ILLUM, CLSTR and GAUGES Fuses and Instrument Cluster
Body Control System Connector End Views
Handling ESD Sensitive Parts Notice
Cell 10: HVAC and CRUISE Fuses
Cell 47: Seat Belt Switch, Steering Wheel and IP Module
Cell 140: LH Power Seat
Cell 14: G420 and G450 (Utility w/ Endgate)
Cell 14: G200, G201 and G207 (Envoy)
Cell 114: Headlamp Switch
Cell 14: G200, G201 and G207 (2-Door Utility w/ Endgate)
Cell 14: G203 and G204 (Utility w/ Auto A/C)
Cell 103
Figure
2:
Cell 76: Park and Turn Signal Lamps
Body Control System Connector End Views
Cell 81: Multifunction Switch, Rear Window Wiper Cutout and Liftglass Ajar Jamb Switch
Power and Grounding Connector End Views
Handling ESD Sensitive Parts Notice
Audible Warnings Components
Audible Warnings Circuit Description
Cell 76: PCM/VCM and Headlamp Switch
Cell 76: Power and Ground
Cell 110: PARK LP Fuse and Headlamp Switch
Cell 110: Front Park and Turn Signal Lamps
Cell 110: Front Park and Turn Signal Lamps
Cell 14: G109, G111, G112 and G113
Cell 10: RT TURN, RT TRN and TRR TRN Fuses
Cell 110: PARK LP Fuse and Headlamp Switch
Cell 10: LT TURN, LT TRN and TRL TRN Fuses
Cell 110: Front Park and Turn Signal Lamps
Cell 14: G109, G111, G112 and G113
Cell 110: Front Park and Turn Signal Lamps
Figure
3:
Cell 76: PCM/VCM and Headlamp Switch
Body Control System Connector End Views
Handling ESD Sensitive Parts Notice
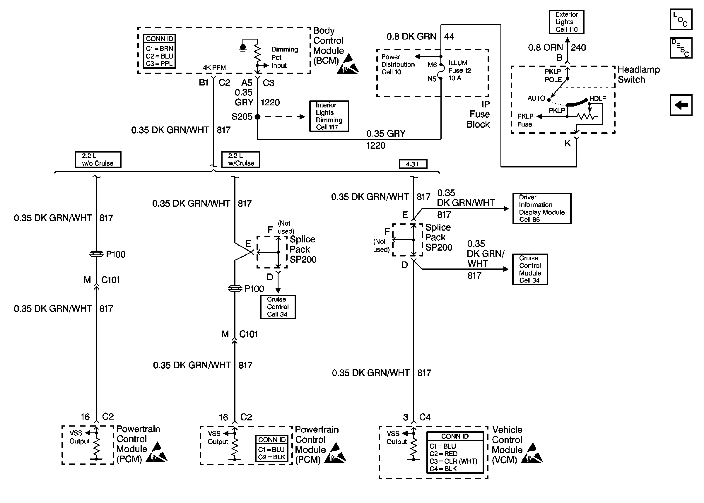
Cell 117: ILLUM Fuse 12
Handling ESD Sensitive Parts Notice
Handling ESD Sensitive Parts Notice
Powertrain Control Module Connector End Views
VCM Connector End Views
Handling ESD Sensitive Parts Notice
Cell 10: ILLUM, PARK LP Fuses
Cell 110: PARK LP Fuse and Headlamp Switch
Audible Warnings Components
Audible Warnings Circuit Description
Cell 76: Park and Turn Signal Lamps
Cell 86: Outside Ambient Temperature Display Sensor (w/ Trip Computer)
Cell 34: Cruise Control Module and PCM/VCM
Cell 34: Cruise Control Module and PCM/VCM