GM Service Manual Online
For 1990-2009 cars only
Makes
🢒
Chevrolet
🢒
1999
🢒
S10 Pickup - 2WD
🢒
Body and Accessories
🢒
Theft Deterrent
🢒 Theft Deterrent System Schematics
Figure
1:
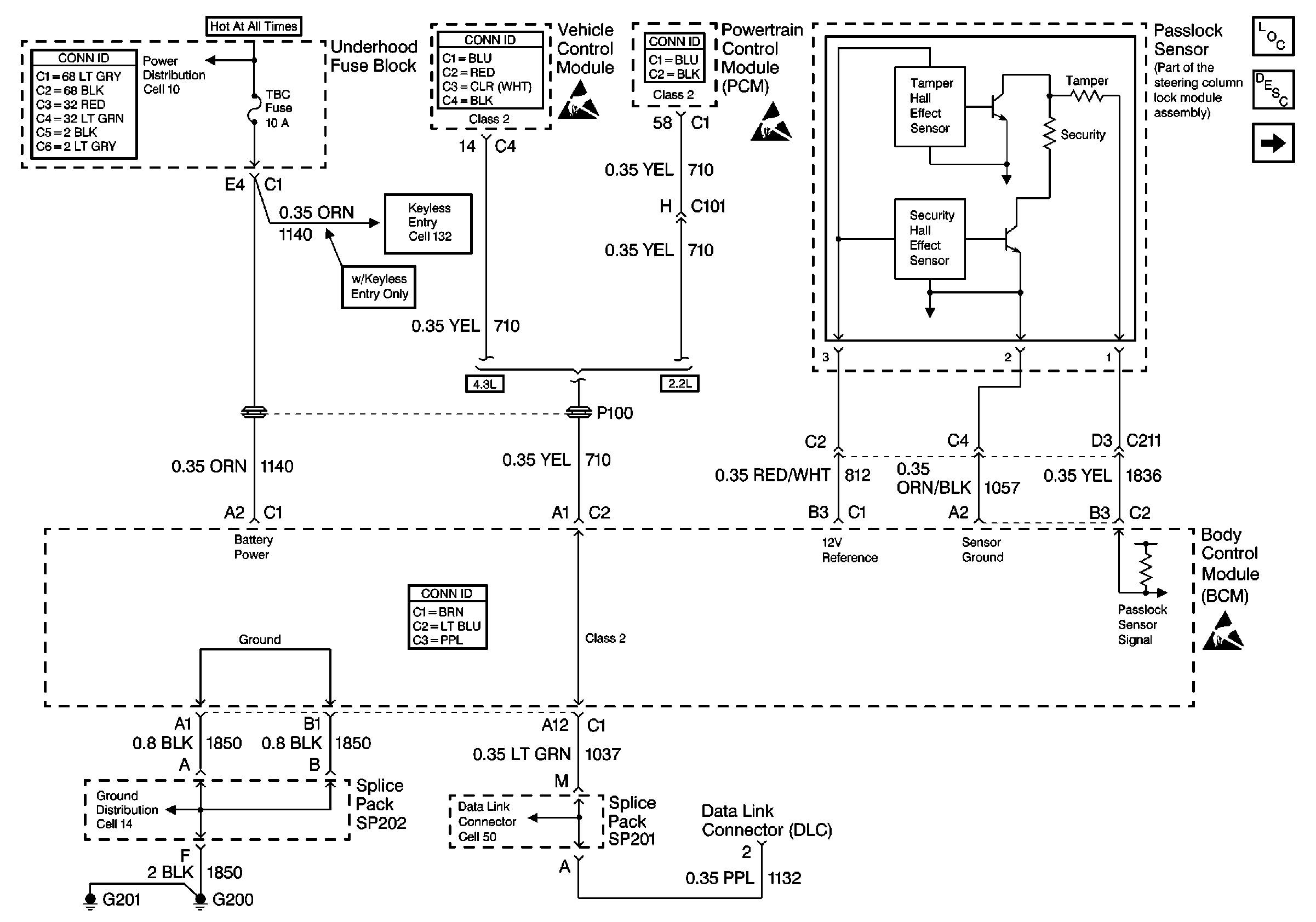
Cell 133: Power, Ground and Passlock Sensor
Power and Grounding Connector End Views
Cell 10: STUD 2, ABS, TBC and RR W/W Fuses
VCM Connector End Views
Handling ESD Sensitive Parts Notice
Powertrain Control Module Connector End Views
Handling ESD Sensitive Parts Notice
Theft Deterrent System Components
Content Theft Deterrent (CTD) Circuit Description
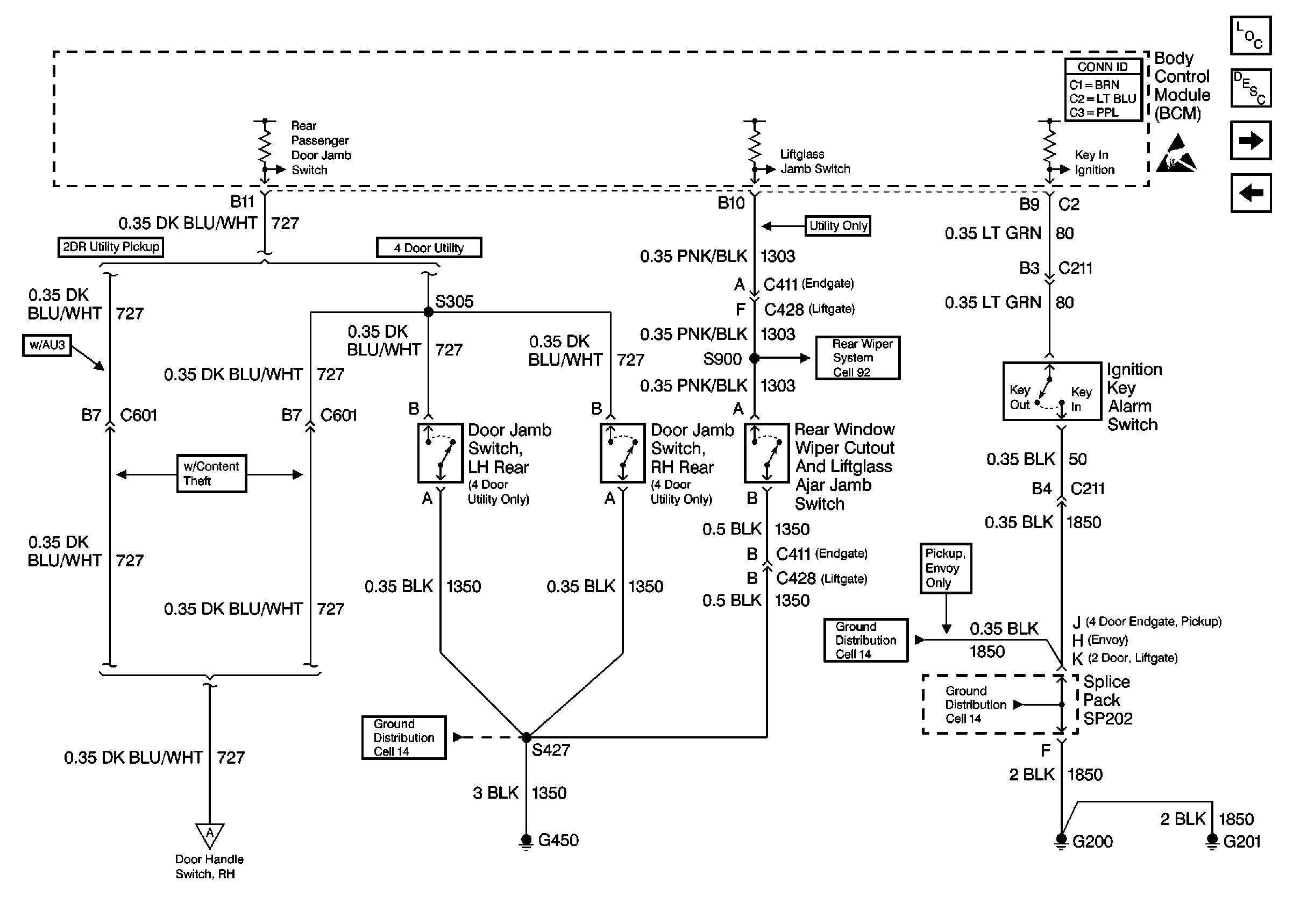
Cell 133: Door Jamb Switch Inputs
Handling ESD Sensitive Parts Notice
Body Control System Connector End Views
Cell 132
Cell 14: G200, G201 and G207 (Pickup)
Cell 50: Class 2 Communication (2.2L)
Figure
2:
Cell 133: Door Jamb Switch Inputs
Body Control System Connector End Views
Handling ESD Sensitive Parts Notice
Theft Deterrent System Components
Content Theft Deterrent (CTD) Circuit Description
Cell 133: Door Handle Switch Inputs
Cell 133: Power, Ground and Passlock Sensor
Cell 133: Door Handle Switch Inputs
Cell 14: G420 and G450 (Utility w/ Endgate)
Cell 92
Cell 14: G200, G201 and G207 (Pickup)
Cell 14: G200, G201 and G207 (Pickup)
Figure
3:
Cell 133: Door Handle Switch Inputs
Body Control System Connector End Views
Handling ESD Sensitive Parts Notice
Theft Deterrent System Components
Content Theft Deterrent (CTD) Circuit Description
Cell 133: Door Jamb Switch Inputs
Cell 133: Door Jamb Switch Inputs
Cell 14: G203 and G204 (Pickup)
Cell 139
Cell 14: G200, G201 and G207 (Pickup)
Cell 14: G202 (Pickup)
Cell 114: Inside Rear View Mirror or Driver Information Display Module
Cell 110: Turn Signal Lamp Flasher
Cell 38: Transfer Case Encoder Motor
Cell 14: G205 and G206 (Utility)