GM Service Manual Online
For 1990-2009 cars only
Makes
🢒
Chevrolet
🢒
1999
🢒
S10 Pickup - 2WD
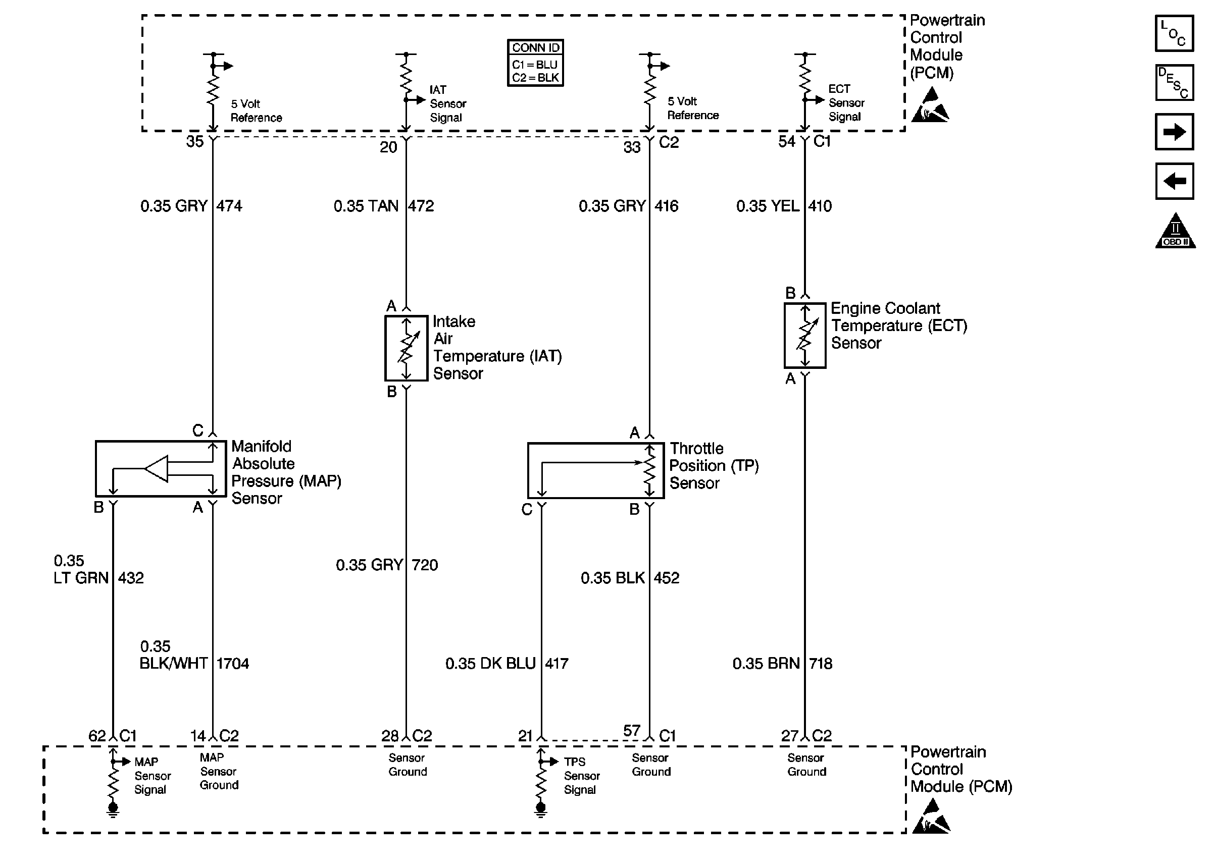
🢒 Cell 20: MAP, IAT, TPS and ECT Sensors
Cell 20: MAP, IAT, TPS and ECT Sensors
Cell 20: MAP, IAT, TPS and ECT Sensors
Powertrain Control Module Connector End Views
Handling ESD Sensitive Parts Notice
Engine Controls Components
Powertrain Control Module Description
Cell 20: Oxygen Sensors
Cell 20: Fuel Injectors and Fuel Pump
OBD II Symbol Description Notice
Handling ESD Sensitive Parts Notice