GM Service Manual Online
For 1990-2009 cars only
Makes
🢒
Chevrolet
🢒
1999
🢒
S10 Pickup - 2WD
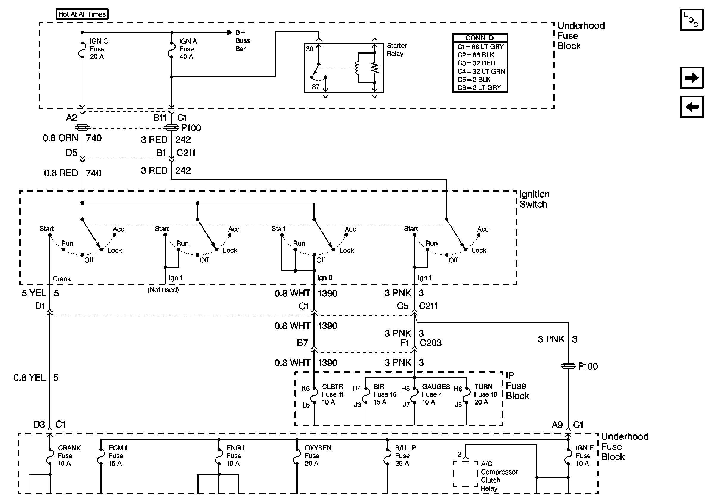
🢒 Cell 10: IGN C, IGN A Fuses and Ignition Switch
Cell 10: IGN C, IGN A Fuses and Ignition Switch
Cell 10: IGN C, IGN A Fuses and Ignition Switch
Power and Grounding Components
Cell 10: RAP, IGN B Fuses and Ignition Switch
Cell 10: B+ Buss Bar
Power and Grounding Connector End Views