GM Service Manual Online
For 1990-2009 cars only
Makes
🢒
Chevrolet
🢒
1999
🢒
S10 Pickup - 2WD
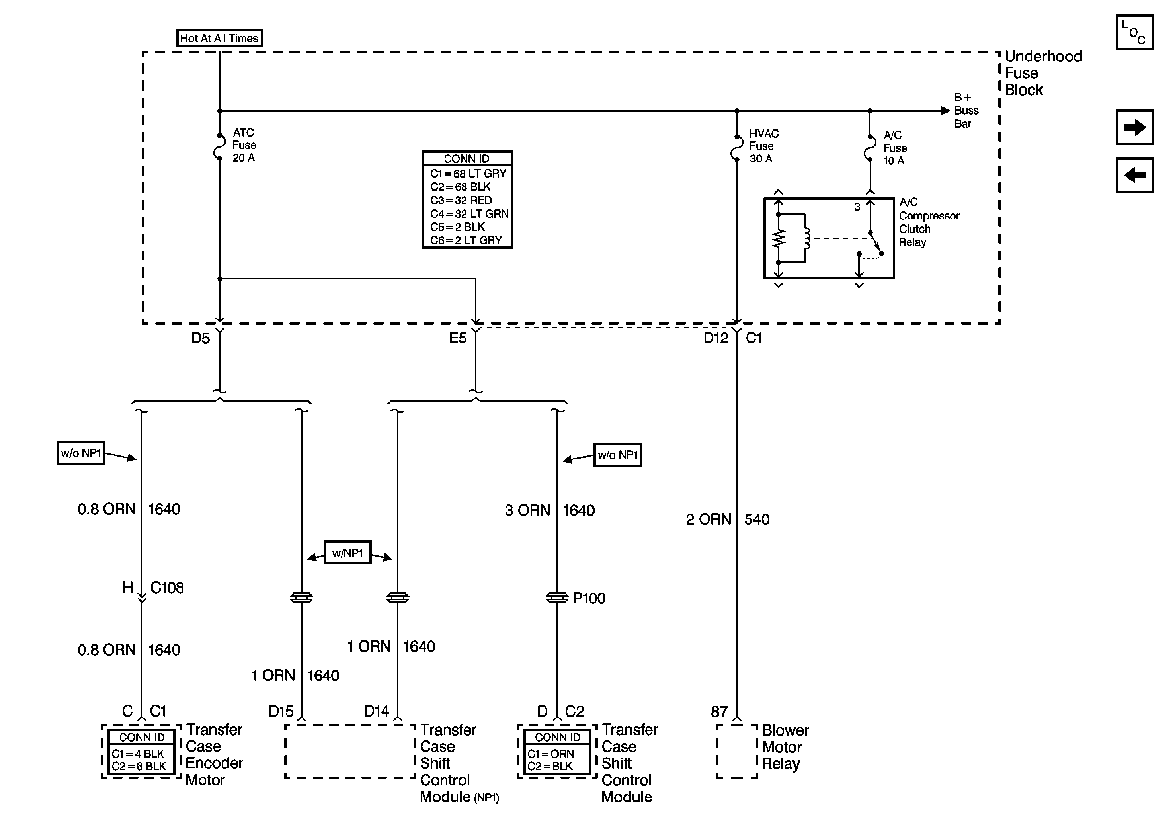
🢒 Cell 10: ATC, HVAC and A/C Fuses
Cell 10: ATC, HVAC and A/C Fuses
Cell 10: ATC, HVAC and A/C Fuses
Power and Grounding Connector End Views
Power and Grounding Components
Cell 10: MIR/LKS and FOG LP Fuses
Cell 10: AUX PWR, RDO BAT, HDLP SW Fuses and Inadvertent Power Lamp Relay
Transfer Case Control Connector End Views
Transfer Case Control Connector End Views