GM Service Manual Online
For 1990-2009 cars only
Makes
🢒
Chevrolet
🢒
1999
🢒
S10 Pickup - 2WD
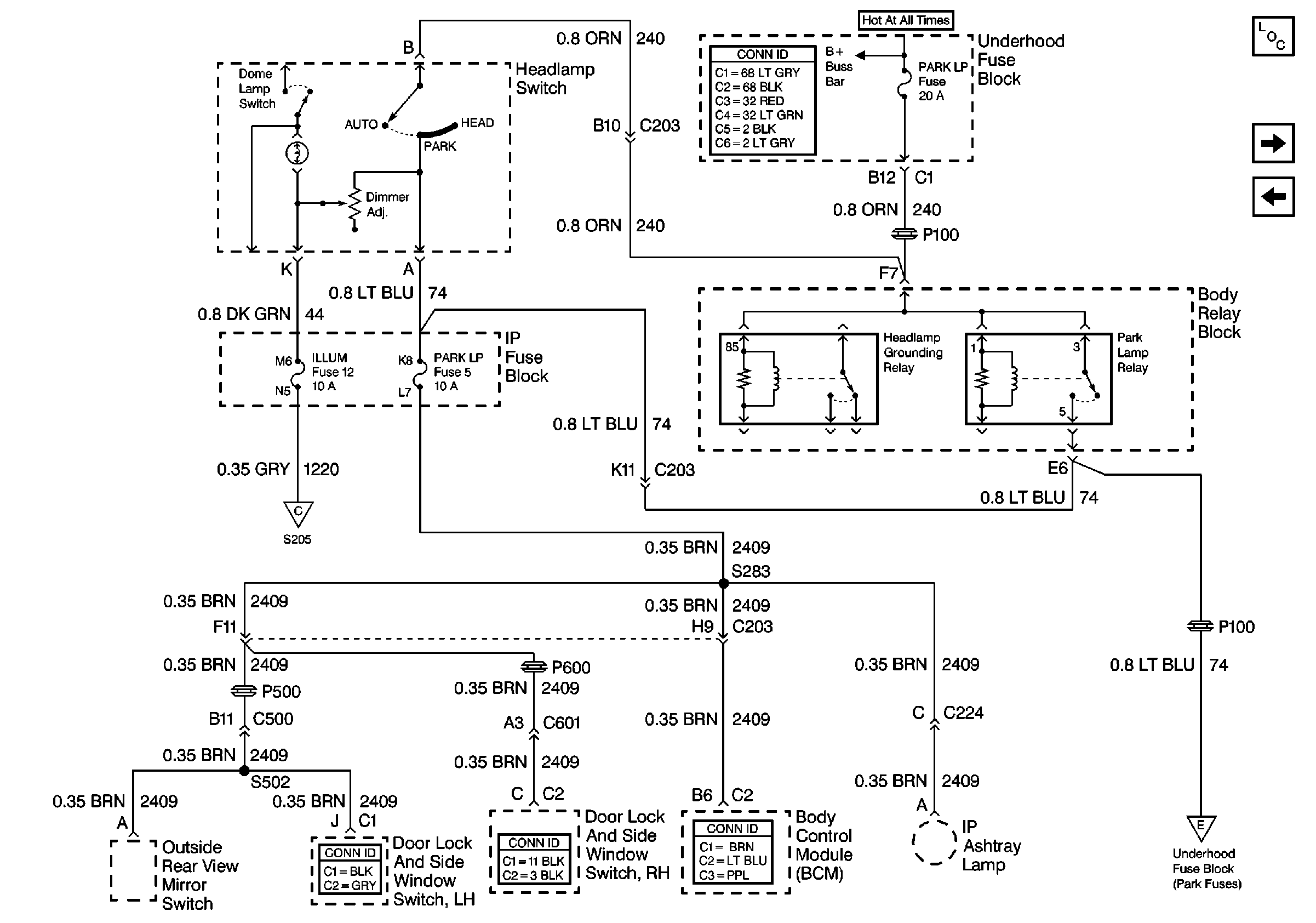
🢒 Cell 10: PARK LP, ILLUM Fuses and Park Lamp, Headlamp Grounding Relays
Cell 10: PARK LP, ILLUM Fuses and Park Lamp, Headlamp Grounding Relays
Cell 10: PARK LP, ILLUM Fuses and Park Lamp, Headlamp Grounding Relays
Power and Grounding Connector End Views
Power and Grounding Components
Cell 10: ILLUM Fuse Power
Cell 10: ECM B, HORN Fuses and Horn, Fuel Pump Relays
Power Door Systems Connector End Views
Power Door Systems Connector End Views
Body Control System Connector End Views
Cell 10: FR PRK, LR PRK, RR PRK Fuses and Fog Lamp Relay
Cell 10: ILLUM Fuse Power