GM Service Manual Online
For 1990-2009 cars only
Makes
🢒
Chevrolet
🢒
1999
🢒
S10 Pickup - 2WD
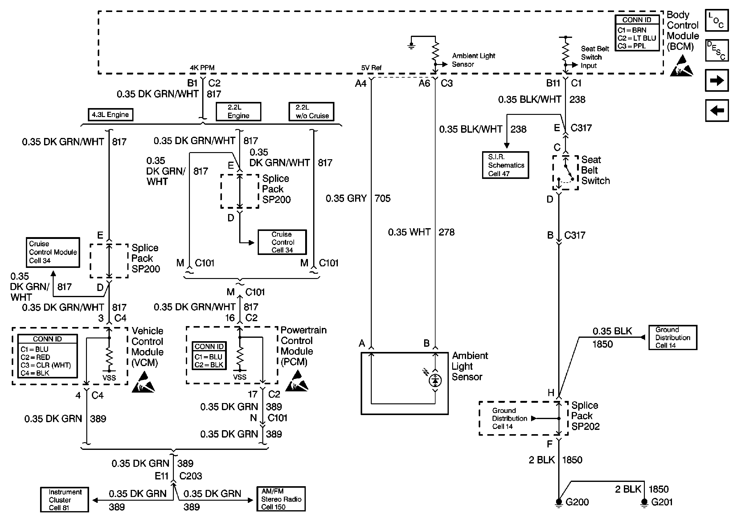
🢒 Cell 51: VCM or PCM Speed Signal and Ambient Light Sensor
Cell 51: VCM or PCM Speed Signal and Ambient Light Sensor
Cell 51: VCM or PCM Speed Signal and Ambient Light Sensor
Cell 34: Cruise Control Module and PCM/VCM
VCM Connector End Views
Handling ESD Sensitive Parts Notice
Handling ESD Sensitive Parts Notice
Powertrain Control Module Connector End Views
Cell 81: VCM/PCM, DLC and SRS
Cell 150: ILLUM, RDO IGN and RDO BATT Fuses and VSS Signal
Cell 34: Cruise Control Module and PCM/VCM
Cell 47: Seat Belt Switch, Steering Wheel and IP Module
Cell 14: G200, G201 and G207
Cell 14: G200, G201 and G207
Body Control System Connector End Views
Handling ESD Sensitive Parts Notice
Body Control Module Components
Body Control System Circuit Description
Cell 51: Door Lock/Unlock Relays
Cell 51: MIR/LKS and RAP Fuses, RAP Relay and Passlock Sensor