GM Service Manual Online
For 1990-2009 cars only
Makes
🢒
Chevrolet
🢒
1999
🢒
S10 Pickup - 2WD
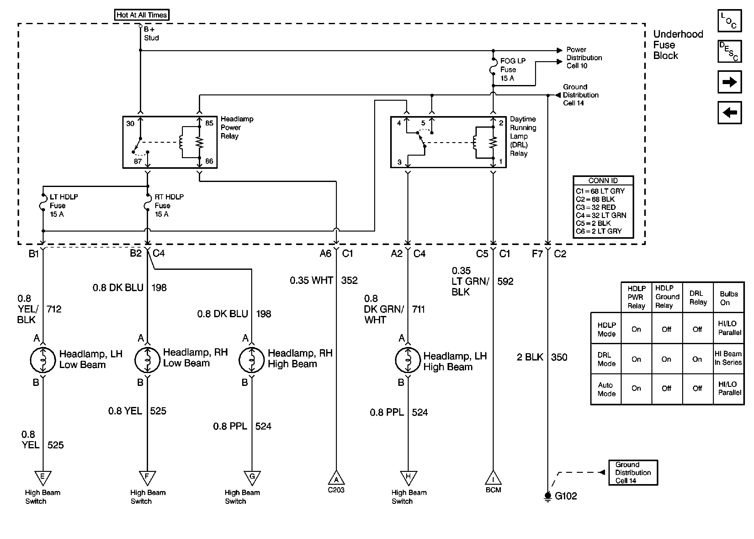
🢒 Cell 102: DRL and Headlamp Power Relays
Cell 102: DRL and Headlamp Power Relays
Cell 102: DRL and Headlamp Power Relays
Cell 10: MIR/LKS and FOG LP Fuses
Lighting Systems Components
Headlights Circuit Description
Cell 102: Headlamp Grounding Relay and Flash-To-Pass Switch
Cell 102: Headlamp Switch, Ambient Light Sensor and BCM
Power and Grounding Connector End Views
Cell 102: Headlamp Grounding Relay and Flash-To-Pass Switch
Cell 102: Headlamp Grounding Relay and Flash-To-Pass Switch
Cell 102: Headlamp Grounding Relay and Flash-To-Pass Switch
Cell 102: Headlamp Switch, Ambient Light Sensor and BCM
Cell 102: Headlamp Grounding Relay and Flash-To-Pass Switch
Cell 102: Headlamp Grounding Relay and Flash-To-Pass Switch
Cell 14: G102