GM Service Manual Online
For 1990-2009 cars only
Makes
🢒
Chevrolet
🢒
1999
🢒
S10 Pickup - 2WD
🢒 Cell 112
Cell 112
Cell 112
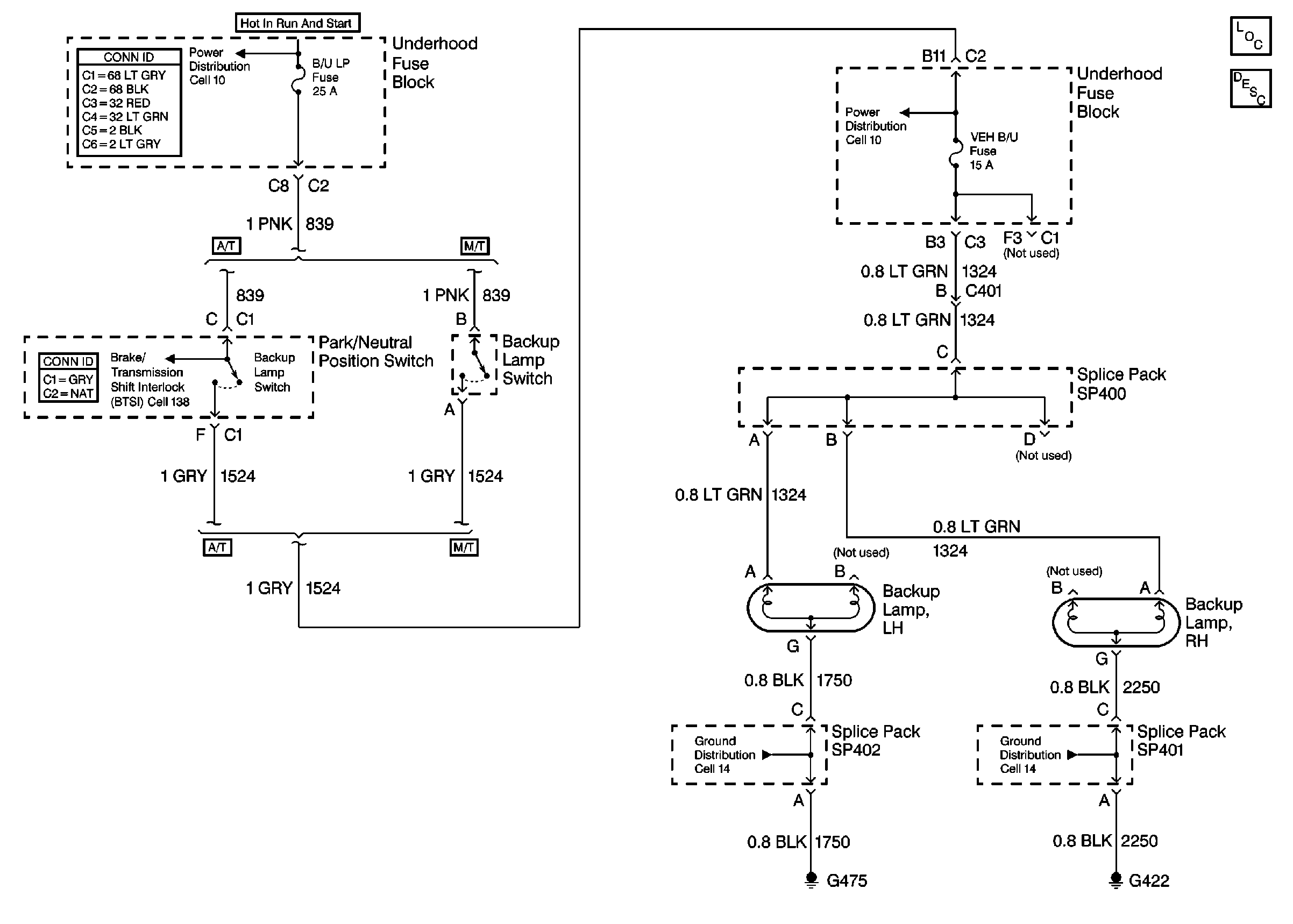
Lighting Systems Components
Backup Lamp Circuit Description
Power and Grounding Connector End Views
Cell 10: B/U LP, VEH B/U and BTSI Fuses
Tilt Wheel/Column Connector End Views
Cell 138
Cell 10: B/U LP, VEH B/U and BTSI Fuses
Cell 14: G402, G422 and G475
Cell 14: G402, G422 and G475