GM Service Manual Online
For 1990-2009 cars only

Refer to

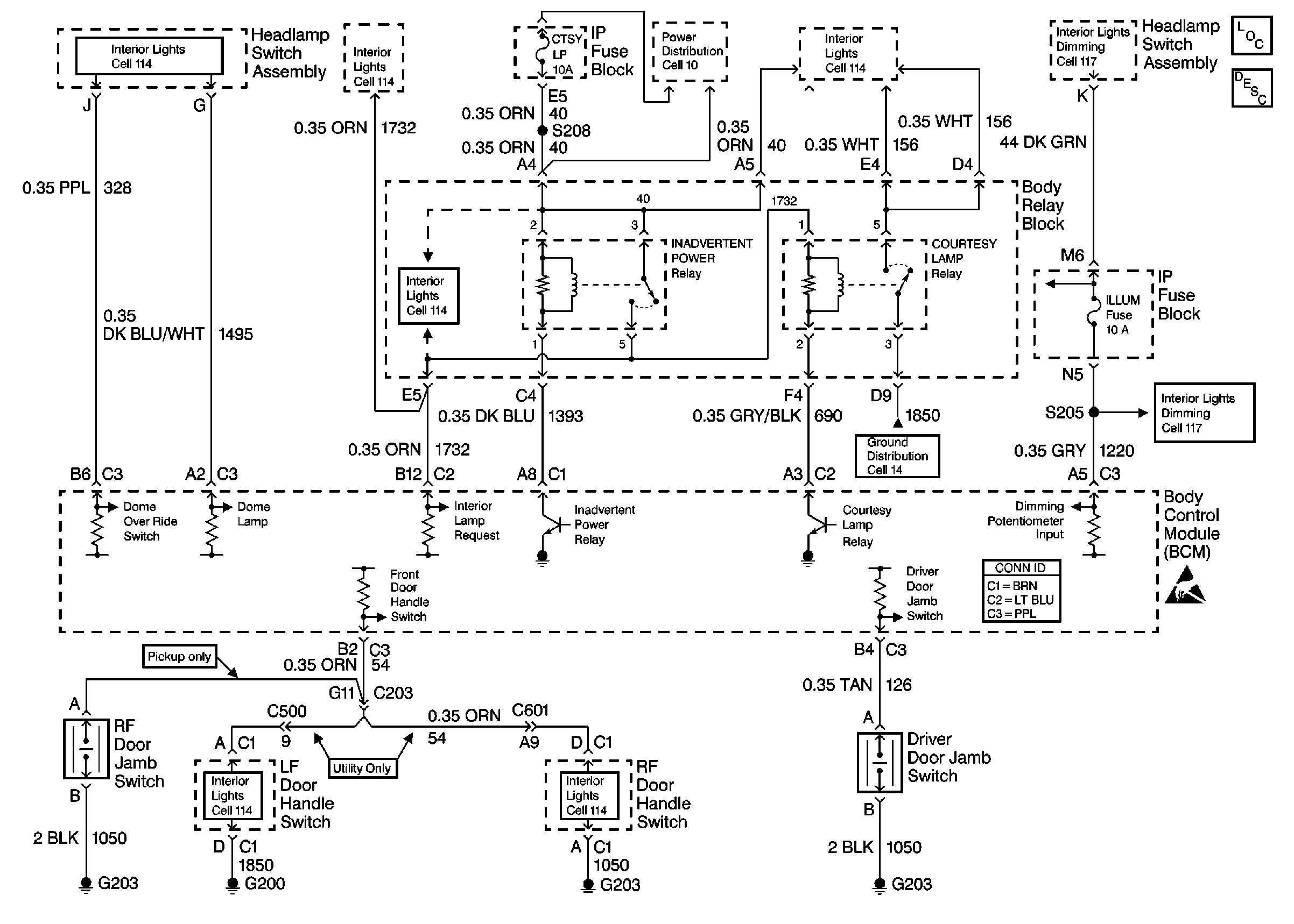
Cell 51: DTC B2617 and B2618 -- Courtesy Lamp Circuit


Object Number: 403329  Size: FS
Cell 114: Headlamp Switch
Cell 114: Inadvertent Power Relay
Cell 10: INT BATT Fuse
Cell 117: Headlamp Switch
Body Control Module Components
Body Control System Circuit Description
Cell 114: Inadvertent Power Relay
Body Control System Connector End Views
Cell 14: G200, G201 and G207 (Pickup)
Cell 117: ILLUM Fuse 12
Handling ESD Sensitive Parts Notice
Cell 114: CTSY LP Fuse and Courtesy Lamp Relay
for wiring diagrams.

Circuit Description

The BCM monitors the voltage and controls the ground of the courtesy lamp relay on CKT 690. The BCM will ground the relay and turn ON the courtesy lamps if any of the following conditions exists:

    • The BCM receives a signal from a mini-wedge door jamb switch.
    • The BCM receives an RFA signal to unlock the doors from the remote door lock receiver module.
    • The dome lamp switch is turned ON.

The BCM will set DTC B2617 if the following conditions exist:

    • CKT 690 is open or shorted to ground.
    • The BCM is not receiving a signal to turn ON the courtesy lamps.

Conditions for Setting the DTC

    • All of the courtesy lamps are displayed as INACTIVE on the scan tool and the courtesy lamps are OFF.
    • CKT 690 is open or shorted to ground.
    • The system voltage is between 9.0-16.0 volts.
    • All of the above conditions exist for 0.5 seconds.

Action Taken When the DTC Sets

    • The courtesy lights will not function if the circuit is open.
    • The courtesy lights will be ON at all times if the circuit is shorted to ground.

Conditions for Clearing the MIL/DTC

    • A current DTC will clear immediately after the condition that sets the DTC is corrected.
    • A history DTC will clear after 100 consecutive ignition cycles without a fault present.
    • History and current DTCs may be cleared using a scan tool.

Diagnostic Aids

       Important: Use the appropriate probe from the J 35616 connector test adapter kit for any probing of the fuse blocks or relay blocks in this table. Use of the appropriate probe prevents damage to the fuse blocks or relay blocks.

    • Always perform the first DTC that is listed on the scan tool if more than one is displayed.
    • Verify that the scan tool displays DTC B2617 as a current code before you perform diagnostics.
    • Inspect for loose or poor connections at all of the related components.
    • Refer to Intermittents and Poor Connections Diagnosis in Wiring Systems.

Test Description

The numbers below refer to the step numbers on the diagnostic table.

  1. This step determines if CKT 690 is shorted or open between the courtesy lamp relay and the BCM.

  2. This step determines if one of the following conditions exists:

  3. • The BCM is defective.
    • CKT 690 is shorted to ground.
  4. This step determines if the BCM is defective.

  5. This step determines if CKT 690 is open between the body relay block and the BCM harness.

  6. This step determines if one of the following conditions exists:

  7. • CKT 156 is open between the body relay block and the courtesy lamp relay.
    • The courtesy lamp relay is defective.

Step

Action

Value(s)

Yes

No

1

Did you perform the BCM Diagnostic System Check?

--

Go to Step 2

Go to Diagnostic System Check - Body Control System

2

  1. Turn the ignition switch to the RUN position.
  2. Ensure that the dome lamp switch (dimming thumb wheel) is in the MID position.
  3. Close all of the doors.

Are the courtesy lamps ON at all times?

--

Go to Step 3

Go to Step 5

3

  1. Disconnect the BCM connector C2 (LT BLU). Remove the comb from the connector.
  2. Use a J 39200 digital multimeter (DMM) in order to backprobe the BCM connector C2 (LT BLU) between CKT 690 (GRY/BLK) cavity A3 and ground.

Does the J 39200 DMM display battery voltage?

--

Go to Step 11

Go to Step 4

4

Locate and repair the short to ground in CKT 690 (GRY/BLK) between the BCM and the courtesy lamp relay.

Is the repair complete?

--

Go to Step 12

--

5

Use a fused jumper in order to backprobe BCM connector C2 (LT BLU) CKT 690 (GRY/BLK) cavity A3 to ground.

Do the courtesy lamps turn on?

--

Go to Step 11

Go to Step 6

6

  1. Remove the courtesy lamp relay.
  2. Disconnect the BCM connector C2 (LT BLU). Remove the comb from the connector.
  3. Select the appropriate probe from the J 35616 . Use of the appropriate probe will prevent damage to the fuse block or relay block.
  4. Use a J 39200 DMM in order to measure the resistance between the courtesy lamp relay connector cavity 2 and CKT 690 (GRY/BLK) cavity A3 of the BCM connector.

Is the resistance within the specified range?

0-5 ohms

Go to Step 7

Go to Step 10

7

  1. Select the appropriate probe from the J 35616 . Use of the appropriate probe will prevent damage to the fuse block or relay block.
  2. Use a J 39200 DMM in order to measure the voltage between the courtesy lamp relay connector cavity 5 and ground.

Does the J 39200 DMM display battery voltage?

--

Go to Step 8

Go to Step 9

8

Replace the courtesy lamp relay.

Is the repair complete?

--

Go to Step 12

--

9

Replace the body relay block.

Is the repair complete?

--

Go to Step 12

--

10

Locate and repair the open in CKT 690 (GRY/BLK) between the BCM and the courtesy lamp relay.

Is the repair complete?

--

Go to Step 12

--

11

  1. Replace the BCM.
  2. Program the correct calibrations into the BCM.
  3. Perform the learn procedure.

Is the repair complete?

--

Go to Step 12

--

12

Clear the DTCs.

Is the repair complete?

--

Go to Diagnostic System Check - Body Control System

--