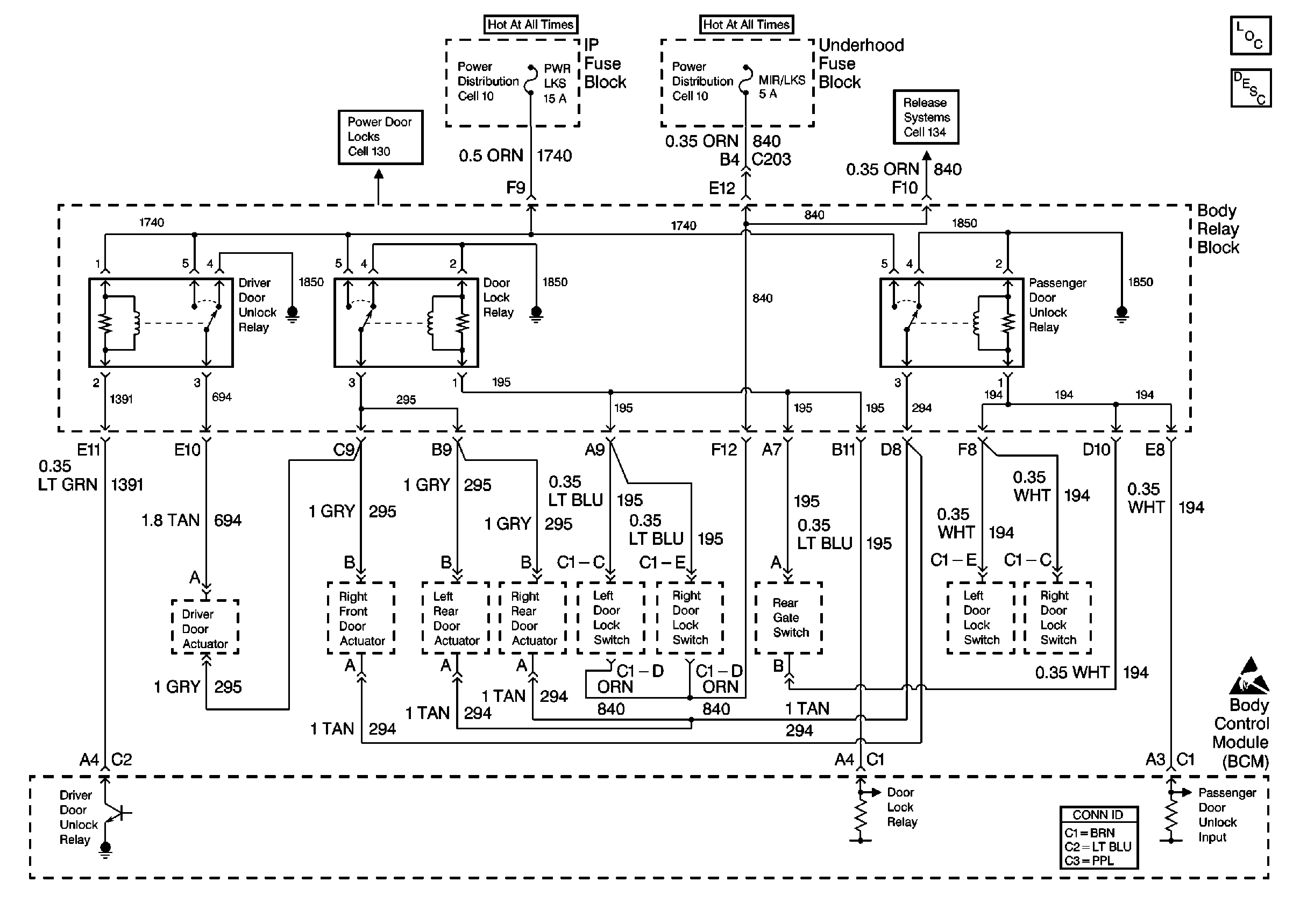
Refer to
Cell 51: DTC B3137, B3138, B3147, and B3148 -- Power Door Locks
for wiring diagrams.
The body control module (BCM) monitors and supplies an output on CKT 195. When the BCM receives a lock command from the remote control door lock receiver, the BCM supplies voltage on CKT 195 in order to lock the doors. The BCM will set a DTC when the following conditions exist:
| • | CKT 195 is shorted to ground. |
| • | BCM receives a lock command from the remote control door lock receiver. |
| • | The BCM commands the door lock relay active. |
| • | When the BCM receives a lock signal from the remote control door lock receiver module and CKT 195 is shorted to ground. |
| • | The system voltage is between 9.0-16.0 volts. |
| • | The above conditions exist for 0.25 seconds. |
| • | The door lock system will not lock the doors from the key fob. |
| • | The door lock switches will not lock the doors. |
| • | A current DTC will clear after the next door lock cycle that does not contain a fault. |
| • | A history DTC will clear after 100 consecutive ignition cycles without a fault present. |
| • | History and current DTCs may be cleared using a scan tool. |
| • | Always diagnose the first DTC that is listed on the scan tool. |
| • | Verify that the scan tool displays DTC B3137 as a current code before you perform diagnostics. |
| • | Inspect for loose or poor connections at all of the related components. |
| • | Refer to Intermittents and Poor Connections Diagnosis in Wiring Systems. |
The numbers below refer to the step numbers on the diagnostic table.
This step determines if the lock relay is shorted to ground.
This step determines if the left front door switch is shorted to ground.
This step determines if the right front door switch is shorted to ground.
This step determines if there is a short to ground in CKT 195.
Step | Action | Value(s) | Yes | No | ||||||
|---|---|---|---|---|---|---|---|---|---|---|
1 | Did you perform the BCM Diagnostic System Check? | -- | Go to Step 2 | |||||||
Does the scan tool display DTC B3137 as a current code? | -- | Go to Step 3 | Go to Step 9 | |||||||
Does the scan tool display DTC B3137 as a current code? | -- | Go to Step 4 | Go to Step 7 | |||||||
Does the scan tool display B3137 as a current code? | -- | Go to Step 5 | Go to Step 8 | |||||||
Does the test lamp light? | -- | Go to Step 6 | Go to Step 10 | |||||||
6 |
Is the repair complete? | -- | Go to Step 11 | -- | ||||||
7 |
Is the repair complete? | -- | Go to Step 11 | -- | ||||||
8 |
Is the repair complete? | -- | Go to Step 11 | -- | ||||||
9 |
Is the repair complete? | -- | Go to Step 11 | -- | ||||||
10 |
Is the repair complete? | -- | Go to Step 11 | -- | ||||||
11 |
Is the repair complete? | -- | -- |