GM Service Manual Online
For 1990-2009 cars only
Makes
🢒
Chevrolet
🢒
2000
🢒
S10 Pickup - 2WD
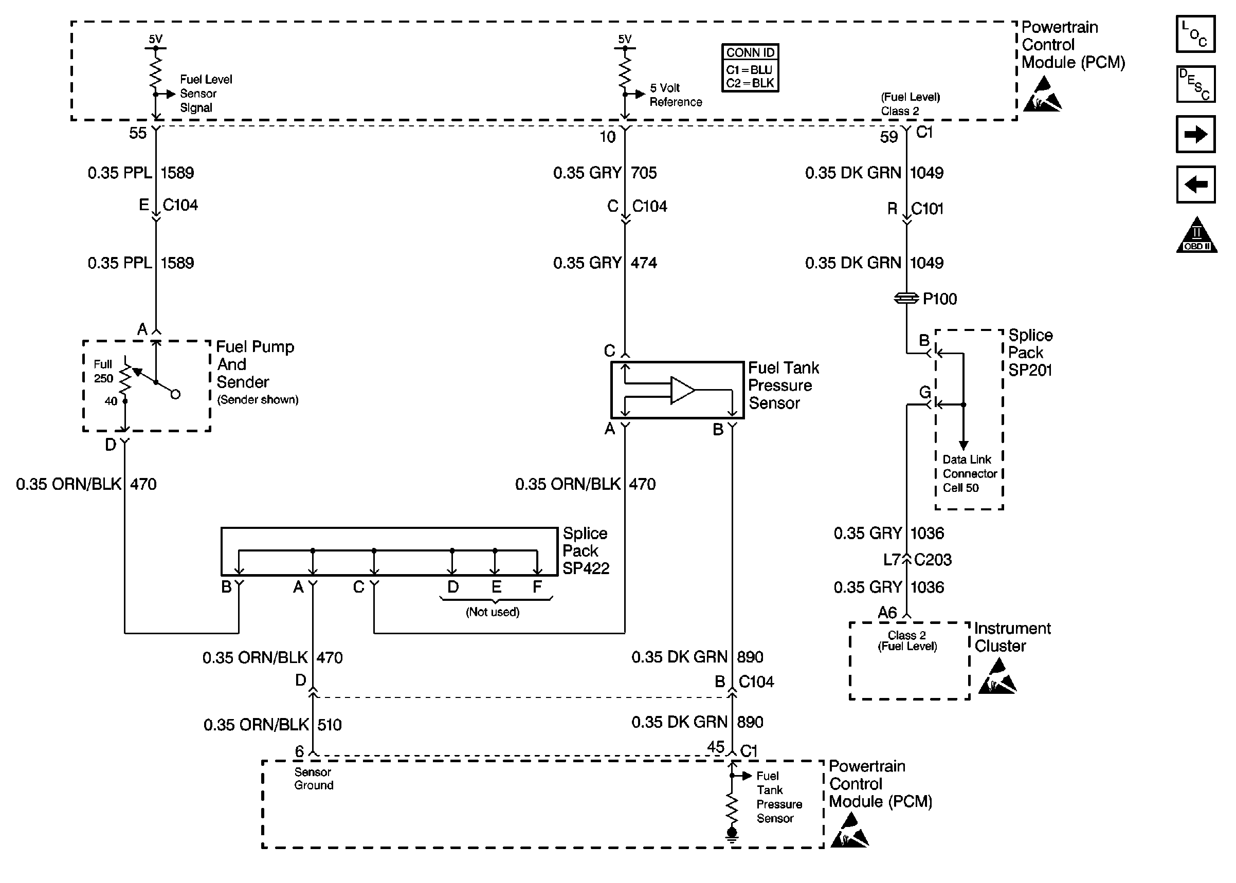
🢒 Cell 20: Fuel Level and Fuel Tank Pressure Sensors
Cell 20: Fuel Level and Fuel Tank Pressure Sensors
Cell 20: Fuel Level and Fuel Tank Pressure Sensors
Powertrain Control Module Connector End Views
Handling ESD Sensitive Parts Notice
Engine Controls Components
Powertrain Control Module Description
Cell 20: Fuel Injectors and Fuel Pump
Cell 20: Ignition Controls
OBD II Symbol Description Notice
Cell 50: Class 2 Communication (2.2L)
Handling ESD Sensitive Parts Notice
Handling ESD Sensitive Parts Notice