GM Service Manual Online
For 1990-2009 cars only
Makes
🢒
Chevrolet
🢒
2000
🢒
S10 Pickup - 2WD
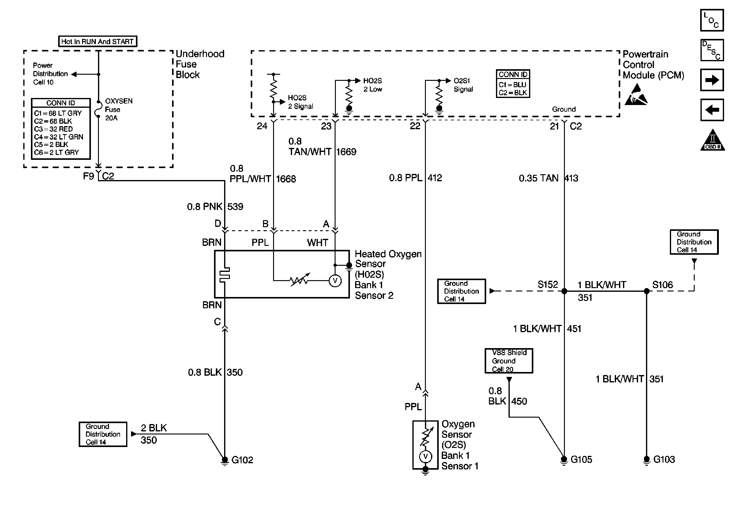
🢒 Cell 20: Oxygen Sensors
Cell 20: Oxygen Sensors
Cell 20: Oxygen Sensors
Cell 10: ENG I and OXYSEN Fuses
Power and Grounding Connector End Views
Powertrain Control Module Connector End Views
Handling ESD Sensitive Parts Notice
Cell 14: G103 and G105 (2.2L)
Cell 20: Vehicle Speed Sensor Signal
Cell 14: G102 (Except Envoy)
Cell 14: G103 and G105 (2.2L)
Engine Controls Components
Powertrain Control Module Description
Cell 20: Brake Switch Input
Cell 20: IAC, EVAP and EGR Valve Controls
OBD II Symbol Description Notice