GM Service Manual Online
For 1990-2009 cars only
Makes
🢒
Chevrolet
🢒
2000
🢒
S10 Pickup - 2WD
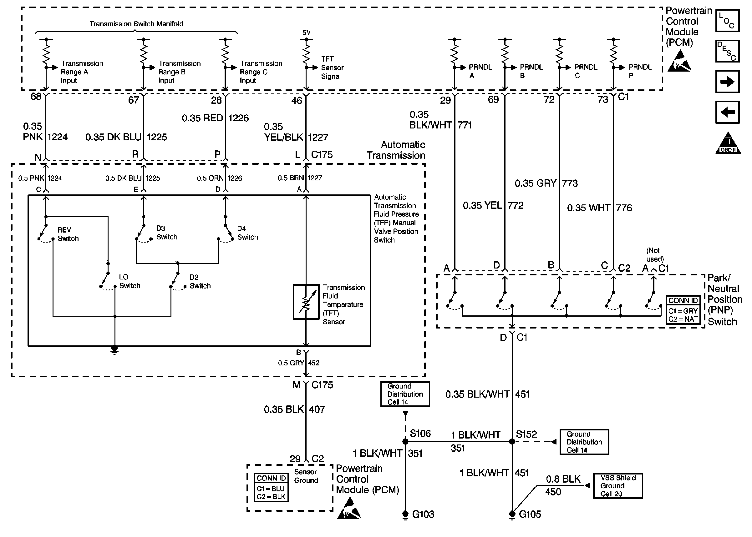
🢒 Cell 20: Automatic Transmission Switch Inputs
Cell 20: Automatic Transmission Switch Inputs
Cell 20: Automatic Transmission Switch Inputs
Engine Controls Components
Powertrain Control Module Description
Cell 20: Vehicle Speed Sensor Signal
Cell 20: Automatic Transmission Valve Controls
OBD II Symbol Description Notice
Handling ESD Sensitive Parts Notice
Tilt Wheel/Column Connector End Views
Cell 14: G103 and G105 (2.2L)
Powertrain Control Module Connector End Views
Handling ESD Sensitive Parts Notice
Cell 14: G103 and G105 (2.2L)
Cell 20: Vehicle Speed Sensor Signal