GM Service Manual Online
For 1990-2009 cars only
Makes
🢒
Chevrolet
🢒
2000
🢒
S10 Pickup - 2WD
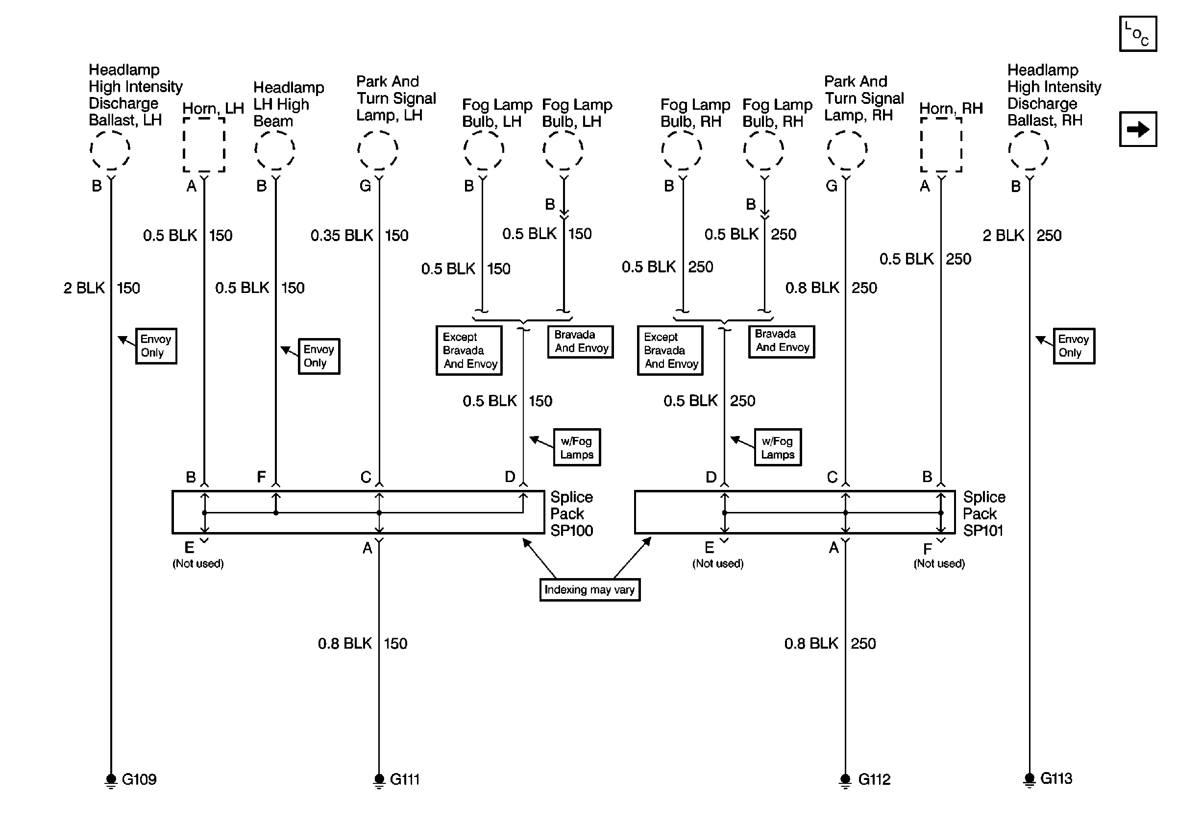
🢒 Cell 14: G109, G111, G112 and G113
Cell 14: G109, G111, G112 and G113
Cell 14: G109, G111, G112 and G113
Power and Grounding Components
Cell 14: G110, G106, G107, G108 and G118