GM Service Manual Online
For 1990-2009 cars only
Makes
🢒
Chevrolet
🢒
2000
🢒
S10 Pickup - 2WD
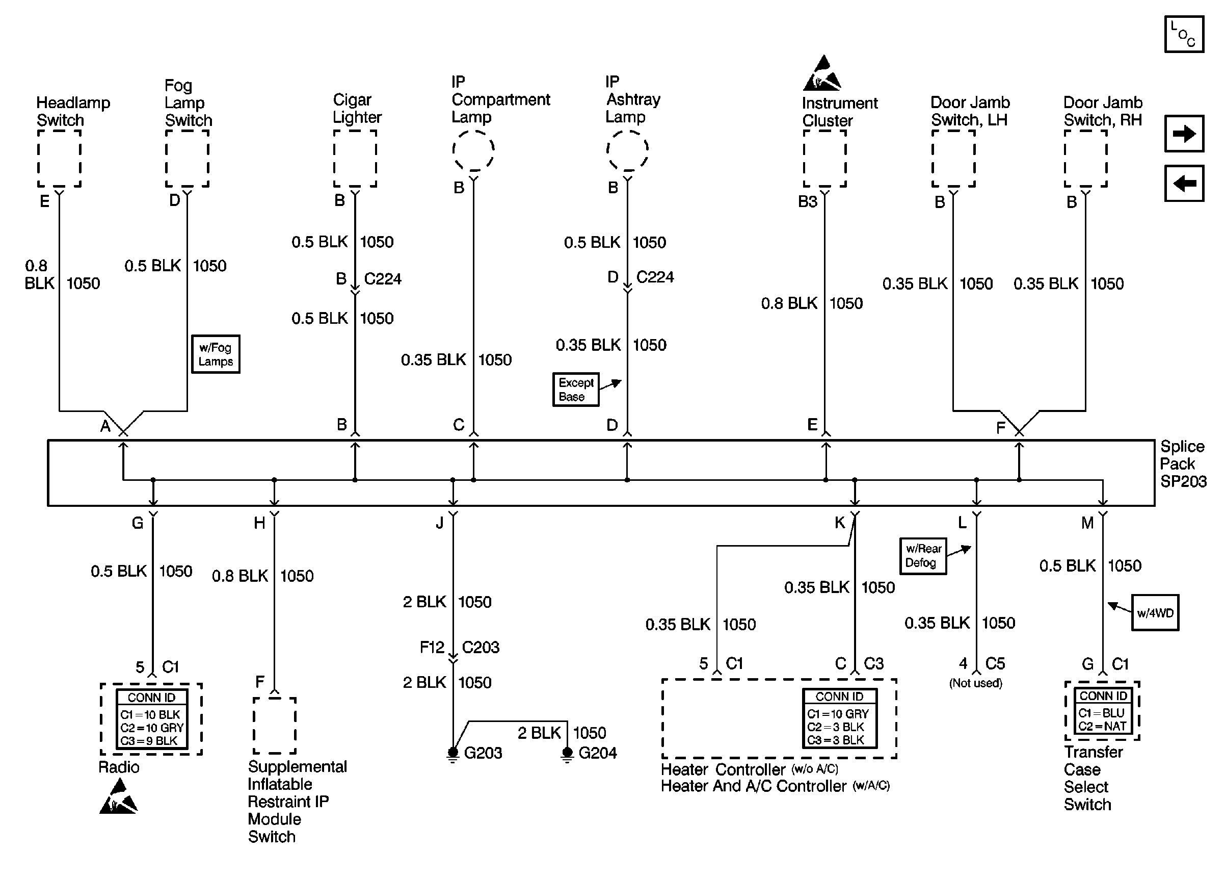
🢒 Cell 14: G203 and G204 (Pickup)
Cell 14: G203 and G204 (Pickup)
Cell 14: G203 and G204 (Pickup)
Handling ESD Sensitive Parts Notice
Power and Grounding Components
Cell 14: G203 and G204 (Utility w/ Manual A/C)
Cell 14: G104 and G117
Entertainment Connector End Views
Handling ESD Sensitive Parts Notice
Transfer Case Control Connector End Views