GM Service Manual Online
For 1990-2009 cars only
Makes
🢒
Chevrolet
🢒
2000
🢒
S10 Pickup - 2WD
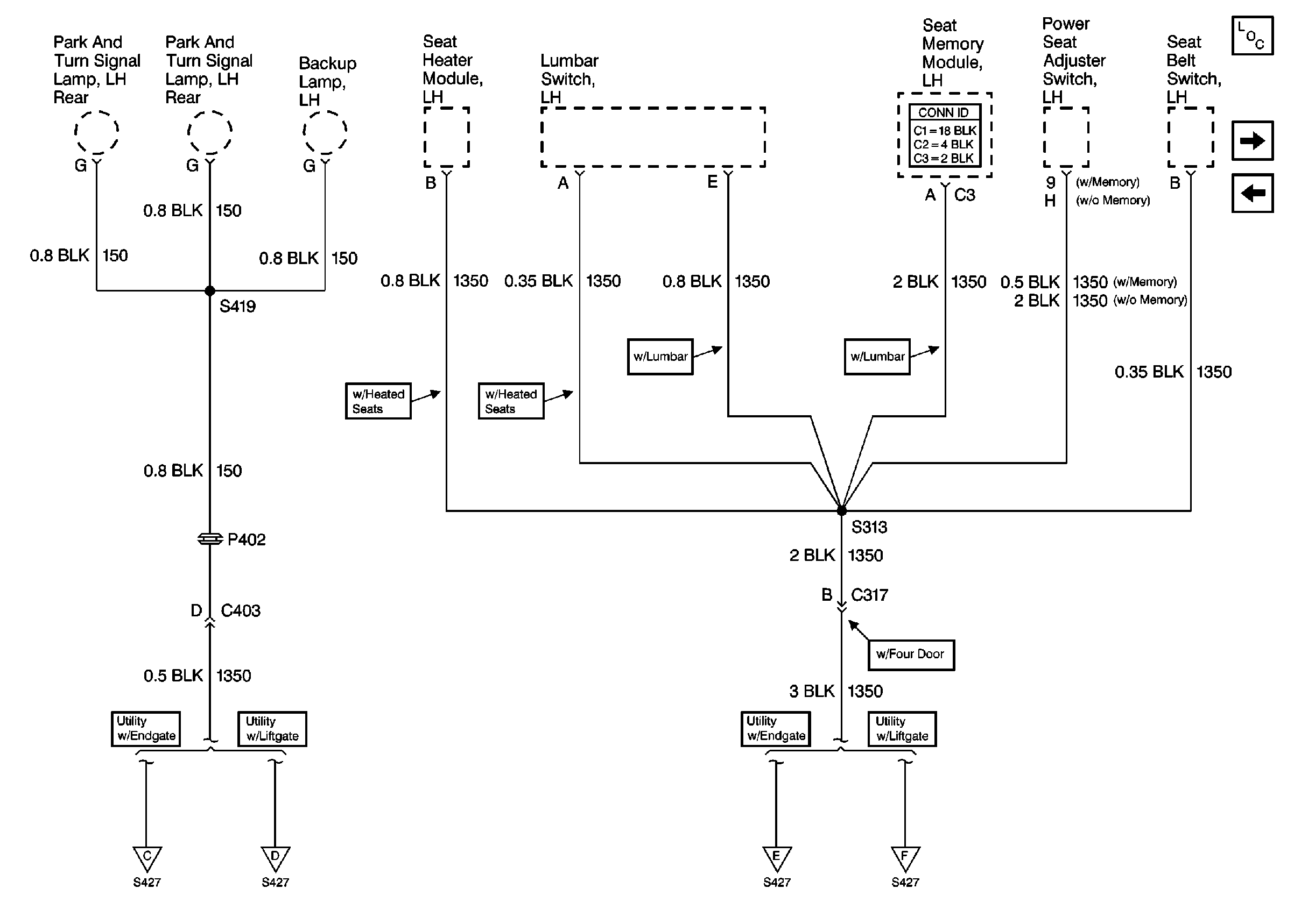
🢒 Cell 14: S313 and S419
Cell 14: S313 and S419
Cell 14: S313 and S419
Power Seat Connector End Views
Cell 14: G420 and G450 (Utility w/ Liftgate)
Cell 14: G420 and G450 (Utility w/ Endgate)
Cell 14: G420 and G450 (Utility w/ Endgate)
Cell 14: G420 and G450 (Utility w/ Liftgate)
Power and Grounding Components
Cell 14: S320 and S420
Cell 14: G206 (Except Base Pickup)