GM Service Manual Online
For 1990-2009 cars only
Makes
🢒
Chevrolet
🢒
2000
🢒
S10 Pickup - 2WD
🢒 Cell 14: G202 (Pickup)
Cell 14: G202 (Pickup)
Cell 14: G202 (Pickup)
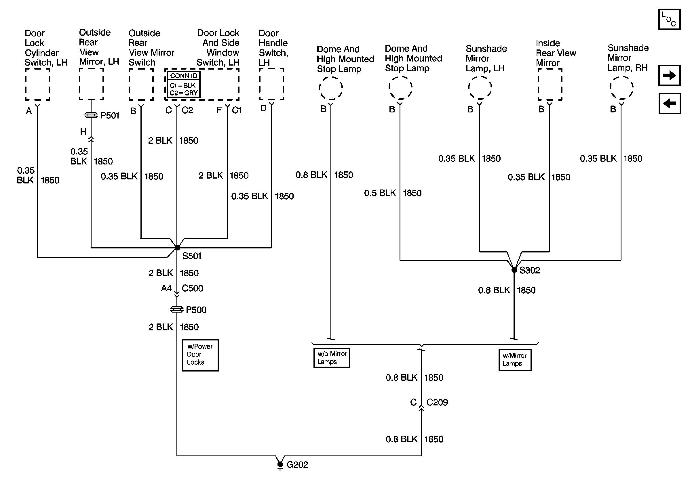
Power Door Systems Connector End Views
Power and Grounding Components
Cell 14: S501 (Utility)
Cell 14: G402 (Utility)