GM Service Manual Online
For 1990-2009 cars only
Makes
🢒
Chevrolet
🢒
2000
🢒
S10 Pickup - 2WD
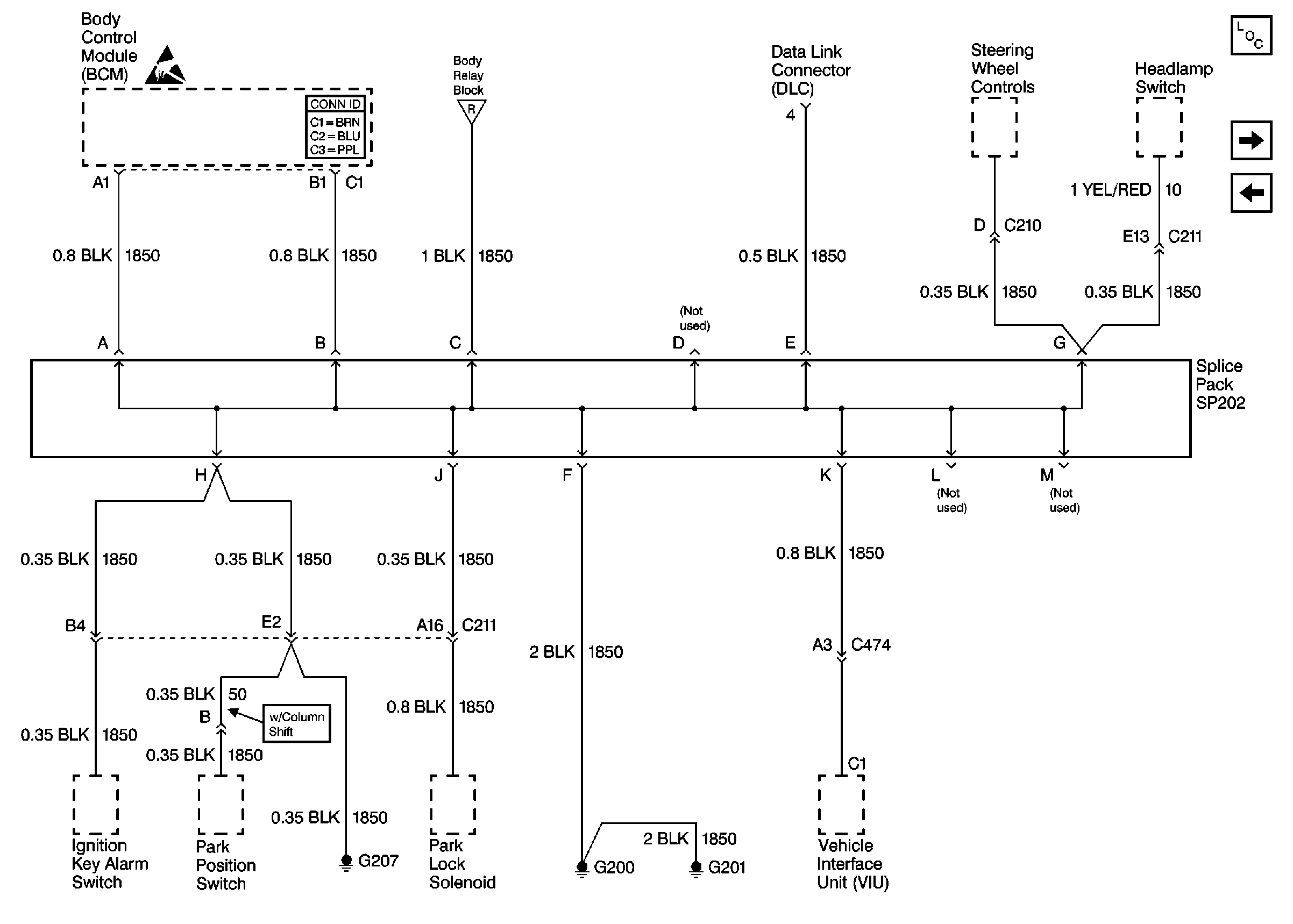
🢒 Cell 14: G200, G201 and G207 (Envoy)
Cell 14: G200, G201 and G207 (Envoy)
Cell 14: G200, G201 and G207 (Envoy)
Power and Grounding Components
Cell 14: G470 (Envoy)
Cell 14: S335 and Body Relay Block (Envoy)
Handling ESD Sensitive Parts Notice
Body Control System Connector End Views
Cell 14: S335 and Body Relay Block (Envoy)