GM Service Manual Online
For 1990-2009 cars only
Makes
🢒
Chevrolet
🢒
2000
🢒
S10 Pickup - 2WD
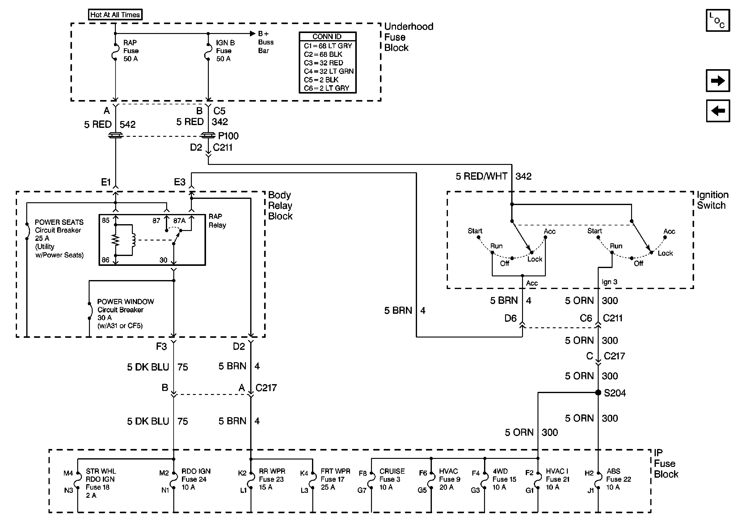
🢒 Cell 10: Ign ACC, RUN and RAP Buss Bar
Cell 10: Ign ACC, RUN and RAP Buss Bar
Cell 10: Ign ACC, RUN and RAP Buss Bar
Power and Grounding Connector End Views
Power and Grounding Components
Cell 10: Stop, Turn and Hazard Buss Bar
Cell 10: Ign RUN And START Buss Bar
Cell 10: B+ Buss Bar