GM Service Manual Online
For 1990-2009 cars only
Makes
🢒
Chevrolet
🢒
2000
🢒
S10 Pickup - 2WD
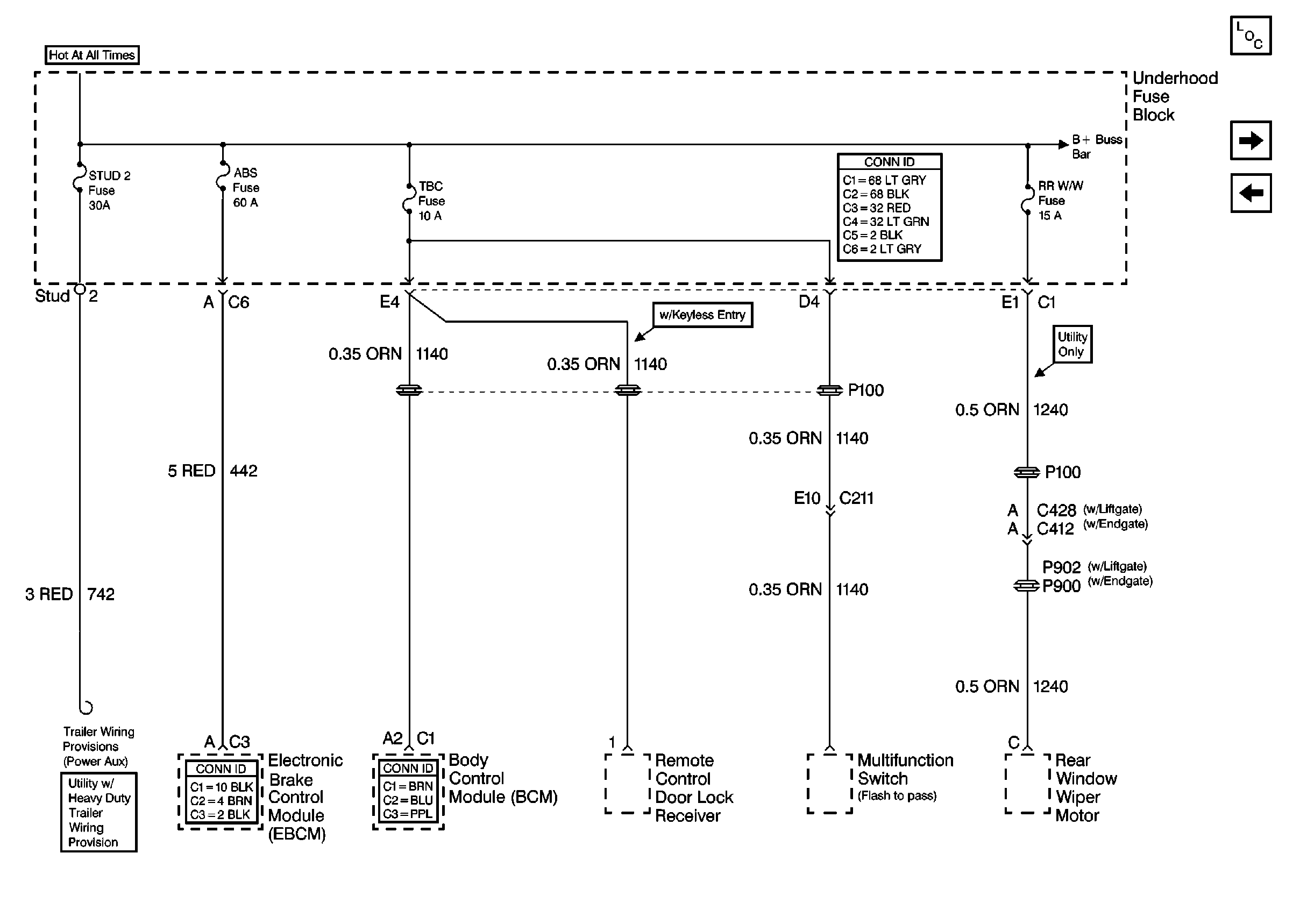
🢒 Cell 10: STUD 2, ABS, TBC and RR W/W Fuses
Cell 10: STUD 2, ABS, TBC and RR W/W Fuses
Cell 10: STUD 2, ABS, TBC and RR W/W Fuses
Power and Grounding Connector End Views
Power and Grounding Components
Cell 10: INT BATT Fuse
Cell 10: Stop, Turn and Hazard Buss Bar
Antilock Brake System Connector End Views
Body Control System Connector End Views
Cell 10: B+ Buss Bar