GM Service Manual Online
For 1990-2009 cars only
Makes
🢒
Chevrolet
🢒
2000
🢒
S10 Pickup - 2WD
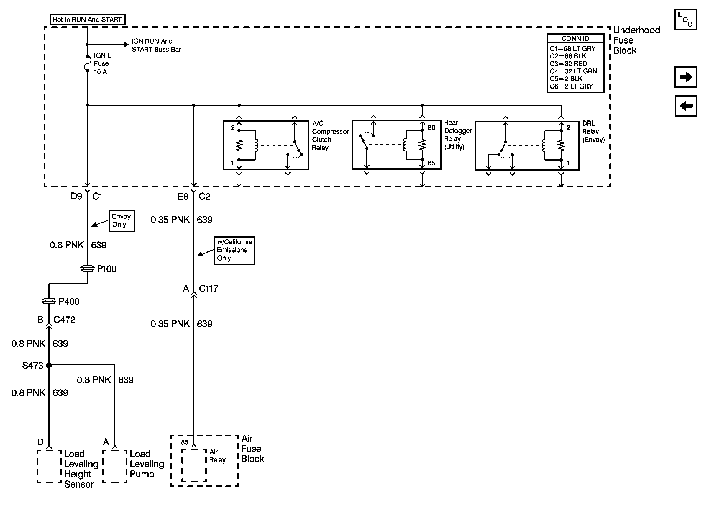
🢒 Cell 10: IGN E Fuse and A/C Compressor, Rear Defogger, DRL Relays
Cell 10: IGN E Fuse and A/C Compressor, Rear Defogger, DRL Relays
Cell 10: IGN E Fuse and A/C Compressor, Rear Defogger, DRL Relays
Power and Grounding Connector End Views
Power and Grounding Components
Cell 10: B/U LP, TRL B/U and VEH B/U Fuses (M/T)
Cell 10: TURN, SIR and GAUGES Fuses
Cell 10: Ign RUN And START Buss Bar