GM Service Manual Online
For 1990-2009 cars only
Makes
🢒
Chevrolet
🢒
2000
🢒
S10 Pickup - 2WD
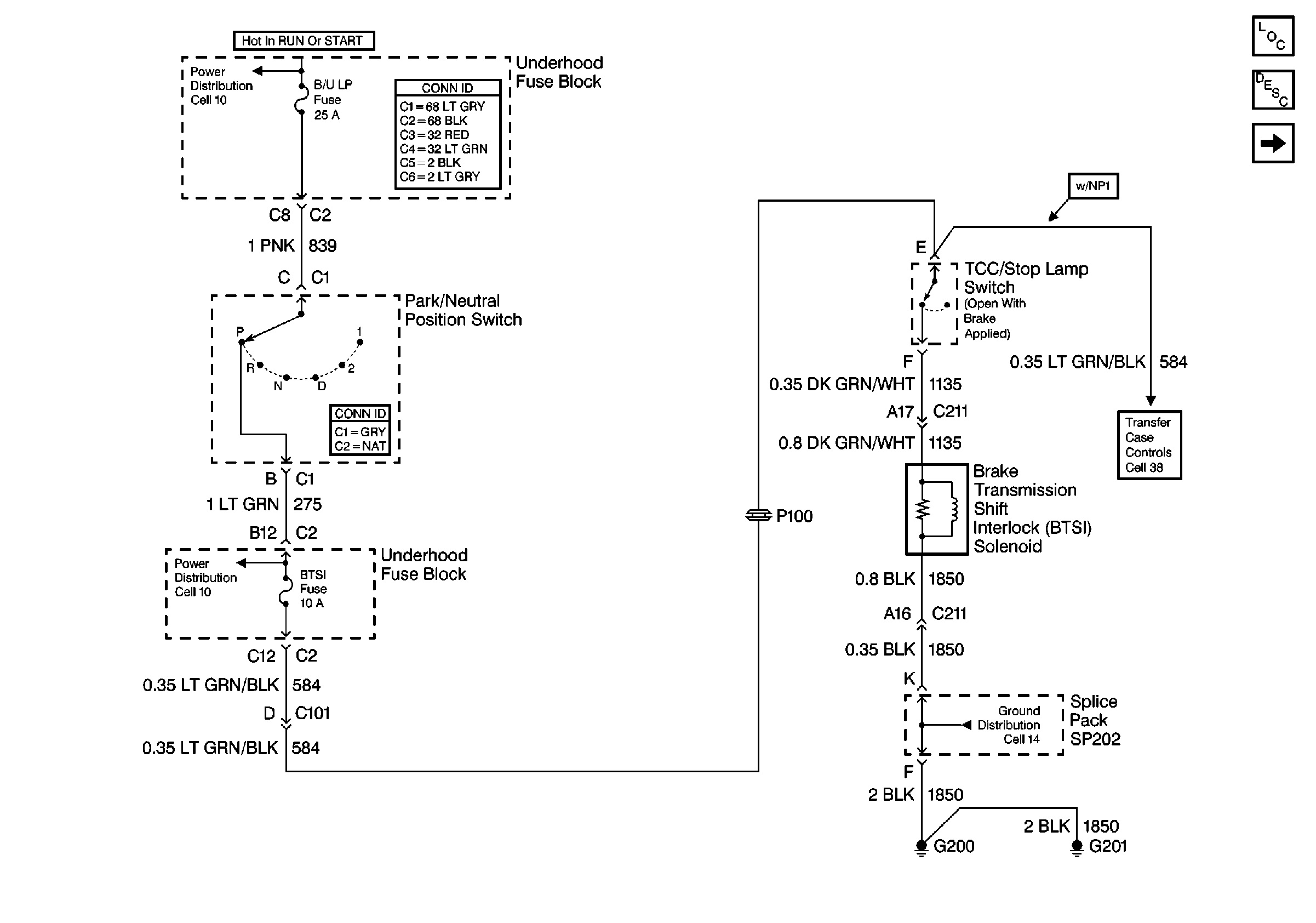
🢒 Cell 138: Park/Neutral Position Switch and BTSI Solenoid (Pickup)
Cell 138: Park/Neutral Position Switch and BTSI Solenoid (Pickup)
Cell 138: Park/Neutral Position Switch and BTSI Solenoid (Pickup)
Cell 10: B/U LP, TRL B/U and BTSI Fuses (A/T)
Power and Grounding Connector End Views
Tilt Wheel/Column Connector End Views
Cell 10: B/U LP, TRL B/U and BTSI Fuses (A/T)
Cell 38: Front Axle Switch and VCM
Cell 14: G200, G201 and G207 (Pickup)
Standard Wheel/Column Components
Automatic Transmission Shift Lock Control Circuit Description
Cell 138: Park/Neutral Position Switch and BTSI Solenoid (Utility w/ Column Shift)