GM Service Manual Online
For 1990-2009 cars only
Makes
🢒
Chevrolet
🢒
2000
🢒
S10 Pickup - 2WD
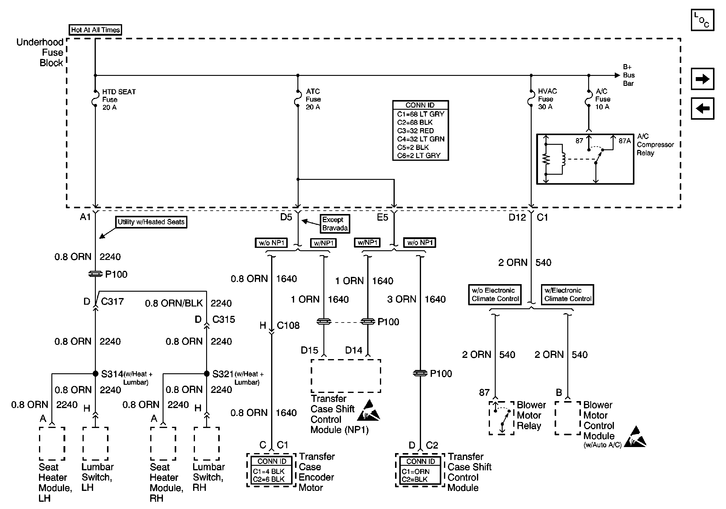
🢒 HTD SEAT, ATC, HVAC and A/C Fuses
HTD SEAT, ATC, HVAC and A/C Fuses
HTD SEAT, ATC, HVAC and A/C Fuses
Power and Grounding Components
MIR/LKS, FOG LP Fuses and DRL, Headlamp Power Relays
AUX PWR, RDO BATT and HDLP SW Fuses
B+ Bus Bar
Power and Grounding Connector End Views
Transfer Case Control Connector End Views
Handling ESD Sensitive Parts Notice
Transfer Case Control Connector End Views
Handling ESD Sensitive Parts Notice