GM Service Manual Online
For 1990-2009 cars only
Makes
🢒
Chevrolet
🢒
2000
🢒
S10 Pickup - 2WD
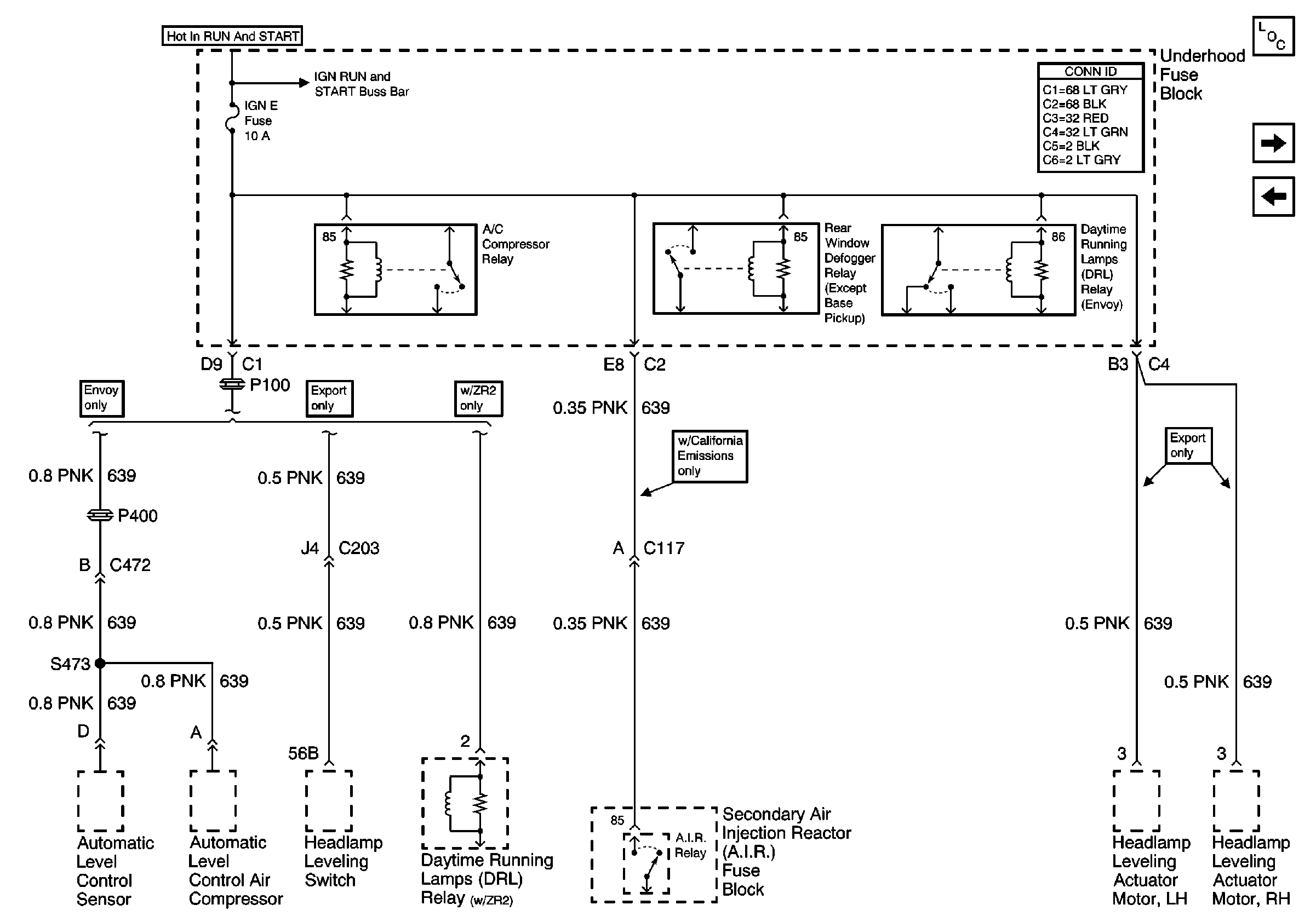
🢒 IGN E Fuse and A/C Compressor, Rear Defogger, DRL Relays
IGN E Fuse and A/C Compressor, Rear Defogger, DRL Relays
IGN E Fuse and A/C Compressor, Rear Defogger, DRL Relays
Power and Grounding Components
B/U LP, TRL B/U and BTSI Fuses (Automatic Transmission)
TURN, SIR and GAUGES Fuses
Power and Grounding Connector End Views
Ign RUN and START Bus Bar